EasyManua.ls Logo

Sony EVO-720P - Page 46

Sony EVO-720P
287 pages
Print Icon
To Next Page IconTo Next Page
To Next Page IconTo Next Page
To Previous Page IconTo Previous Page
To Previous Page IconTo Previous Page
Loading...
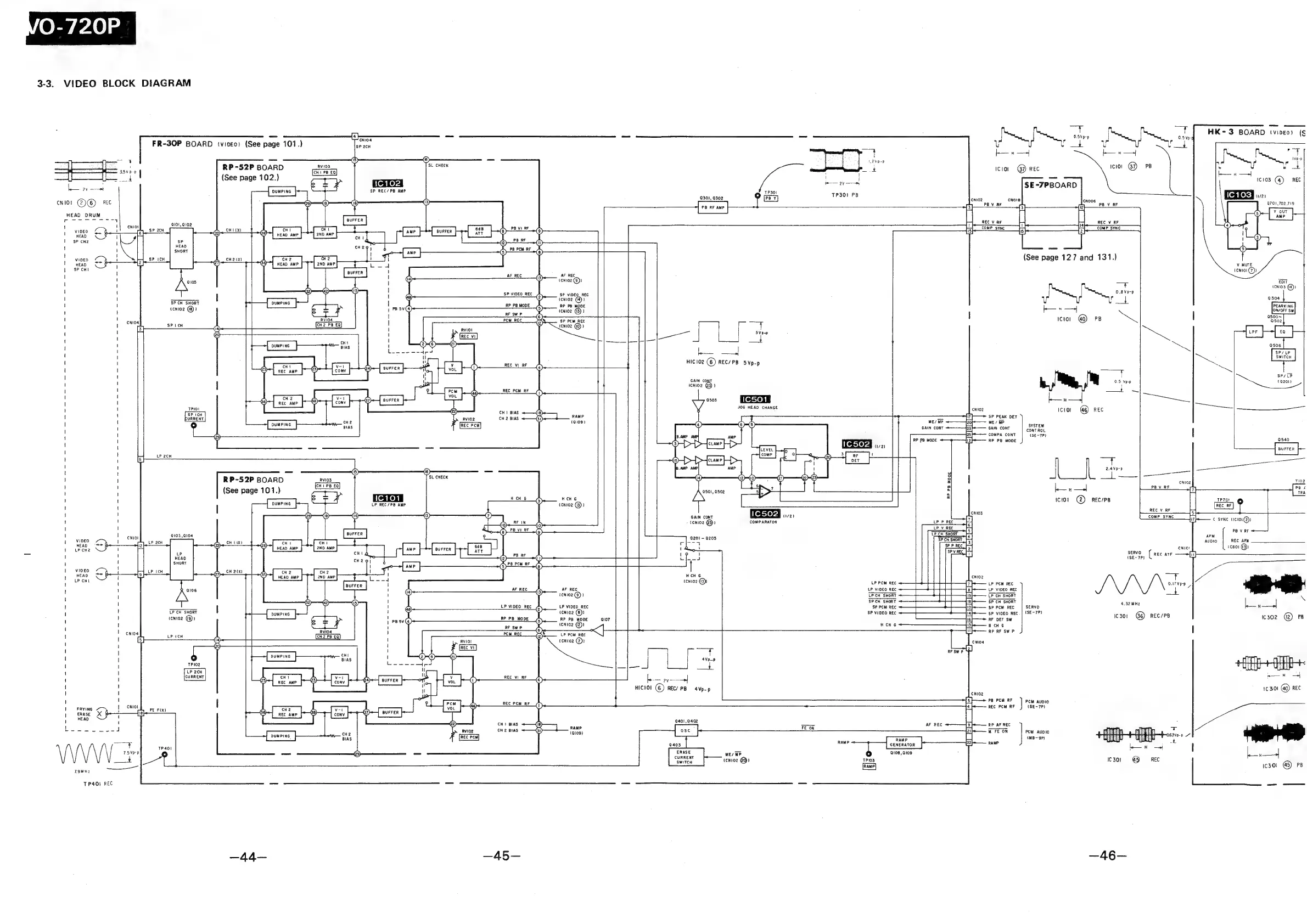
3-3.
VIDEO
BLOCK
DIAGRAM
FR-30P
BOARD
tvineo)
(See
page
101.)
ip
=
;
RP-52P
A
RVIO3
des
BORED,
~
4
(See
page
102.)
ee
my
cniol
(2)@)
REC
:
HEAD
DRUM
tes
ok:
2
-
QI01,Q102
'
'
CNIOL
ul
VIDEO
rat
1
SP
2CH
CHX)
Vo
wean
SOP
re}
|
sp
cH2
1
SP
!
'
:
DEO
H
SP_ICH
vi
t
'
Heao
i
1
2]
i
SP
CHI
\
!
1
: f
'
1
'
\
ee
ney
1
1
SP
CH
SHORT
:
\
(cn1o2
(@))
'
'
Rvi04
\
;
cNlO4
Spc
3
1
1
1
1
1
!
i)
y
f
1
\
|
'
|
1
f
'
fl
1
|
1
|
i}
t |
TPIOL
SP
ICH
!
!
l
1
\
I
f
I
;
1
!
'
LP
2CH
|
1
[6
]
!
1
!
'
=
_
It
1
P-52P
BOARD
RVIO3
'
'
(See
page
101.)
! !
Pare
|
!
1
I
| |
I
|
enter
01030104
Le
eage
ee
bese
fae
th
cn
ath
¢9
1
LP
cH2
yoo
1
LP
!
HEAD
\
!
SHORT
1
I
VIDEO
LP_ICH
CH
21x)
»
HEAD
St
is}
7)
@5)
LP
CHI
1 1
t
i.
\
1
1
l
1 !
TP
CH
SHORT
1
tcn1oz
©)
1
'
\
n
CNIO4
|
[5]
! I
'
}
'
1
.
|
t
}
&
cH
J
'
:
G5]
REC
AMP
|
'
I
|
!
CNIOL
|
a.
Zhe
ape
FOX)
.
HEAD
:
'
'
at
ies
en
a
J
[manne
TP401
7.5Ve-P
?
a
a
79MH2
TP401
REC
—44—
tare
SP
REC/PB
AMP
BUFFER
roa
Ke}!
LP
REC/PB
AMP
SL
CHECK
SL
CHECK
BUFFER
9301,
0302
at
ZV
D-P
1
eo
4
!
i
Pa
TP301
PB
HK~=3
BOARD
‘vineo)
FT
ot
iw
PS
p—»—4
|
P8
AF
awe
|
RF
AMP
—45—
ea
if
ore
m
has
we
icior
GD
REC
jaeteg
ats
:
_
1103
()
REC
SE-7PBOARD
e,
CNIO2
a
Ae
CNOIS
S
o
Q701,702,719
a
3
oT
Laan
|
ae
eS
a
(See
page
127
and
131.)
V MUTE,
,
tcnto1@)
AF
REC
(CN102
i
EOIT
®
7
(CN103
(4)?
SP
VIDEO
REC
SP
VIDEO
REC
0.8
Vp-p
i]
1
a
eae
vie
E
P
PB
MO!
PEARKING
@
RI
DE_¢)
RP
PB
MODE
*
pean
NG
0500~
()
IC101
PB
5
[
5Vp-p
Pacers)
ae
(oo
i
HICIO2
(6)
REC/PB
5
Vp-p
~
SP/LP
GAIN
CONT
0.5
Vp-p
Ses
(CNIO2
)
~
v7
0503
1C501
pe
4
ay
SSS
ae
|
oe
jhe
ee
ee
2
/
JOG
HEAD
CHANGE
N02
IC101
@)
REC
cH
;
nds
()-—_
RAMP.
=
SP
PEAK
DET
RVI02
!
3)
igios4
ME/
WP
{zo}
ME
/
WP
efareu
GAIN
CONT
a3
GAIN
CONT
conten
125}
COMPA
CONT
(SE-7P)
|
RP
PB
MODE
{12}
RP
PB
MODE
moe
|
2.AV
bp
‘al
l
=
a|
je
4
—4l
a
Hous
4)
HoH
G ;
iciot.
@)_
REC/PB
(cnioz
(3))
REC
V
RF
CNIO3
GAIN
CONT
1C502
BY
SOME
SYNC.
©
SYNC
1c101@))
(9
(6)
(Cnlo2
®)
COMPARATOR
LPP
REC
re]
ALG
PBI
RE
(5
|
Pear
:
14]
AFM
Q201
-
0205
|
AUDIO
REC
AFM
a
CNIo!
1801
@)
SERVO
a
Pe
RF
oi)
uJ
(SE-7P)
(ee
are
im
a
bicane
ey
oe
PB
PCM
RF.
©)
AE
_-<@)
HCH
G
cnioz
ot
tcnioz
@
LP
PCM
REC
LP
PCM
REC
O.I7Vp-p
=
7
AF
REC
LP
VIDEO
REC
oe
LP
VIDEO
REC
tentoz
(9)?
TP
CH
SHORT
rps
UP
CH
SHORT
ae
SPCH
SHORT
oo
SP CH
SHORT
4.32mi
LP
VIDEO
REC
uP
oe
SP
PCM
REC
rel
SP.
PCM
REC
|
SERVO
4
eee
PENUREO
AES
[ere
SP
VIDE
REESE
TE
130
1
Ge)
REC/PB
PB
RP
PB
MODE
{16}
RF
DET
Sw
G6)
1c302
®
(cntoz
(2))
HCH
G
13]
H
CHG
|
Li)
RP
RF
SW
P
LP
PCM
REC
(cnioz
@)
cNio4
j
t
arewe
mw
Ho
5
ar
HICIOL
(©)
REC/
PB
4Vp-p
301
(40)
REC
cNtoz
5}
PB
PCM
RF
PCM
AUDIO
REC
PCM
RE
(1)
14
|
REC
PCM
RF
(SE-7P)
0401,0402
i
CHI
BIAS
(18)
-
——
AF
REC
19]
RP
AF
REC
e
CH
2
BIAS
(s;——}—-
RAMP
FE
ON
(21
WE
ON
PCM
AUDIO
pitino
tn
ee
(Qi09)
es
HHH
;
pt-oseve-»
RANG.
RAMP
aI
eae
(MB~9P)
LL)
Hf
a8
eS
ous
GENERATOR
ar
|
ERASE
Ww
108,
0109
Mes
WP
:
,
Lecg
aed
CURRENT
Ic301
@5
REC
(cnioz
G9)
TP103
SWITCH
ico
@
Pe
—46—

Table of Contents

Related product manuals