EasyManua.ls Logo

Sony EVO-720P - Page 49

Sony EVO-720P
287 pages
Print Icon
To Next Page IconTo Next Page
To Next Page IconTo Next Page
To Previous Page IconTo Previous Page
To Previous Page IconTo Previous Page
Loading...
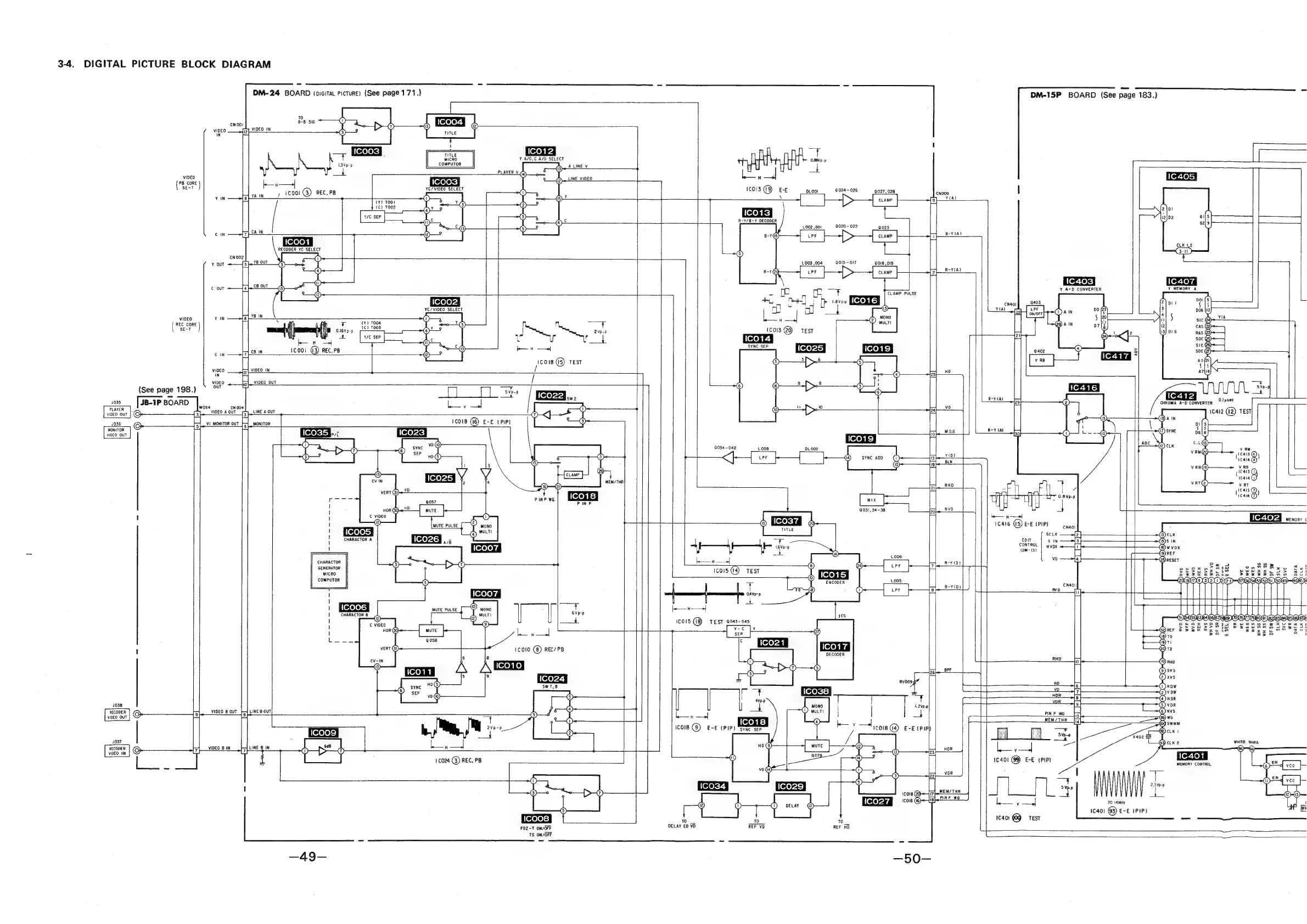
3-4.
DIGITAL
PICTURE
BLOCK
DIAGRAM
DM-24
BOARD
(oicital
Picture)
(See
page
171.)
YC/VIDEO
SELECT
(y)
TOOT
Y
A/D,C
A/D
SELECT
ea
H
.
—e—_—“—"————X—Jaar,-_S
=O
Ce
on
ffir
Afi
is
ms
{C)
T0O2
VIDEO
(P8
CORE
SE-7
YIN
Cc
IN
Y
OUT
¢
OUT
VIDEO
YIN
(
REC
CORE
SE-7
1cOl3
0)
E-€
DLOO!
9024-026
027,028
bes
3
S
oa
ote}
Ke}
R-¥/B-Y
DECODER
1.002
,001
020
-
022
9023
ud
Pa
ae
©)
"]
1.003
,004
Q015
-
017
2018019
i
=a}
YC/VIDEO
SELECT
CIN
VIDEO
2
ViDEO_IN
IN
VIDEO
fio}
VIDEO
OUT
(See
page
198.)
oo
035
JB-1P
BOARD
wo34
cNo04
PLAYER
wioeo
out
|
©
VIDEO
A
OUT
754
LINE
A
OUT
[|
036
Vi_MONITOR
OUT
MONITOR
5
MONITOR
Oo
15]
VIDEO
OUT
|
I
4038
VIDEO
B
OUT
LINE
8
OUT;
Co
ro
ete
2Vp-p
[ence
aaa
1C018
(6)
E-E
(PIP)
swe
YO
©
‘ser
HDG)
©)
?
MONO
(ay
MULT!
CHARACTOR
A
|
|
1
'
'
1
|
i
CHARACTOR
GENERATOR
MICRO
COMPUTOR
CHARACTOR
B
C
VIDEO
veRT
@))
epcoccccce
8
A
Ata
9
(16-2!)
PINP
WG.
U
MUTE
PULSE
Be
MONO
@ ®
ze
fea
tnents
1CO10
(8)
REC/PB
sw7,6
RECODER
viDEO
OUT
J037
RECODER
VIDEO
IN
ov
aoare
|
ICO22
Im
PINP
6Vp-P
@
MEM/THR
tate
eee
1013
QQ)
Test
SYNC
SEP
o—->
034-042
1,6Vp-p
!
y
=
be
—~}
1co15
(4)
TEST
———+-
4
}+——
H
>|
Icols
TEST
9043-045
FDZ-1
ON/OFF
TS
ON/OFF
You
SEP
ICO18
(col8
(9)
E-E
(PIP)
“syne
SEF
q
c
Pe
©
©)
tenet
J
7
© © @
>
©
D>
pp
CLAMP
PULSE
es)
a
1.8V0-p
ah
©
fe
MULTI
HD
10
o
=|
031,
34-38
ENCODER
DECODER
|
ag
TO
E-E
(PIP|
TO"
DELAY
ED
VO
DM-15P
BOARD
(See
page
183.)
Y
A-D
CONVERTER
Y
MEMORY
A
1iC412]
2
CHROMA
A-D
CONVERTER
Suades
a6
b=
—BPF
RV009:
Vv
RW
(icars
@)
10414
(4)
VRB
(ica
1c4i4
Vv
RT
IC
413
(ean
B)
©
ogee
wewory
10416
E-E
(PIP)
cN4oI
z
SCLK
{2}
(13)
CLK
EoIT
SIN
13}
(15)$
IN
conto
|
wok
<1
iSwvox
|_|
(19)
REF
Ele
a
ae
vo
ia}
5)
RESET
“4
oc
BB
eLreoran?
oi
On
ZEsHZERIC
SSSEE
ia
CXIMOOOOOT
D-DD)
r
Be
BGRs
CHEESEIENESENOE
RIEHEZ
6)
sesiss
38S
REF
@
SSE
eT
xx
ae
0)
12
RHD.
hal (9)
ano
(9)
Svs
@)xvs
iB
16
|
———+
(1)
HOW
HOR
(2)vow
(4)
HDR
VOR
in
19
|
(5)
VDR
PIN
P_WG
=
(5)
Nvs
MEM/THR
fra]
<=
@)
ws
\
20
14MHz
1C401
@3)
E-E
(PIP)
WHRB
WHRA
@-@
oie]
tts
OO
¢
Pe

Table of Contents

Related product manuals