EasyManua.ls Logo

Sony EVO-720P - Page 52

Sony EVO-720P
287 pages
Print Icon
To Next Page IconTo Next Page
To Next Page IconTo Next Page
To Previous Page IconTo Previous Page
To Previous Page IconTo Previous Page
Loading...
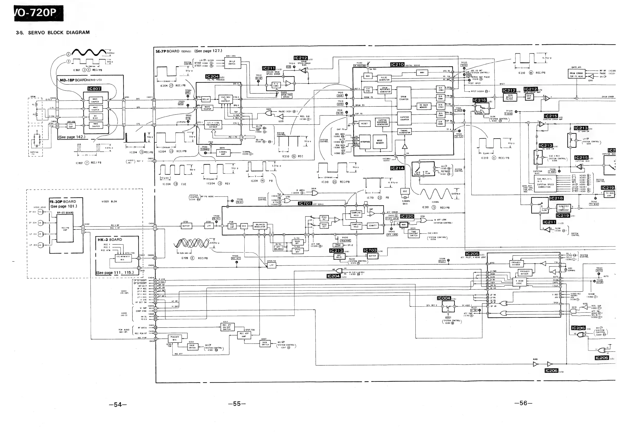
3-5.
SERVO
BLOCK
DIAGRAM
Was
MS
\Sro
SE-7PBOARD
iseavo)
(See
page
127.)
a
0451-453
OJ
LS
1s
na
sie
RS
eS
ig
iat
ia
SYSTEM
|
FECUE
(ico!
8:
e213
SPC
tenon
Se,
a,
bei.semsec
-
»
>
ATREV
(1coo!
(5)
reid
ic211]
oe]
EW
FOstTiON)
6
oA
on,
sve
me
foo
=
eee
13
e
v
1
Ic
807
REC/PB
5Vp-P
USA
21
a
Oi
om
008
Jos
vo
Ab
3
0G
VD
INT
F
RP
RF
(1C205
ANALOG
orm,
[we
|
29
ay
Peis!
SYSTEM
CONTROL)
C210
REC/PB
DRUM
ERROR
PAUSE
(IC
211
eae
C204
TP2i2
@
&
lial
FOR
FE
HEAD
feo
nc
(73)
PULSE.
(18)
ERVO
REF
PULSE
SP/LP
MD-18P
BOARDisservo:1/3)
bibates
om
FG,
PG
PROCESS
=
re
GENERATOR
|
e
licz16
(0)
>
TP2I7
RECT
1c
204
®@
REC/
PB
(18)
©
[|
RECT
kez=ie)
TP204
RFCT
(16204
G2)
1C212
1C.2
12
0
Ce
RUM
Rv202
f-
1P215
GENERATOR
loRuM
FREE
°
SPEED
DRUM
a
oe
2
5
30Hz
DRUM
woo!
CNOIS
CUE
/REV
ri
(s0F)
(+)
NOTCH
DRUM
ERROR
FO
7
neo
8%
WAVE
DFG
°G
9
©)
COUNTER
FILTER
j
1
{]
2)
SHAPER
@)
{8
fs]
TP203
©
CORRECT
iat
1C216
Fm
i
eet
|
i
|
Ged
¢
EE
P
)
caum
ec
oc
ond
é
|
!
oe
ot
$19
©
© T
ran
bro
49
na
CHER
9
i
:
|
(cee
(3)
2
[BS
oc
TP202
8
REEL
DIR
@
hey-REs)
H
alas
(Fg
i
CAPSTAN
SLOW
wy
:
:
(1¢
001
@)}
CAPSTAN
COUNTER
1
(S*STEM
gm)
CAPSTAN
ERROR
AMP
Lene
a
crea
REFERENCE
D/A
9
w
ol
©
Se,
4
es
8)
{6}
ore
ABLE
sPaiP
(0)
GENERATOR
conv
aa]
el>
r---
DIVIDER
'
'
Gael
Ye
gg
©
oar
Ee
Ea
le
1C213%
'
ticoo!
i)
.
OC
GAIN
SW
:
\
Zr
f
[
®
aa.
M35.
DATA
SENERATER
tp214
:
1
(See
page
142.)
ove
5vp-p
i‘kK—
oar
ticooz
691
Ley
nae
-
p0-
04,
35
CS
=
¥
1
ra
ee
|
«coo!
(@-
9)
SV
p-p
(1c002
62)
1
2
aeuoRe
Vie
(SYSTEM
CONTROL
)
1
4
€3)
Sora
‘:
0233,
1
1
tenes
+
ev
|
L.
104msec
|
aaat
0205
«coor
ey
?
|
+t
RES
1
(.semr]
==
|
capstan
tt
1c204
(I5)REC/pB}
1C204
@
RecrPe
3.50M
ea
5cK
|
Ls
24)
Fe
'
is
0
tic2i0
(3))
(1coo2
Gi)
Op
sec
CAPSTAN
BIAS
Cee
eel
val
1c210
REC
@)
@
CUE
+
REV
CNOOS
4.43MHz
af
1210
®
REC/PB
(
SYSTEM
CONTROL
(za)
vt
é
(0205)
0256
CAPSTAN
BIAS
1c
807
@
REC/
PB
Gare
one
Y
Lt}
¥
STAN
el
TF
t
5.2Vp-p
‘Sup:
sp/iP
Fa
Bip?
SVp-
p
re
1c214
116001
69}
system
1?
p-P
4
239
Pe
es
CONTROL
canes
(ema)
Les
er
ico!
@3))
=
x-1
(1€003
!
[2
see)
hiss
mi
:
PAomsse
cca
CUE, REV,
X-I
ei»
SMICOOS
49)
ats
1c204
PB
ees)
CUE
cool
)
SYSTEM
ic204
@
i210
@3)
REC/PB
4vp-
x73
CUE
11C00t
OP
|
CONTROL
1c204
(3)
cue
2
REV
1
CAPSTAN
SPEED
sP/iP
uscoo!
89)
ee
De
LEE
CORRECTION
LP/SP
(233)
etki)
pre-e
ee
eee
ee
ee
err
rr
err
err
a
\
a
anes
814
_
T
358,456.
HUE
(1coo!
8
(
!
Conor
@)
Ly
458,
WBEY
UG
7
SYSTEM
TSA
O42V0-9
I
~
(cen,
pe
fe
system
|
SPER
0701
Ic7o1
@2)
FB
O
<a
i
coo!
4)
TP208
CONTROL
tic002(s))
:
FR-30P
BOARD
VIDEO
BLOK
)
>
same
443M
1P242
i}
1
{
C219
TH
OAS
2)
SLOW
'
'
:
.
1
[Peasy]
N
PULSE
rowaekl
vingo
nean
|
(See
page
101.)
1
a
(16003
(13))
[ic701]
ATE
SERVO
1
t
|
2
@
de
é
sce
x0
aeee
=
SP
ICH
9
RP-25
BOARD
>
@)
ATF
ERROR
ws
=
ear
oen
OEY
5
E
5
=.
M
ATF
LOOK
|
SP
2cH
==
&
cntoz
V
cwote
oie
o704
|G
swe
(SYSTEM
CONTROL}
lag
-
!
;
ae
AMP
AMP
REC/PB
LH
6
14
0233
il
TP240
TIME
i
©
CONSTANT
CUE
+REV
coor
G1
F
=.
:
SYSTEM
ie
oy
_
'
@)
SWITCH
CONTROL
1
t
RV2I0
ores
CONTROL)
HK-3
BOARD
:
t
256
0.52Vp-
p
LP
2CHee
REC
Y
i
ATF
SWP.
TRACK
sPx2
1
<}
Rec
1
t
c205
@)
4TH:
mms
|
ied
Peete
aks
eS
1C213
1C
703
=;
bai
4
Bu
sec
1
|
70
IKEM/AT
F
Gmine
NODE
e235
N
‘AGC
FD
u
1C205
Mi
fitobe
1)
system
!
{5}
fig}
a709
(E)
REC/PB
HOLD
ae
er
ATF
PILOT,
4
HEAD
LOGIC
SEL2
CONTROL
Mi
st
_
3
}
A
0709,
710
SYSTEM
CONTROL
[PiLoT
]
w2u
:
=
=
H
o
is}
44
B20!
we224
!
NiO
5.94MHz
i)
Hi
CUE
+
Ht
REV
See
page
111,
115.)
aa
Hue
te
.
[ee
ee
he
ie
So
eS
ee
eee
ES
SoS
See
ee,
ceo
er,
073)
AUTO
TECH
SH
5
xX
SSH
SP
CH
SHORT
RP
SW
P
111}
a
-
SP
P
REC
Oper
VIDEO.
LPP
REC
[thy
(FR-30P)
SPV
REC
fie]
VIDEO
REC
HCHGM
PVR
(9054)
He
LP
V
REC
{
8}
Teveley-"
JOG
o02
@)
H
CHG
[si
uCiiR
(1/4)
(C001
@)
RF
DET
SW
fig}
md
CNOOE,
0
REEL
OIR
viewer
Ee
ticoor
@r
COMP
SYNC
[2}
?.
“et
7
wivee
Een
coos
(2)
CNOOS
(HK=3)
SELIG
HH
OL
fis}
RESET
‘icooz
@))
é
YD
EX
{18}
oie
(sere
CONTROL
1coo1
62
CNOIS,
REC
ATF
RF
AREA
{29}
ON/OFF
PCM
AUDIO
SWITCH
0707,708
(MB
-
SP)
CHOI
REC PCM
RF
PCM/ATF
REC
PRE
Ls}
MIX
cnoie
0332
MeE/MP
0705,
GAIN
sp/tP
(ersten
CONTROL
SWITCH
SYSTEM
CO;
Rot)
1coi7
@)
100!
REC
ATF
461
C206
Fe
IC206
Fm
rm
—54—
=50
>
—56—

Table of Contents

Related product manuals