EasyManua.ls Logo

Sony HCD-DX50 - Schematic Diagram AMP Section

Sony HCD-DX50
76 pages
Print Icon
To Next Page IconTo Next Page
To Next Page IconTo Next Page
To Previous Page IconTo Previous Page
To Previous Page IconTo Previous Page
Loading...
3030
HCD-DX50/RG80
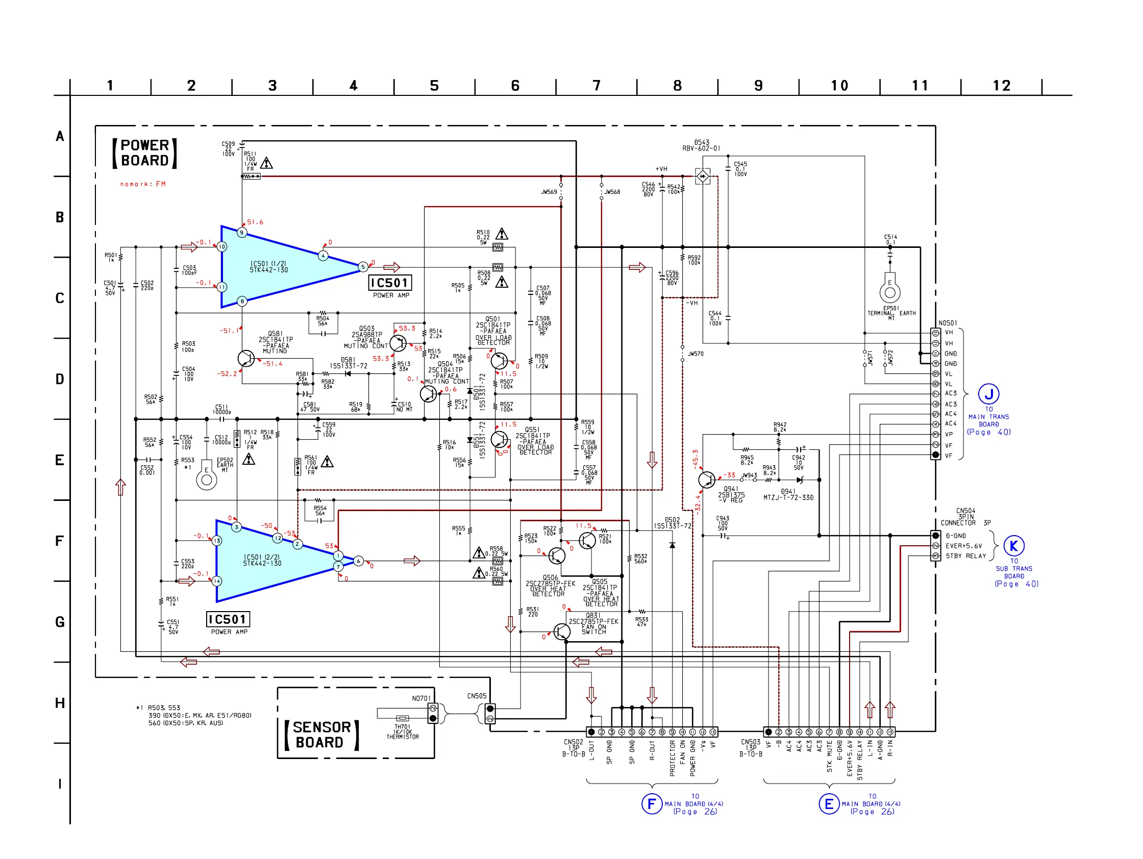
6-10. SCHEMATIC DIAGRAM AMP SECTION
C505
10P
C555
10P

Related product manuals