EasyManua.ls Logo

Sony HCD-DX50 - Schematic Diagram Leaf SW Section

Sony HCD-DX50
76 pages
Print Icon
To Next Page IconTo Next Page
To Next Page IconTo Next Page
To Previous Page IconTo Previous Page
To Previous Page IconTo Previous Page
Loading...
3636
HCD-DX50/RG80
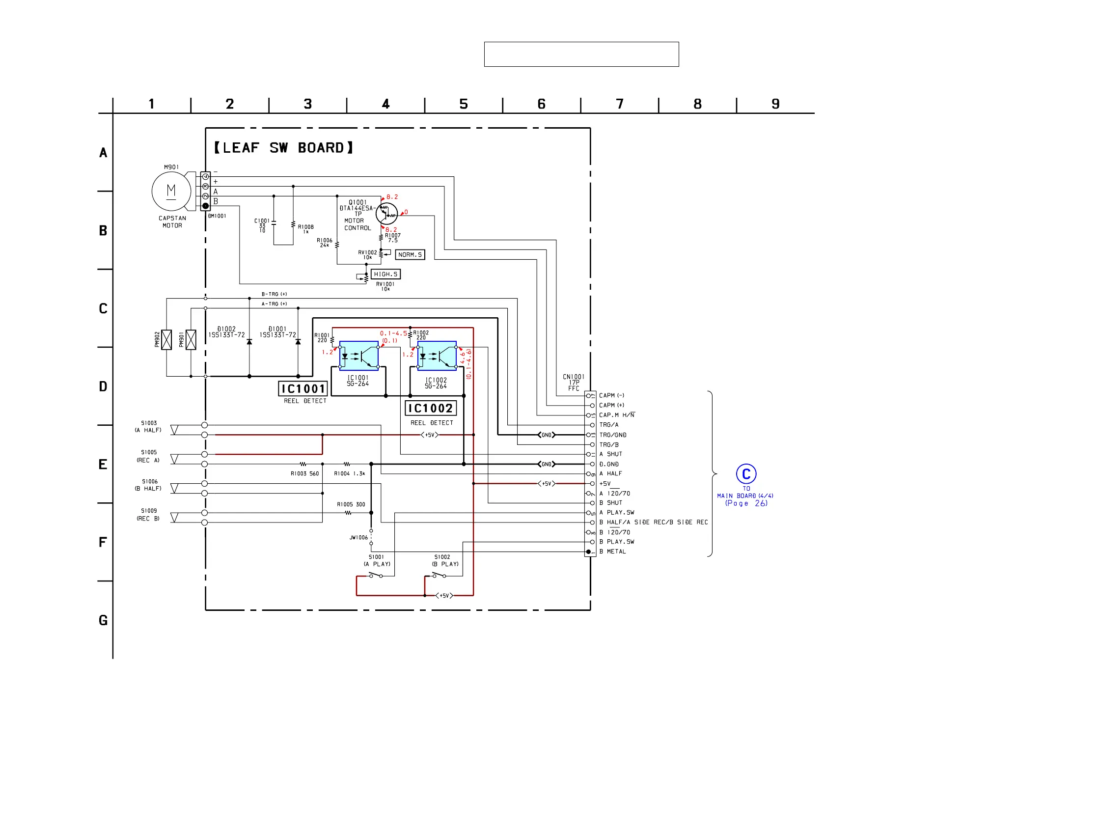
6-16. SCHEMATIC DIAGRAM LEAF SW SECTION
See page 20 for Waveforms.
See page 45 for IC Block Diagrams.
There are a few cases that the part printed on
this diagram isnt mounted in this model.

Related product manuals