EasyManua.ls Logo

Sony HCD-DX80 - Schematic Diagram -CD SWITCH;PAD SWITCH Board

Sony HCD-DX80
74 pages
Print Icon
To Next Page IconTo Next Page
To Next Page IconTo Next Page
To Previous Page IconTo Previous Page
To Previous Page IconTo Previous Page
Loading...
3636
HCD-DX80
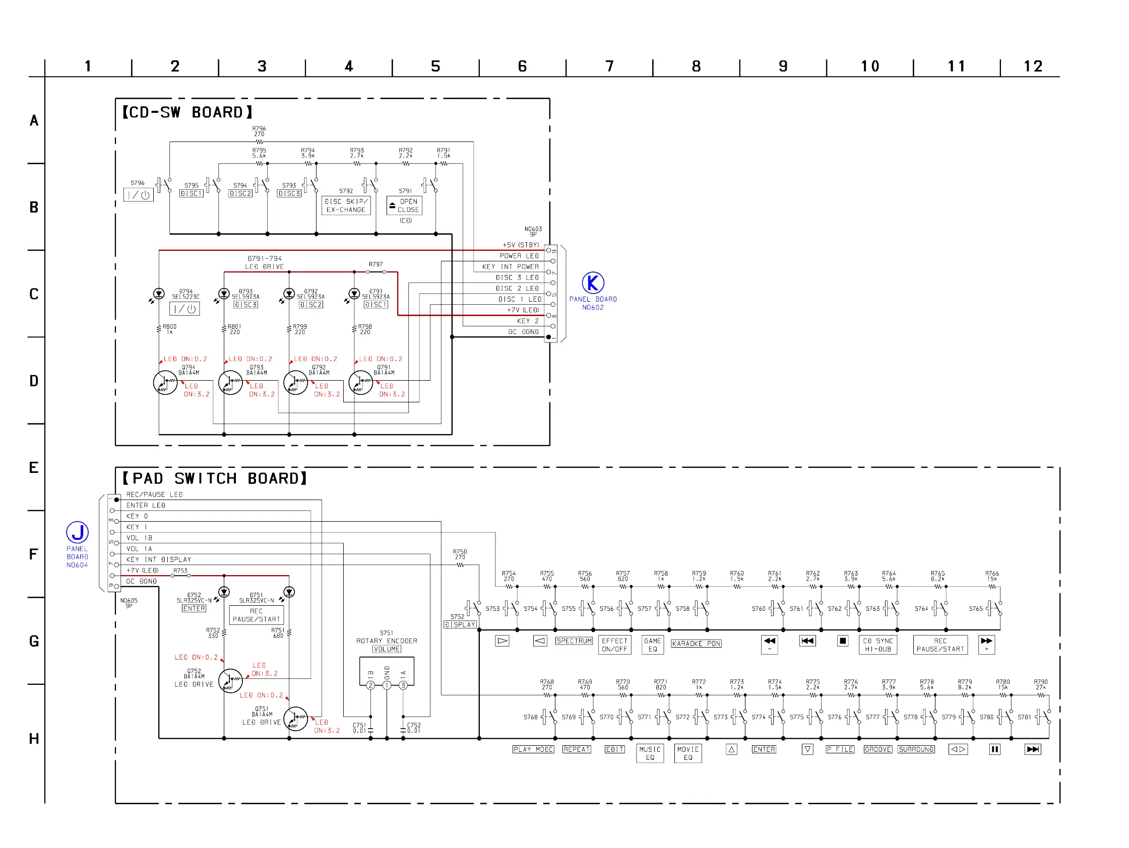
6-15. SCHEMATIC DIAGRAM CD SWITCH/PAD SWITCH Board
(Page 34)
(Page 34)
Voltages are dc with respect to ground under no-signal
(detuned) conditions.
no mark : FM

Table of Contents

Related product manuals