EasyManua.ls Logo

Sony HCD-DX80 - Schematic Diagram -MAIN TRANS;SUB TRANS Board

Sony HCD-DX80
74 pages
Print Icon
To Next Page IconTo Next Page
To Next Page IconTo Next Page
To Previous Page IconTo Previous Page
To Previous Page IconTo Previous Page
Loading...
4242
HCD-DX80
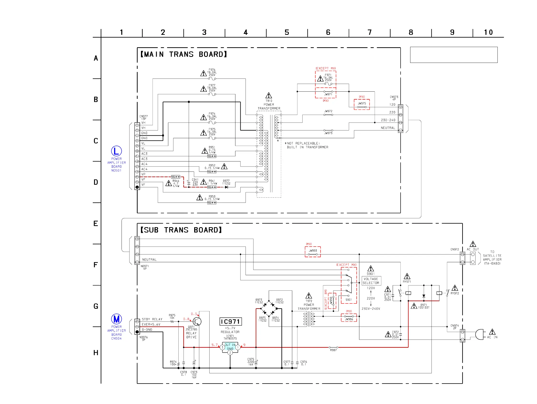
6-21. SCHEMATIC DIAGRAM MAIN TRANS/SUB TRANS Board
(Page 32)
(Page 32)
The components identified by mark 0 or dotted
line with mark 0 are critical for safety.
Replace only with part number specified.
Voltages are dc with respect to ground under no-signal
(detuned) conditions.
no mark : FM

Table of Contents

Related product manuals