EasyManua.ls Logo

Sony HCD-DX80 - Schematic Diagram -LEAF SW Board

Sony HCD-DX80
74 pages
Print Icon
To Next Page IconTo Next Page
To Next Page IconTo Next Page
To Previous Page IconTo Previous Page
To Previous Page IconTo Previous Page
Loading...
3838
HCD-DX80
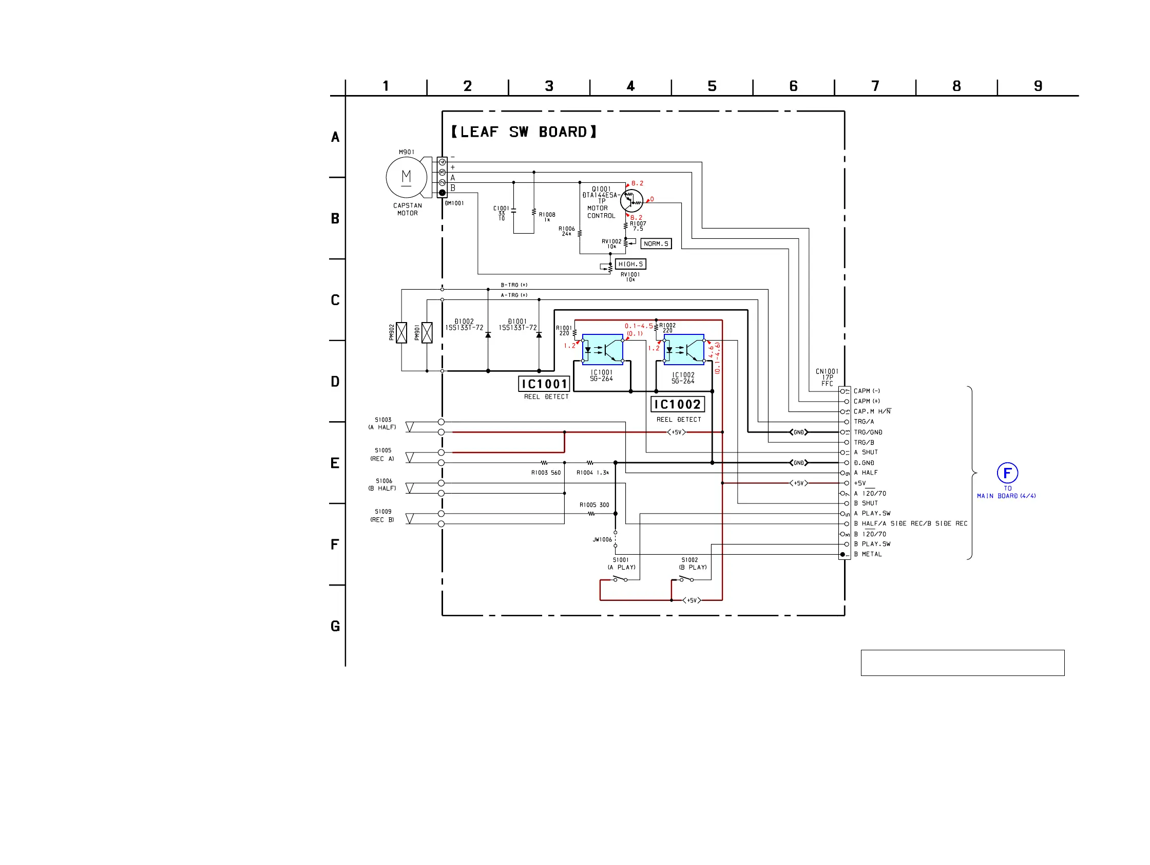
6-17. SCHEMATIC DIAGRAM LEAF SW Board
There are a few cases that the part printed on
this diagram isnt mounted in this model.
(Page 29)
Voltages are dc with respect to ground under no-signal
conditions.
no mark : TAPE PLAY
( ) : TAPE REC

Table of Contents

Related product manuals