EasyManua.ls Logo

Sony hcd-vx888 - Block Diagram - Display;Power Section

Sony hcd-vx888
84 pages
Print Icon
To Next Page IconTo Next Page
To Next Page IconTo Next Page
To Previous Page IconTo Previous Page
To Previous Page IconTo Previous Page
Loading...
HCD-VX888
2525
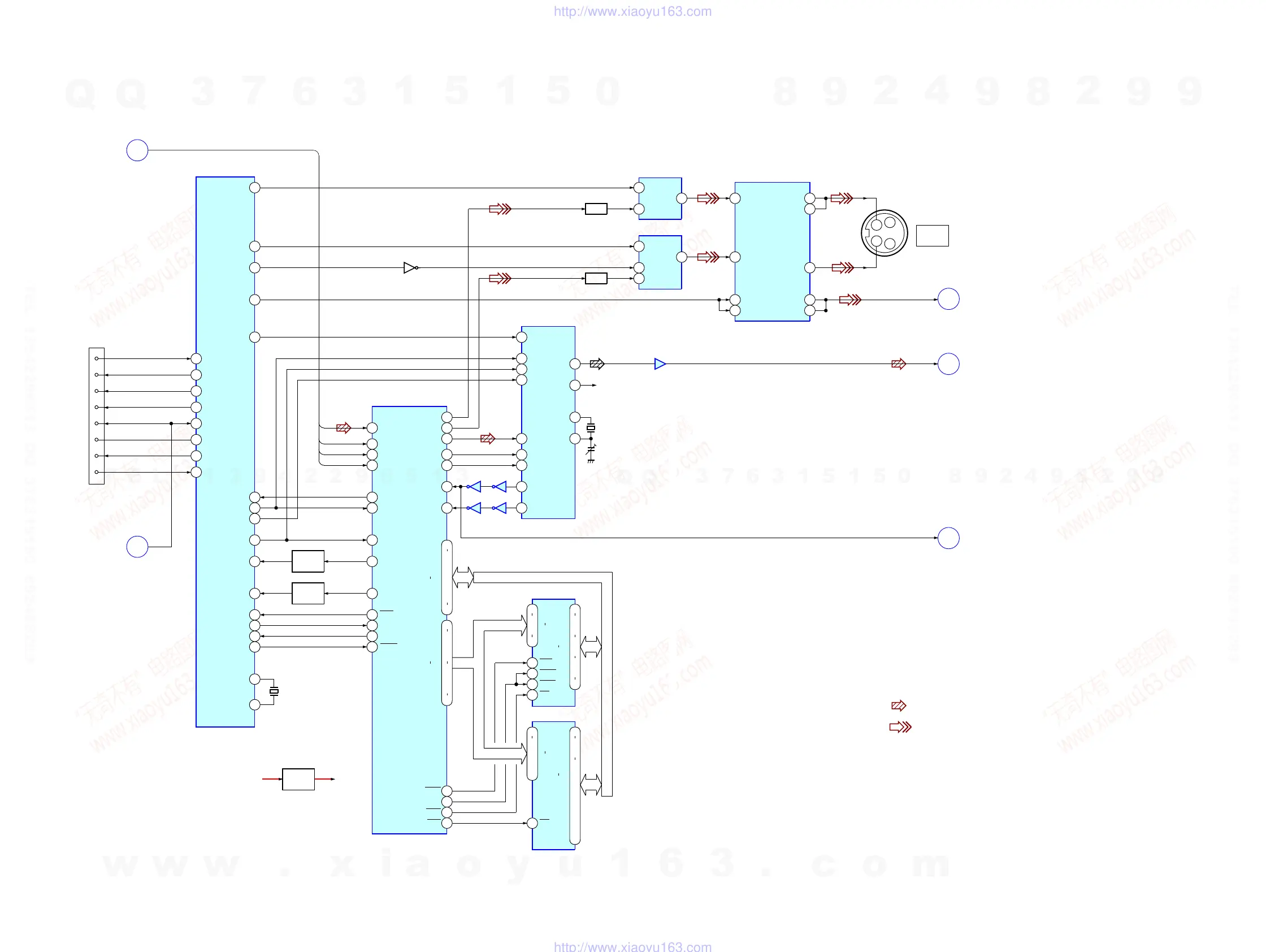
6-3. BLOCK DIAGRAM DISPLAY/POWER Section
IC504
IC504
E
G
C
B
TUNER/CD
SECTION
(Page 23)
F
DISPLAY/POWER
SECTION
(Page 26)
IC101
L. P. F.
MAIN
SECTION
(Page 24)
MAIN
SECTION
(Page 24)
TUNER/CD
SECTION
(Page 23)
: VIDEO
Signal Path
R-ch is omitted due to same as L-ch.
: CD
VIDEO CD CONTROL
IC502 (2/2)
3RESOLUTION
4
CHROMA LEVEL
22
BGP
36
DATAI
35
DATAO
88
DF LATCH
37
CLK1
21H SYNC IN
BUFFER
20
CL680 INTERRUPT
45V SYNC
BUFFER
87
CL680 HSEL
85
CL680 HRDY
86
680 RESET
65V.MUTING
HD OUT
112
HD IN
119
HCK
117
H SYNC
101
V SYNC
93
HINT
114
HSEL
121
HRDY
113
RESET
60
CD DATA
4
CD BCK
3
CD LRCK
5
CD C2PO
6
VIDEO SIGNAL PROC.
MPEG VIDEO/AUDIO DECODER
IC505
MD
9
MC
8
ML
7
DATA
18
BCK
17
LRCK
19
384FSO
20
MCKO
4
111
110
DA DATA
DA BCK
86
DA XCLK
106
VCK IN
75
C OUT
D/A CONV
DIGITAL FILTER
IC509
108
DA LRCK
27MHz
RSTB
10
14
V OUT L
11
V OUT R
1
XT1
24
XT2
R-CH
X503
27MHz
X501
10MHz
LOUT
L.P.F
VIN
1
BGP
5
6
VOUT
C AMP
IC302
TINT
8
VIN
10
CCT
5
1VOUT
Y AMP
IC303
69
Y OUT
CD DATA/CD BCK/CD LRCK/C2PO
S VIDEO
OUT
J301
4
3
2
1
Y IN
2
C IN
7
MUTE A
1
MUTE B
8
Y/C DECODER
IC304
15Y OUT1
9
C OUT
12MIX OUT1
11MIX OUT2
14Y OUT2
MD0
MD15
54
52
50
48
.
46
58
56
.
.
44
17
19
21
.
23
.
10
15
.
29
.
.
MA0
MA10
16
19
22
26
.
DQ1
DQ16
A0
A8
RAS
14
UCAS
28
LCAS
29
WE
13
DRAM
IC507
O0
O7
A0
A10
CE
22
ROM
IC510
12
5
27
.
26
23
.
.
17
21
25
.
4
.
13
15
.
28
29
3
.
.
2
30
.
.
.
42
RAS0
40
CAS
38
MWE
37
MCE
Q301
C
Y
7
10
31
.
34
.
2
5
.
36
39
66
32
33
34
31
12
9
46
41
DAC RESET
DATA1I
CLK1
RTS1
DATA1O
XRESET
CNVSS
BUS XWRL
BUS XHOLD
TXD
SCLK
BUSY
RXD
RST
XRST
PGM
XWR
HOLD
75
L.P.F
MCLK
A11
ı
A17
15
13
XIN
XOUT
Q501
Q502
Q531
+3.3V REG
+3.3V
(IC505 VDD)
+5V
VMP-VIDEO IN
CN503
(TO FLASH WRITER)
111098
3456
w
w
w
.
x
i
a
o
y
u
1
6
3
.
c
o
m
Q
Q
3
7
6
3
1
5
1
5
0
9
9
2
8
9
4
2
9
8
T
E
L
1
3
9
4
2
2
9
6
5
1
3
9
9
2
8
9
4
2
9
8
0
5
1
5
1
3
6
7
3
Q
Q
TEL 13942296513 QQ 376315150 892498299
TEL 13942296513 QQ 376315150 892498299
http://www.xiaoyu163.com
http://www.xiaoyu163.com

Table of Contents

Related product manuals