EasyManua.ls Logo

Sony hcd-vx888 - Schematic Diagram - CD SWITCH;PAD SWITCH Board

Sony hcd-vx888
84 pages
Print Icon
To Next Page IconTo Next Page
To Next Page IconTo Next Page
To Previous Page IconTo Previous Page
To Previous Page IconTo Previous Page
Loading...
HCD-VX888
4040
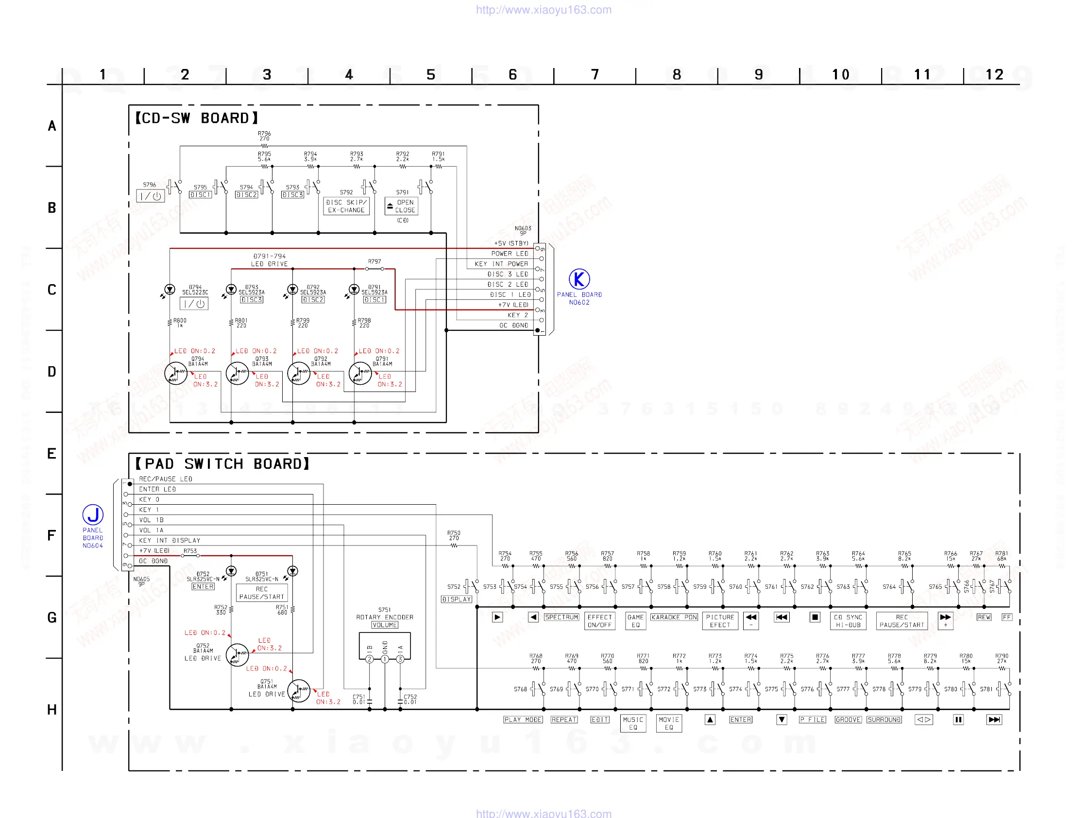
6-20. SCHEMATIC DIAGRAM CD SWITCH/PAD SWITCH Board
Voltages are dc with respect to ground under no-signal
(detuned) conditions.
no mark : FM
(Page 38)
(Page 38)
w
w
w
.
x
i
a
o
y
u
1
6
3
.
c
o
m
Q
Q
3
7
6
3
1
5
1
5
0
9
9
2
8
9
4
2
9
8
T
E
L
1
3
9
4
2
2
9
6
5
1
3
9
9
2
8
9
4
2
9
8
0
5
1
5
1
3
6
7
3
Q
Q
TEL 13942296513 QQ 376315150 892498299
TEL 13942296513 QQ 376315150 892498299
http://www.xiaoyu163.com
http://www.xiaoyu163.com

Table of Contents

Related product manuals