EasyManua.ls Logo

Sony hcd-vx888 - Schematic Diagram - MAIN TRANS;SUB TRANS Board

Sony hcd-vx888
84 pages
Print Icon
To Next Page IconTo Next Page
To Next Page IconTo Next Page
To Previous Page IconTo Previous Page
To Previous Page IconTo Previous Page
Loading...
4848
HCD-VX888
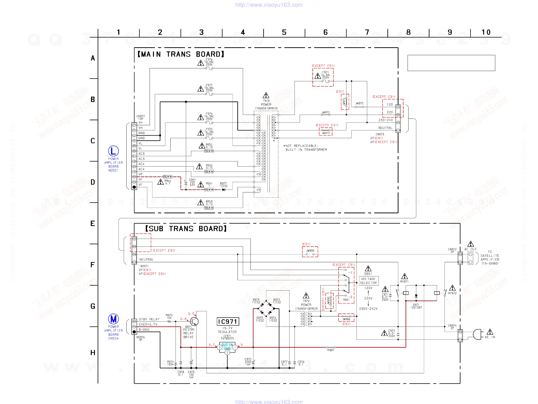
6-30. SCHEMATIC DIAGRAM – MAIN TRANS/SUB TRANS Board –
The components identified by mark 0 or dotted
line with mark 0 are critical for safety.
Replace only with part number specified.
Voltages are dc with respect to ground under no-signal
(detuned) conditions.
no mark : FM
(Page 36)
(Page 36)
w
w
w
.
x
i
a
o
y
u
1
6
3
.
c
o
m
Q
Q
3
7
6
3
1
5
1
5
0
9
9
2
8
9
4
2
9
8
T
E
L
1
3
9
4
2
2
9
6
5
1
3
9
9
2
8
9
4
2
9
8
0
5
1
5
1
3
6
7
3
Q
Q
TEL 13942296513 QQ 376315150 892498299
TEL 13942296513 QQ 376315150 892498299
http://www.xiaoyu163.com
http://www.xiaoyu163.com

Table of Contents

Related product manuals