EasyManua.ls Logo

Sony hcd-vx888 - Schematic Diagram - POWER AMP;SENSOR Board

Sony hcd-vx888
84 pages
Print Icon
To Next Page IconTo Next Page
To Next Page IconTo Next Page
To Previous Page IconTo Previous Page
To Previous Page IconTo Previous Page
Loading...
HCD-VX888
3636
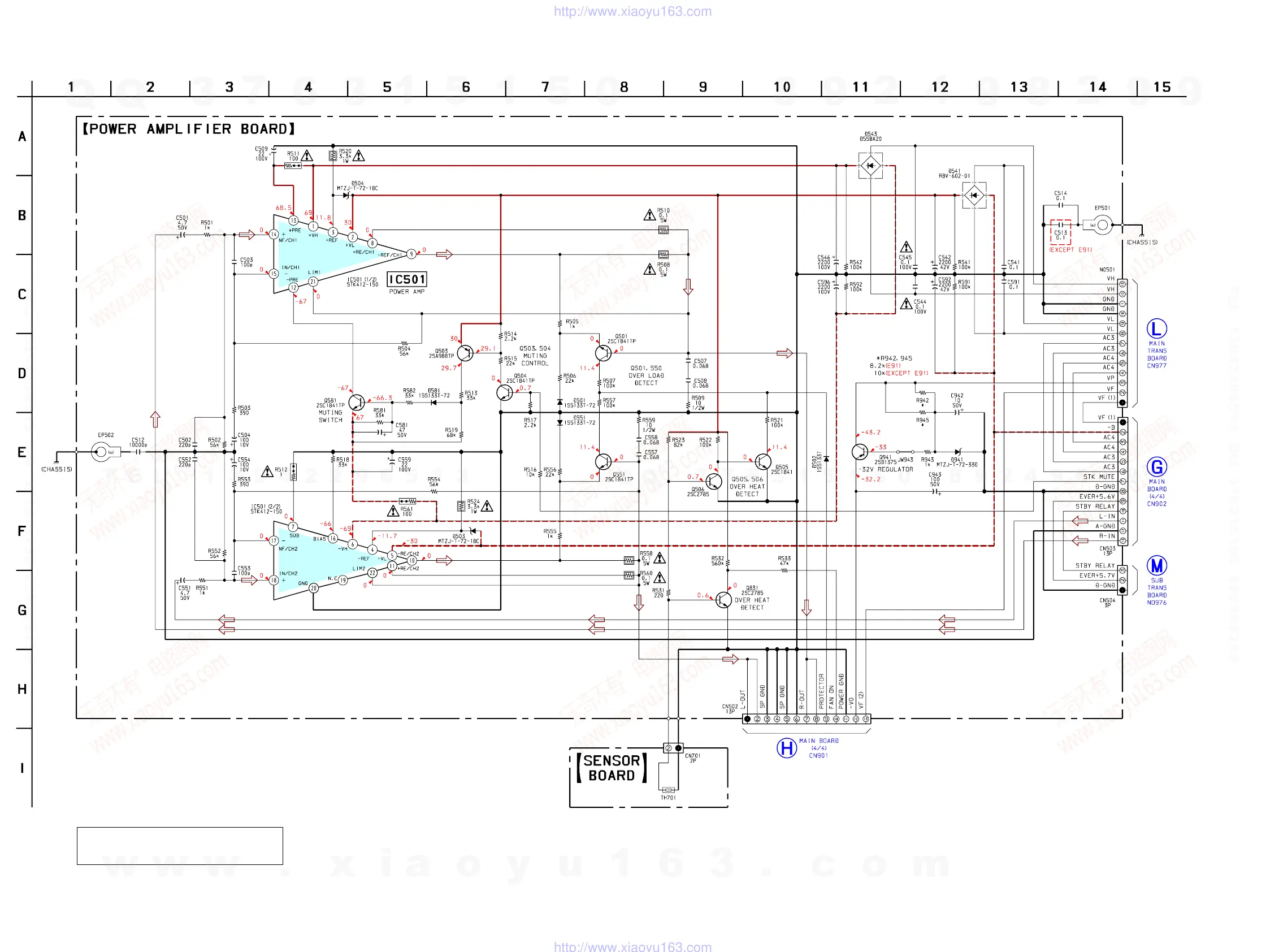
6-16. SCHEMATIC DIAGRAM POWER AMP/SENSOR Board
The components identified by mark 0 or dotted
line with mark 0 are critical for safety.
Replace only with part number specified.
Voltages are dc with respect to ground under no-signal
(detuned) conditions.
no mark : FM
(Page 33)
(Page 48)
(Page 33)
(Page 48)
w
w
w
.
x
i
a
o
y
u
1
6
3
.
c
o
m
Q
Q
3
7
6
3
1
5
1
5
0
9
9
2
8
9
4
2
9
8
T
E
L
1
3
9
4
2
2
9
6
5
1
3
9
9
2
8
9
4
2
9
8
0
5
1
5
1
3
6
7
3
Q
Q
TEL 13942296513 QQ 376315150 892498299
TEL 13942296513 QQ 376315150 892498299
http://www.xiaoyu163.com
http://www.xiaoyu163.com

Table of Contents

Related product manuals