EasyManua.ls Logo

Sony hcd-vx888 - Block Diagram - Video CD Section

Sony hcd-vx888
84 pages
Print Icon
To Next Page IconTo Next Page
To Next Page IconTo Next Page
To Previous Page IconTo Previous Page
To Previous Page IconTo Previous Page
Loading...
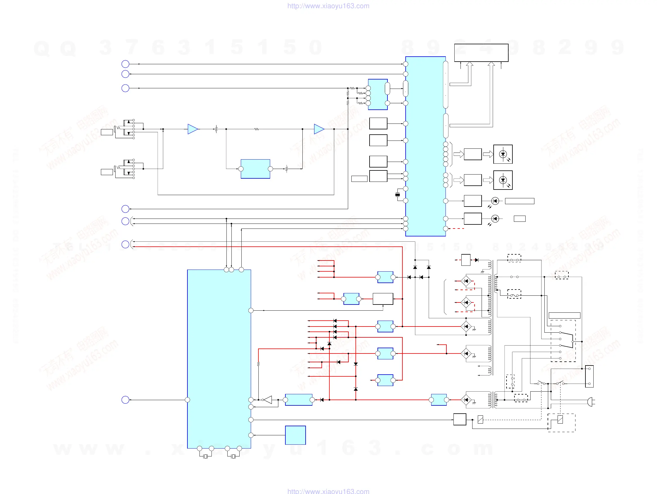
HCD-VX888
2626
6-4. BLOCK DIAGRAM VIDEO CD Section
78
76
73
64
113
4
5
6
SPEANA
BPF
FUNCTION
KEY
S768 781
IC602
65
55
57
54
56
58
FUNCTION
KEY
S753 767
LED
DRIVER
S601 605
D608, 609
D612 618
66
FUNCTION
KEY
ROTARY
ENCODER
S601 606
S791 795
80
79
VOLUME
S751
PAUSE REC/START
D751
X601
4MHz
83
82
FLOURESCENT
INDICATOR TUBE
DISPLAY CONTROLLER,
LED DRIVE
IC601
FL601
F1 F2
59
74
75
52
LED
DRIVER
S791 793
D791 793
LED
DRIVER
Q751
ENTER
D752
53
48
LED
DRIVER
Q752
VG
HEADPHONE
VIDEO
SWITCH
ALL BAND
KEY0
KEY1
KEY2
VOL A
VOL B
XIN
XOUT
60 IIC DATA
61 IIC CLOCK
77 RESET
5
ı
1
ı
93
100
17
ı
12
BPF 0
ı
BPF 5
G1
ı
G13
P1
ı
P39
71
ı
67
72
6
ı
10
12
ı
22
24
ı
41
43
ı
47
TUNER
CD
TAPE A/B
MD/VIDEO
GAME IN
DISC1
DISC2
DISC3
REC/PAUSE
ENTER
VKK
H
L
K
MAIN SECTION
(Page 24)
MAIN SECTION
(Page 24)
MAIN SECTION
(Page 24)
J
MAIN SECTION
(Page 24)
D
TUNER/CD SECTION
(Page 23)
I
MAIN SECTION
(Page 24)
F
VIDEO CD SECTION
(Page 25)
6
IC722 (2/2)
73
IC722 (1/2)
1
DIGITAL
ECHO AMP
IC721
2 9LPFIN
LPF2
OUT
MIC 2
J721
MIC 1
J722
412930
V
REG
D543
Q941
D977
D822
D824
D910
D911
F1
F2
D541
D901 904
120
S901
D906 909
D972 975
(EXCEPT E91)
(E91)
JW973
JW974
(EXCEPT E91)
(EXCEPT E91)
(EXCEPT IA)
AC IN
F971
220
230 240
120
220
230 240
AC OUT
TO
SATLLITE
AMPLIFIER
(TA-DX80)
VOLTAGE SELECTOR
+VH
VG
(32.2V)
VH
+VL
VL
POWER
AMP
(IC501)
T910
POWER
TRANSFORMER
T972
POWER
TRANSFORMER
+12V
REG
IC921
3 1
CD POWER
SWITCH
Q911, 912
+5V
REG
IC911
3 1
+5V
REG
IC951
3 1
+9V
REG
IC961
3 1
+5.7V
REG
IC971
EVER +5.7V
RY971
RY972
3 1
B+
(+13.9V)
(RY801)
A+12V
ST A+12V
MIC A+12V
TC A+12V
TC D+5V
+3.3V
VREF (IC501)
D +5V
VCC (IC501)
TC M+9V
CDM M+7V
LED +7V
AUDIO +5V
CD A+5V (SW)
CD D+5V (SW)
D952
D953
D509
D510
D920 922
D577
D579 D580
D508
D511
RESET SIGNAL
GENERATOR
IC502
Q575
3 11243
100
(EXCEPT E91)
JW990
84
4
10
X501
32.768kHz
11
38
RELAY
DRIVE
Q971
+3.3V
REG
IC616
3 1
REMOTE
CONTROL
RECEIVER
IC603
15
X502
16MHz
13
M RESET
IIC CLK
IIC DATA
RESET
AC CUT
STBY RELAY
SIRCS
CD POWER
SYSTEM CONTROLLER
IC501 (3/3)
XC IN XC OUT X IN X OUT
XRST
(E91)
JW986
STBY +5V
HEADPHONE SW
VIDEO SWITCH
SPEANA
MIC SIG
XRST
IIC DATA
IIC CLOCK
PROTECT
MOTOR B+
E3: 240V AC Area in Emodel
E91: 220V AC Area in Emodel
EA: Saudi Arabia model
SP 2/6: Singapore model
IA: Indonesia model
Abbreviation
JW972
w
w
w
.
x
i
a
o
y
u
1
6
3
.
c
o
m
Q
Q
3
7
6
3
1
5
1
5
0
9
9
2
8
9
4
2
9
8
T
E
L
1
3
9
4
2
2
9
6
5
1
3
9
9
2
8
9
4
2
9
8
0
5
1
5
1
3
6
7
3
Q
Q
TEL 13942296513 QQ 376315150 892498299
TEL 13942296513 QQ 376315150 892498299
http://www.xiaoyu163.com
http://www.xiaoyu163.com

Table of Contents

Related product manuals