EasyManua.ls Logo

Sony KD-32NS100B - Page 59

Sony KD-32NS100B
112 pages
Print Icon
To Next Page IconTo Next Page
To Next Page IconTo Next Page
To Previous Page IconTo Previous Page
To Previous Page IconTo Previous Page
Loading...
1 2 3 4 5 6 7 8 9
IC5300
TDA6111Q/N4
VBvb
12v
viVI
GND
IK
200V
VF
VO
VOF
1 2 3 4 5 6 7 8 9
IC5325
TDA6111Q/N4
VB
12V
VI
GND
IK
200V
VF
VO
VOF
1 2 3 4 5 6 7 8 9
IC5350
TDA6111Q/N4
VB
12V
VI
GND
IK
200V
VF
VO
VOF
Q5375
2SC1740S
VOLTAGE DET
Q5352
2SB709A
BUFFER
Q5301
2SB709A
BUFFER
Q5326
2SB709A
BUFFER
Q5300
2SC25510
STANDBY SWITCH
Q5325
2SC25510
STANDBY SWITCH
Q5351
2SC25510
STANDBY SWITCH
Q5350
DTA144ESA
POWER ON SWITCH
Q5376
2SA933AS
VOLTAGE DET
D5351
1SS133T
D5375
1SS133T
D5376
1SS133T
D5380
MTZJ-2.2A
D5379
MTZJ-2.2A
D5353
1SS83TD
D5302
1SS83TD
D5327
1SS83TD
D5377
GPO8DPKG23
D5378
MTZJ-13B
XX
D5352
D5325
1SS119
D5350
1SS119
D5300
1SS119
D5381
XX
1
CN5511
TAB(CONTACT)
1
CN5633
TAB(CONTACT)
1
2
3
4
5
6
7
8
CN5400
8P
R DRV
GND
G DRV
GND
B DRV
GND
+12V
IK
1
2
3
4
CN5600
G2 (+1100V)
+200V
GND
H1
XX
L5377
47uH
L5375
1uH
L5325
1uH
L5300
1uH
L5350
R5389
1k
1/4W
56k
R5379
33k
R5375
22k
R5307
22k
R5380
22k
R5332
22k
R5359
15k
R5361
2.2K
R5377
10k
R5376
10k
R5378
3.9k
R5306
3.9k
R5360
3.9k
R5331
2.2k
R5353
1.2k
R5354
1k
R5325
1k
R5350
1k
R5300
820
R5352
100
R5351
100
R5301
100
R5326
110M
RV5375
XX
RV5376
R5303
2.2k
2.2k
R5328
2.2k
R5356
2k
R5335
2k
R5309
2k
R5364
R5383
6.8
3W
R5384
6.8
3W
2.7k
R5334
2.7k
R5363
2.7k
R5310
2.2k
R5362
2.2k
R5333
2.2k
R5308
1.8k
R5381
3W
100k
R5305
3W
100k
R5330
3W
100k
R5358
3W
100
R5388
XX
R5387
XX
R5386
1/2W
220
R5304
1/2W
220
R5357
1/2W
220
R5329
1/2W
100
R5385
1/2W
100
R5382
68p
C5360
CH
68p
C5334
CH
68p
C5310
18p
C5307
CH
15p
C5357
15p
C5332
CH
6p
C5331
CH
6p
C5308
CH
4p
C5351
CH
4p
C5325
CH
4p
C5303
CH
4p
C5358
CH
47000p
C5353
F
47000p
C5301
F
47000p
C5359
F
47000p
C5333
F
47000p
C5309
F
4700p
C5306
4700p
C5352
B
4700p
C5326
B
2kV
680p
C5378
B
XX
C5382
2kV
4700p
C5379
E
400V
0.047
C5356
400V
0.047
C5330
400V
0.047
C5305
16V
470
C5354
16V
470
C5302
16V
470
C5328
XX
C5381
400V
1
C5329
400V
1
C5355
400V
1
C5304
22
C5350
50V
1
C5375
250V
10
C5380
2200p
C5377
1KV
R
100p
C5376
B
3 5
6
7
8
9
10
11
13
1
4
J5375
R5355
5MM
R5302
5MM
R5327
5MM
L5376
1
2
3
4
5
WHT
5P
CN5634
+200V
NC
GND
NC
H1
+12V
RED-VIDEO-OUT
GREEN-VIDEO-OUT
BLUE-VIDEO-OUT
external
TO COATING EARTH
FV FOCUS
TO FBT
C
C..-32DX/NS/NX100
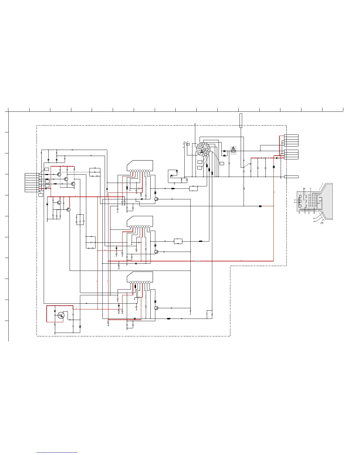
COMPONENTS MARKED AS 'XX' ARE NOT FITTED ON THIS MODEL
R, G, B CRT DRIVE
TO D BOARD
CN8614
R
G
B
R
R
+200V
TO A BOARD
CN1804
R
G
B
G
+200V
+12V
B
+200V
B
CV— KR— G1— G4—
HV—
H—
KG—
KB— G2—
V901
PICTURE
TUBE
TO D BOARD HV (T8800)
TO COATING EARTH
W76LLZ060X
TP5
TP6
TP4
TP1
TP2
TP3
TP7
+12V
+12V
+12V
A B C D E F
G
H I J K L M N
1
2
3
4
5
6
7
8
9
10
11
O P
- 59 -
~ C Board Schematic [ R, G, B CRT Drive ] ~

Table of Contents

Related product manuals