EasyManua.ls Logo

Sony RM-PJ25 - Page 93

Sony RM-PJ25
142 pages
Print Icon
To Next Page IconTo Next Page
To Next Page IconTo Next Page
To Previous Page IconTo Previous Page
To Previous Page IconTo Previous Page
Loading...
4-3
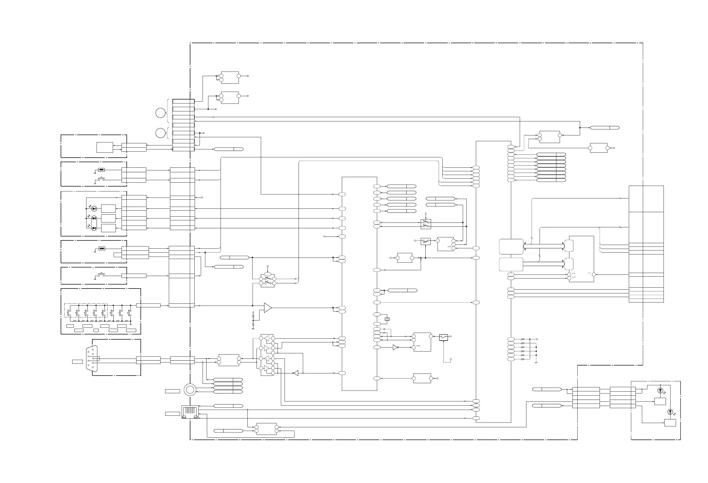
VPL-HW40ES
4-3
HA, HB, NF, QA (2/3), QB, TL, U, VHA, HB, NF, QA (2/3), QB, TL, U, V
S10
S11
ENTER
UP
DOWN
MENU
LEFT
CN70
U
S70
HA
CN11
S12
INPUT
S13
POWER
D20 LAMP MON
LED DRIVE
Q20
RIGHT
KEY 02
CN91
TXD
RXD
TXD
RXD
1
3
1
3
LAMP COVER1
S80
TH50
LED DRIVE
Q21
LED DRIVE
Q22
D21 ON/STB MON
NF
QA(2/3)
HB
QB
CN30
ECO 3.3V
SIRCS-NF
1
2
ECO 3.3V1
2
3
4
VCC
OUT
IC30
SIRCS RECEIVER
V
CN80
CN20
EXT TEMP1
TH60
TL
CN60
LAMP TEMP
LAMPCOVER OUT
LAMPCOVER IN
1
4
3
LAMP LED
STBY LED
POWER LED
KEY 0 6
LAMP COVER 8
CN702
ECO 3.3V 5
6
7
8
FILT COVER 3
EXT TEMP 1
CN703
LAMP TEMP
LAMPCOVER OUT
LAMPCOVER IN
1
4
3
LAMP LED
STBY LED
POWER LED
CN701
ECO 3.3V
ECO 3.3V
PEARL TXD
PEARL RXD
UART SW
CN90
RS232C
RS232C DRIVER
T2IN
R2OUT
T2OUT
R2IN
IC700
OYSTER TXD
OYSTER CHARGE SATUS
OYSTER RXD
IC702
42
4
FAN PROT
FAN STOP
FAN CONT0
FAN CONT1
FAN CONT2
FAN CONT3
IRIS CONT
HALL OUT
IC205 (2/2)
ADC & DAC & SCAN CONV.
IC409
AND
IO SDAT PEARL
IO SCLK PEARL
O PEARL RST
I VBLK
SDA HP
SCL HP
TXD0
RXD0
PORTA2
ADC6
ADC7
PORTA6
ADC4
IRRCVR0
PORTA4
PORTB7
DAC3
DAC2
DAC1
DAC0
PWM5
ADC1
D28
AK20
AJ20
C29
AJ21
AH11
FILT COVER
EXT TEMP
LAMP TEMP
LAMP COV
PEARL KEY0
PEARL SIRCS
Q700
SUB3.3V
BE RST
SUB 3.3V
RESET
IC600
SUB 3.3V
IC705
SUB CPU
IC602
EEPROM
Q602
RESETB
PORTC7
O SDATA1
O SCLK1
I SDATA1
I SCLK1
XTAL
EXTAL
O CHAGED TO PEARL
O NVM PR
O POWER ON
O EXCONT SW
IRQ POWER KEY
I POWER KEY
I SIRCS IRQ
I SIRCS
I SUB33V ERR
O LED3
O LED2
O LED1
O TXD EXT
I RXD EXT
I RXD
RES
IC704
EEPROM
Q702
Q701
ECO 3.3V
SUB 3.3V
SUB 3.3V
SUB 3.3V
PEARL SIRCS
PEARL KEY0
ECO 3.3V
MD2
IC706
ECO 3.3V
IC701
ECO 3.3V
IC707
COMP
1
3
+
_
X700
16.384MHz
PW DVS 1/3
FILT COVER3
I HDMI CEC
O HDMI CEC
E2
F27
EXTINT0
AF10
AH12
AG12
EMIT_DET
EMIT_STR
TWOWSC2L29
TWOWSD2L28
D30
E30
AJ23
AK23
AJ24
AK24
K30
AJ22
D0
|
D15
A1
|
A23
PW A[1-20]
IC605
FLASH MEMORY
Q0
|
Q15
A0
|
A19
OE
WE
CE
ROMOE
ROMWE
AK4, AK3, AJ4, AG5,
AK2, AJ3, AH4, AK1,
AJ2, AH3, AG4, AF5,
AH2, AG3, AF4, AE5
AJ1, AH1, AG1, AG2,
AF1-AF3, AE1-AE4,
AD1-AD5, AC1-AC5,
AB1,AB2
29-36,
38-45
1-9,
16-25,
48
28
11
26
AK5
AF6
NMI
CS0
CS1
AH9
AH6
AG6
VCC
SDA
SCL
WC
5
6
7
8
24
56
14
13
12
42
46
114
113
52
29
I PW DVS
41
19
28
38
23
21
4
3
51
77
10
1
81
82
54
109
57
117
115
110
SDA
SCL
WC
VCC
5
6
7
8
RESET 24
SUB 3.3V
IC408
DELAY
24
6
2
3,7
5
1
IC703
5
3
4
1
9
11
10
13
12
8
6
2
12
10
8
9
Y1
Y0
S
Z
1
3
6
4
1/3
CEC IN
DEBUG3
37 1/3LAMP CNT
O SYNC OUT
34 1/3LAMP CLK
1/3
CEC OUT
1/3
SDA_HP
1/3
SCL_HP
3/3
3/3
TXD
RXD
2/3
2/3
SIRCS
IR_OUT
3/3
EMIT_12V
1/3
LAMP COV
2/3
SIRCS
1/3
EMIT_SYNC
2/3
IR_OUT
3/3
MD2
GB BOARD
CN303
B
CN602
SUB6.2V
6.2V
PROT
PCONT
1
3
5
6
SUB5V
6.2V
IC401
5V REG
VOUTVIN
GA BOARD
CN105
C
100/200
ECO_VCC
ECO_ON
7
8
9
ECO_3.3V
SIRCS_NF
13
14
45
CONT1
A5V
IC405
5V REG
VOUTVIN 51
CONT3
POWER ON
3/3
PORTA3
PORTB4
D29
E27
3/3
3/3
3/3
3/3
3/3
3/3
3/3
3/3
D0-D15
B32,A32,
B31,A31,
B30,A30,
B29,A29,
B28,A28,
B27,A27,
B26,A26,
B25,A25
A1-A20
BHENN
A12,
B11,A11,
B10,A10,
B9,A9,
B8,A8,
B7,A7,
B6,A6,
B5,A5,
B4-B1,
B33
B13
BOOTWEB23
VPPENB24
FCENB22
NMIB21
CS0B18
CS1B19
RESETNB20
PW_A[1-20]
PW_A[1-23]
PW_A[21] FOR
EMULATOR
PW_A[22]
PW_A[23]
20
CN603
23
PW_D[0-15]
PW_D[0-15]
16
16
PW D[0-15]
ADR24B
SCAN_MODE
TEST_MODE2
TEST_MODE1
TEST_MODE0
EXT_RSTEN
E1
E6
D5
E5
D4
E3
J100
IR_IN
CN1000
3D SYNC
4
1
2
EM
CN1001
13V
13V
EMIT_CONT0
EMIT_CONT1
1
3
5
6
CN100
12V
12V
EMIT_CONT0
EMIT_CONT1
1
2
5
6
1/3
EMIT_12V
1/3
EMIT_SYNC2
SW
D106-108
Q101, Q105
D111-10 9
SW
Q103, Q107
HA, HB, NF, QA (2/3), QB, TL, U, V

Table of Contents

Related product manuals