EasyManua.ls Logo

Sony RM-PJ25 - Page 94

Sony RM-PJ25
142 pages
Print Icon
To Next Page IconTo Next Page
To Next Page IconTo Next Page
To Previous Page IconTo Previous Page
To Previous Page IconTo Previous Page
Loading...
4-4
VPL-HW40ES
4-4
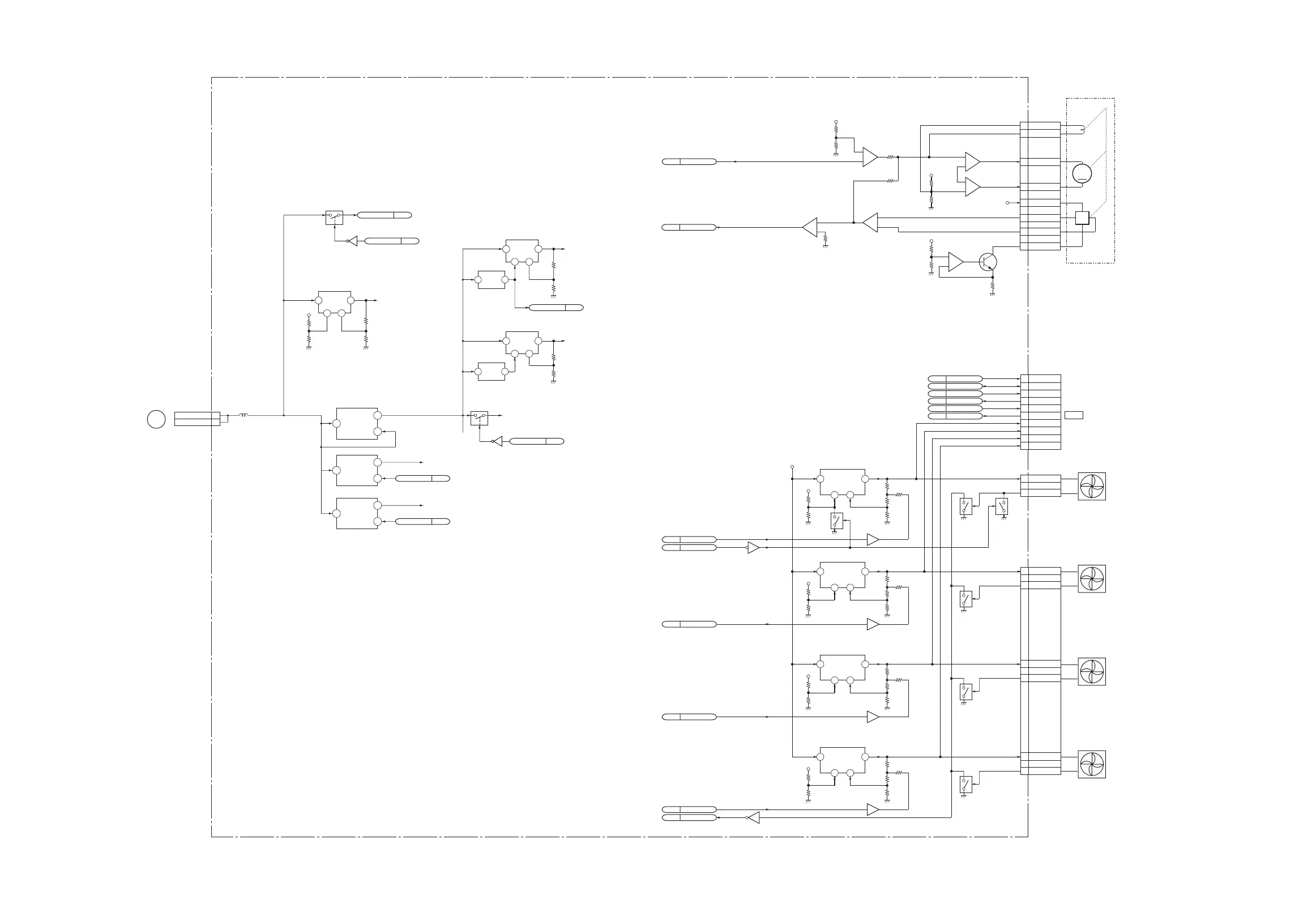
QA (3/3)QA (3/3)
QA(3/3)
SUB13V
6.2V
IC801
FAN REG
Q807
12V
12V
12V
FAN CONT2
FAN3
PROT3
1
2
CN801
CN800
FAN3
FAN2
IC804
FAN2
PROT2
4
5
FAN1
PROT1
7
8
FAN1
+
_
IC903
IRIS MOTOR DRIVER
IC903
IRIS MOTOR DRIVER
IC901
HALL BIAS
Q900
1
3
2
6
5
3
2
7
1
+
_
+
_
+
_
IC902
IRIS CONT AMP
IC902
HALL OUT AMP
+
_
IC901
HALL OUT AMP
7
7
5
5
6
6
3
1
2
+
_
DRIVE+
DRIVE-
3
1
HALL IN-
HALL OUT+
HALL OUT-
HALL IN+
CN900
7
8
6
5
DUMP+
DUMP-
4
2
IRIS MOTOR
M
H
12V
IC900
12V REG
12V
6.2V
VOUTVCC
EN
18
5
FB
2
VCC
EN FB
VOUT 18
5
2
2/3 IRIS CONT
2/3
2/3
2/3
1/3
1/3
2/3
FAN PROT
2/3
2/3 HALL OUT
SUB2.6V
IC407
2.6V REG
VOUTVCC
EN
18
5
FB
2
6.2V
IC802
FAN REG
Q805
FAN CONT1
IC804
VCC
EN FB
VOUT 18
52
2/3
6.2V
IC803
FAN REG
Q806
FAN CONT0
IC804
VCC
EN FB
VOUT 18
52
2/3
FAN4
FAN4
PROT4
1
2
6.2V
IC800
FAN REG
Q804 Q801
Q802
FAN CONT3
IC804
Q800
VCC
EN FB
VOUT 18
5
2
2/3
POWER ON
2/3
SUB1.8V ON
3/3
FAN STOP
2/3
Q803
CN700
FAN1
FAN2
FAN3
FAN4
5
6
7
8
SCL
SDA
SCL
SDA
2
3
TXD
RXD
TXD
RXD
11
12
MD2MD2 14
1/3
NCLC SEL 9
TOOL
POWER
SUPPLY
PANEL
EXHAUST
LAMP
D3.3V
SW
SUB3.3V
IC400
Q400
Q401
VIN8
6
EN 1
SW
IC406
VIN8
6
SUB1.8V ON
3/3
EN
1
FB401
RESET
IC404
24
RESET
IC403
24
POWER ON
2/3
EMIT_12V
2/3
Q1004
Q1005
SUB1.8V
POWER_ON
2/3
SW
IC1100
VIN8
6
EN 1
D1.2V
A1.8V
IC402
1.8V REG
VOUTVCC
EN
18
5
FB
2
SUB13V
SUB13V
1
2
CN400
GB BOARD
CN302
D
QA (3/3)

Table of Contents

Related product manuals