EasyManua.ls Logo

Sony RMT-D123A - Page 45

Sony RMT-D123A
142 pages
Print Icon
To Next Page IconTo Next Page
To Next Page IconTo Next Page
To Previous Page IconTo Previous Page
To Previous Page IconTo Previous Page
Loading...
DVP-CX860/CX870D
3-17 3-18
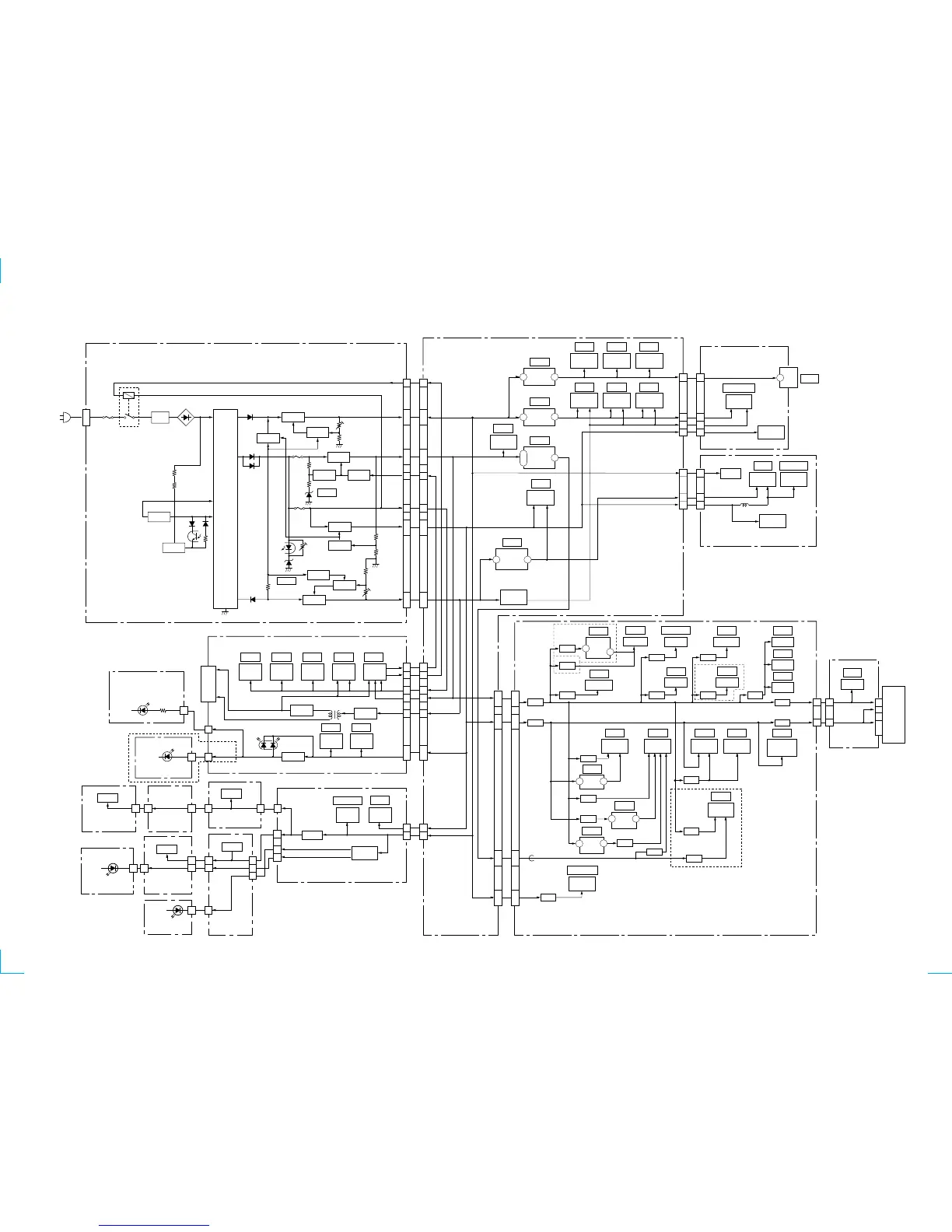
3-9. POWER BLOCK DIAGRAM
1 2
3
1
2
4
5
1
3
4
4
1 4
6
2
3
F1
25A/125V:US,CND
25A/250V:AEP,UK
AC IN
120240V
50/60Hz
CN1
SW1 (POWER)
L1,2
LINE
FILTER
D1114
MAIN RECT
T1
POWER TRANSFORMER
D101
11V RECT
Q101
Q104
SWITCH
SWITCH
SWITCH
SWITCH
SWITCH
D301,302
5V RECT
+11V REG
Q102,103
P302
1.6A
Q301
+3.3V REG
Q304
SHUNT REG
SHUNT REG
P301
2.0A
Q201
+5V REG
Q302
Q303
PC1
(2/2)
VR301
Q404
Q402
Q403
D401
11V RECT
11V REG
S-LINE
I/F
Q401
VR401
11V ADJ
SW11V
SWITCH
SWITCH
PC1 (1/2)
Q1
Q2
SWITCH
SWITCH
CN101
P DET
CN101
SW+11V
SW+3.3V
P CONT
EVER+5V
1
3
4
1
2
8
9
5
6
19
21
19
21
1
3
13
14
6
4
25
27
13
14
19
20
4
5
25
27
1
3
2
SW+5V
7
1
3
4
8
9
1
2
5
6
14
15
14
15
2
7
IC302
IC303
IC101 IC105 IC107 IC106IC104
IC103
IC102
IC001,002
IC003
IC301
IC401,402
IC302 IC502 IC803 IC802 IC403
IC103
IC101
IC102
IC404
IC504,505
IC105
IC104
IC107
IC102
IC103
IC101
IC203
IC206
IC207
IC202 IC204 IC205
IC208 IC209 IC210
IC401,402
IC902,903
IC402
IC901
IC601
IC303
IC001
IC506
IC503
IC701
REMOTE
SENSOR
RESET
FLD
DRIVE
IF
COM
Q105
DC/VX
CONV
T101
DC/DC CONV
Q101,102
DC/DC
CONV
AND GATE
S/P
CONV
Q103,104
LED DRIVE
D116
(POWER)
D401406
INDICATOR
CN403
CN301
CX870D
D301
(DOLBY)
CN101
LE+5V
CN103
LED+5V
ND101
PH161,162
SENSOR
SENSOR
SENSOR
SENSOR
44
3
33
3
3
3
8
TS-151 BOARD
(SEE PAGE 4-63)
+5V
+5V
+5V
CN161
CN191CN192
PH101
CN101
CN103
D281
(SENSOR)
CN281
CN262
CN261
CN223
CN221
CN222
VLTL
2
5
VLTR
VLTL
D241
(SENSOR)
2
8
7
1
14
2
1
PH261,262
PH221,222
4
1
2
7
8
4
CN003
CN002
Q008
MOTOR
DRIVER
+5V REG
VLTR
VLTL
AMP
Q006,007
BUFFER
CN004
CN102
7
9
7
9
CN307
+5V
SW+11V
CN102
FL507
MOTOR
DRIVER
CN502
SW+11V
FB507
V REG
FL503
FL501
FL701
FL702
FL801
REF VOLT GEN
/SPINDLE FG
DSP
CX870D
3.3V
REG
+3.3V
REG
FL504
FL502
FL301
FGA-C
FL601FL303FL102
FL505
32M FLASH
FL508
FL402
FL101
NAND
FLASH
AV
DECODER
ARP
FL404
BASE
UNIT
FL405
5V
CN404
3.3V
10
1
10
1
RESET
SYSTEM
CONTROL
EEPROM
CX870D
VGA
SERVO DSP
DRAM
SDRAM
PLL
3V
REG
FL104
Q204
VIDEO
BUFFER
FL103
CX860:US,CND
CX860:AEP,UK
CX870D
FL506
15
16
18
21
23
9
8
6
3
1
P CONT
P DET
EVER+5V
SW+3.3V
SW11V
SW+5V
CN308
SW+3.3V
SW+5V
1.8V
8V REG
5V
REG
VES
+8V REG
FL/FR
AMP
+5V REG
6CH DAC 2CH DAC
1.8V REG
SL/SR
AMP
C/SW,SW
AMP
CN203
A+5V
+8V
8V
SW+5V
CN103
AUDIO OUT
AMP
LFE DAC
14
4
6
11
14
4
6
11
3
14
2
13
2
14
SW+11V
-5V
SW+5V
RY401,401
Q907
SIGNAL
SELECTER
DIGITAL OUT
AMP
RGB
BUFFER
R/C, Y/V
SELECTER
L904
RY901906
SIGNAL
SELECT
CH-98 BOARD
(SEE PAGE 4-45)
ER-12 BOARD
(SEE PAGE 4-49)
TK-59 BOARD
(SEE PAGE 4-9)
MB-94 BOARD
(SEE PAGE 4-13,15,17,19,21,
23,25,27,29,31)
CK-97 BOARD
(SEE PAGE 4-57)
LT-37 BOARD
(SEE PAGE 4-69)
LE-30 BOARD
(SEE PAGE 4-77)
FL-115 BOARD
(SEE PAGE 4-73)
FR-173 BOARD
AI-20 BOARD
(SEE PAGE 4-33,35,37)
DA-29 BOARD
(SEE PAGE 4-64)
DM-96 BOARD
(SEE PAGE 4-64)
LT-38 BOARD
(SEE PAGE 4-70)
LS-55 BOARD
(SEE PAGE 4-69)
CS-57 BOARD
(SEE PAGE 4-70)
SSI
2
1
(SEE PAGE 4-83)
(SEE PAGE 4-77,79)
POWER BLOCK
VR101
+11V ADJ
16

Table of Contents

Related product manuals