EasyManua.ls Logo

Sony RMT-D123A - Audio

Sony RMT-D123A
142 pages
Print Icon
To Next Page IconTo Next Page
To Next Page IconTo Next Page
To Previous Page IconTo Previous Page
To Previous Page IconTo Previous Page
Loading...
DVP-CX860/CX870D
4-49 4-50
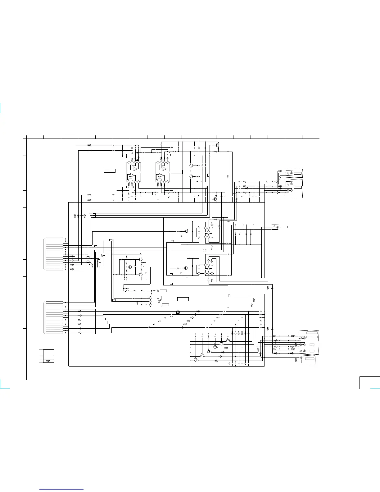
AUDIO
CH-98
C441
*
Q405
*
1
2
3
C438
*
D402
*
1
2
R433
*
R439
*
RY402
*
1
8
3
24
6
7
5
C445
*
C444
*
C442
*
C439
*
C443
*
C440
*
100p
C462
100p
C466
1SS355TE-17
D401
1
2
FB401
FB402
220k
R459
1
R
3
GND
2
L
220k
R462
JL409
47k
R438
2SD601A-QRS-TX
Q404
1
2
3
JL408
RY401
1
8
3
24
6
7
5
1k
R432
JL407
100
R416
Q403
*
1
2
3
68
R421
JL404
C405
*
1k
R405
R422
*
C408
*
2SC2712-YG-TE85L
Q402
1
2
3
C419*
1k
R408
*
C409
*
C418
*
JL406
1k
R409
R410
*
47p
C421
JL405
R412
*
J401
2
A
1
B
Q401
*
1
2
3
R411
*
0
R417
C404
*
IC402
1
D IN
2
VCC
3
GND
R425
*
C453
*
C430
*
R465
*
C406
*
*
C402
*
R427
*
C447
*
0.01u
B
C435
± 2%
8200
R401
R423
*
C410
IC403
*
1234
5678
± 2%
10k
R407
100p
C468
R449
*
470
R435
C417
*
16V
100u
C436
C431
*
R466
C420
*
R424
*
C429
*
100p
C458
C464
*
R446
*
C449
*
C432
*
R445
*
47k
R437
± 2%
8200
R404
2SD1938(F)-T(TX).SO
Q407
1
2
3
1500
R414
100k
R448
C415
*
R426
*
R463
*
100p
C461
47k
R436
C423
*
C412
*
R451
*
560p
C414
*
C422
*
IC401
*
1234
5678
± 2%
8200
R403
± 2%
10k
R419
0.01u
B
C434
Q412
*
1
2
3
C451
*
470
R434
470
R464
C446
*
C448
*
± 2%
8200
R402
1500
R413
C416
*
C426
*
C433
*
1500
R415
2SD1938(F)-T(TX).SO
Q406
1
2
3
1
1R
4
2R
3
1GND
2
1L
6
2GND
5
2L
1500
R418
16V
100u
C437
C425
*
± 2%
10k
R420
± 2%
10k
R406
Q413
*
1
2
3
C403
*
C411
*
C428
*
C407
*
4700
R444
JL401
JL402
JL403
R475
*
R450
*
C457
*
Q414
*
1
2
3
R455
*
R471
*
Q408
*
1
2
3
C456
*
R456
*
Q415
*
1
2
3
R453
*
C450
*
Q409
*
1
2
3
R452
*
C455
*
R457
*
R472
*
R443
*
R460
*
R473
*
Q410
*
1
2
3
R461
*
C454
*
R458
*
R454
*
R474
*
R447
*
Q411
*
1
2
3
R467
*
R470
*
C452
*
JL412
JL413
JL414
JL415
470
R487
470
R488
R489
*
R490
*
JL416
JL417
JL418
JL420
JL419
JL421
JL423
JL424
JL425
JL426
JL427
JL428
JL430
JL429
JL431
JL432
JL433
JL434
JL435
JL436
JL437
JL438
JL439
JL442
JL440
JL441
1
R
3
GND
2
L
0
R495
C472
*
0.01u
B
C473
16V
47u
C474
16V
47u
C475
16V
47u
C476
0.01u
B
C478
0.01u
B
C477
FB403
*
FB405
FB404
*
FB406
FB409
*
FB407
*
FB410
*
FB412
*
FB408
*
FB411
*
15PCN402
1
2
3
4
5
6
7
8
9
10
11
12
13
14
15
15PCN401
1
2
3
4
5
6
7
8
9
10
11
12
13
14
15
JS402
*
JS401
*
R469
*
B+
B-
B+
B+
B+
B+
B+
B+
B-
B+
B-
1
A
B-
B-
L
R
6CHMUTE
GND
GND
SL
GND
SR
GND
GND
SPDIF
A+5V
GND
MEGA_INSEL
SW+5V
2CHMUTE
LCHMUTE
FS2
2CHL +
-8V
2CHL -
+8V
2CHR +
GND
2CHR -
AUDIO IN
FL
FR
SL
SR
C/SW
SW
-8V
MEGA MUTE
SW+5V
2CH MUTE
ERAUDIOL
GND
ERAUDIOR
2CHL-
2CHL+
2CHR+
2CHR-
LCHMUTE
FS2
-8V
+8V
6CH MUTE
L-IN
R-IN
FR
FL
FL
FR
ERAUDIOL
ERAUDIOR
R
R
L
L
R
R
L
LR
RL
(2CH)
(1CH)
LR
C/SW
SW
FL
FR
16
IC401
AMP
AMP
IC403
TO AI-20
BOARD(2/3)
CN203
(SEE PAGE
4-36)
COAXIAL
CX860:GP1FA550TZ
CX870D:GP1FA551TZ
OPTICAL
DIGITAL OUT
IC402
CN202
4-36)
TO AI-20
(SEE PAGE
BOARD(2/3)
SIGNAL PATH
PB
CENTER/WOOFER
REAR
FRONT
5.1CH OUT PUT
J405
CX870D MODEL
WOOFER OUT
AEP,UK MODELJ406
J403
AUDIO OUT
US,CND MODEL
AUDIO OUT
J404
AEP,UK MODEL
J402
MUTE
MUTE
MUTE
SWITCH
SWITCH
Q408-411.414-415
MUTE
CH-98 BOARD
AUDIO
-REF.NO.:1000 SERIES-
The mount table of the parts
with asterisk (*) is shown on
Page 4-84.
Q401-403
BBUFFER
10
G
H
5 13
M
L
6
E
38
B
12
D
C
924 7
J
N
I
1716
F
K
11 1514
0.8
0
0
0
0.8
0.1
4.9
0.1
0.8
5.0
3.6
2.9
2.5
2.0
1.4
1.6
5.0
0
-9.7
-9.7
-9.7
-9.7
-9.7
-9.7
0
0
0
0
0
0
0.1
SIGNAL
AUDIO
MUTE
1.3
0
-9.9
1.3
1.3
0
1.3
8.1
-9.9
0
0
0
8.1
0
0
0
0.8
NO MARK:PB MODE

Table of Contents

Related product manuals