EasyManua.ls Logo

Sony SLV-D910AZ - A2;Nicam

Sony SLV-D910AZ
135 pages
Print Icon
To Next Page IconTo Next Page
To Next Page IconTo Next Page
To Previous Page IconTo Previous Page
To Previous Page IconTo Previous Page
Loading...
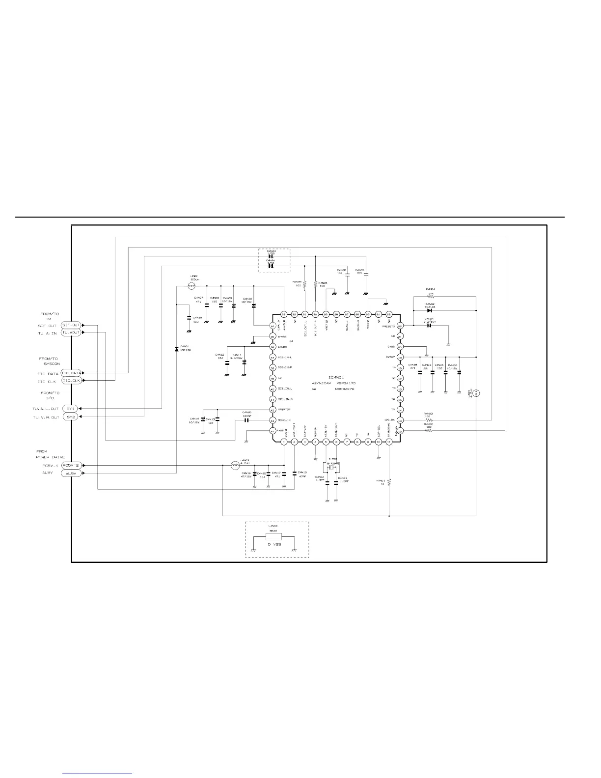
5-4 A2/NICAM
5-11 5-12

Table of Contents

Related product manuals