EasyManua.ls Logo

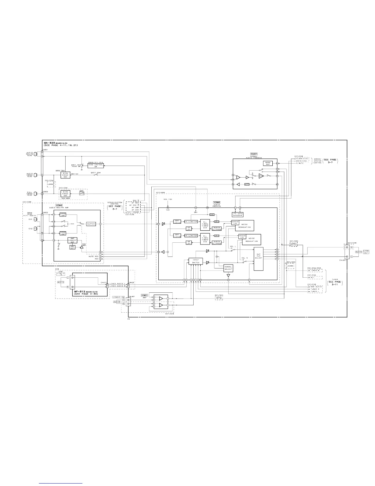
Sony SLV-ED1PL - 3-5. AUDIO BLOCK DIAGRAM

Sony SLV-ED1PL
135 pages
Print Icon
To Next Page IconTo Next Page
To Next Page IconTo Next Page
To Previous Page IconTo Previous Page
To Previous Page IconTo Previous Page
Loading...
SLV-ED1/ED4/ED7/ED8
3-103-9
3-5. AUDIO BLOCK DIAGRAM

Table of Contents

Related product manuals