EasyManua.ls Logo

Sony SLV-ED1PL - MA-323 (POWER SUPPLY) SCHEMATIC DIAGRAM

Sony SLV-ED1PL
135 pages
Print Icon
To Next Page IconTo Next Page
To Next Page IconTo Next Page
To Previous Page IconTo Previous Page
To Previous Page IconTo Previous Page
Loading...
SLV-ED1/ED4/ED7/ED8
4-29 4-30
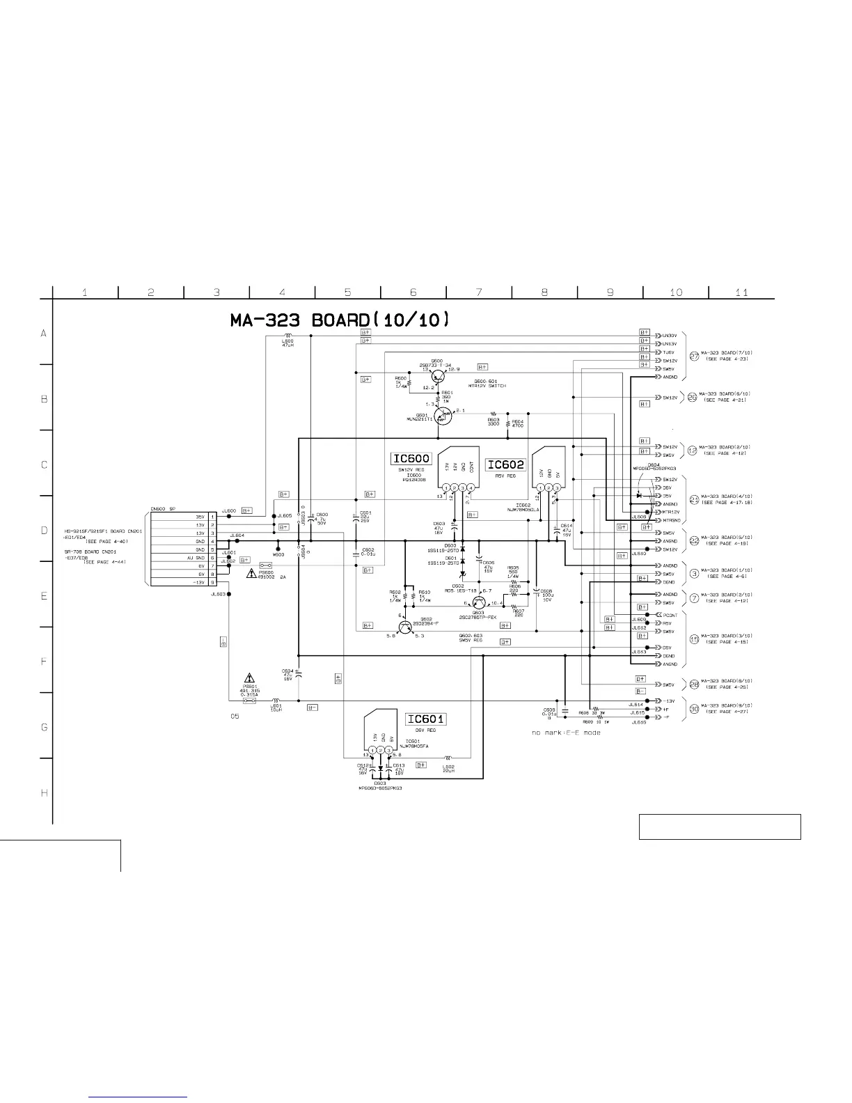
MA-323 (POWER SUPPLY) SCHEMATIC DIAGRAM See page 4-9 to 4-10 for printed wiring board.
– Ref. No.: MA-323 board; 2,000 series –
POWER SUPPLY
MA-323 (10/10)
Note:The components identified by mark ! or dotted line
with mark ! are critical for safety.
Replace only with part number specified.

Table of Contents

Related product manuals