EasyManua.ls Logo

Sony SLV-ED1PL - 4-2. PRINTED WIRING BOARD AND SCHEMATIC DIAGRAMS; MA-323 (HEAD AMP) SCHEMATIC DIAGRAM

Sony SLV-ED1PL
135 pages
Print Icon
To Next Page IconTo Next Page
To Next Page IconTo Next Page
To Previous Page IconTo Previous Page
To Previous Page IconTo Previous Page
Loading...
SLV-ED1/ED4/ED7/ED8
4-5 4-6
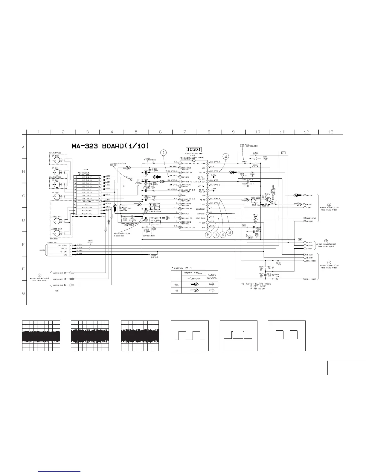
4-2. PRINTED WIRING BOARD AND SCHEMATIC DIAGRAMS
MA-323 (HEAD AMP) SCHEMATIC DIAGRAM See page 4-9 to 4-10 for printed wiring board.
– Ref. No.: MA-323 board; 2,000 series –
HEAD AMP
MA-323 (1/10)
• Waveforms
1 IC501 4 REC
2 IC501 @• REC 3 IC501 @™ PB 4 IC501 REC/PB 5 IC501 !• REC/PB 6 IC501 REC/PB
2.8 Vp-p (H)
100m Vp-p (H)
800m Vp-p (H)
4.6 Vp-p (2 V)
2.2 Vp-p (H)
5.2 Vp-p (2 V)

Table of Contents

Related product manuals