EasyManua.ls Logo

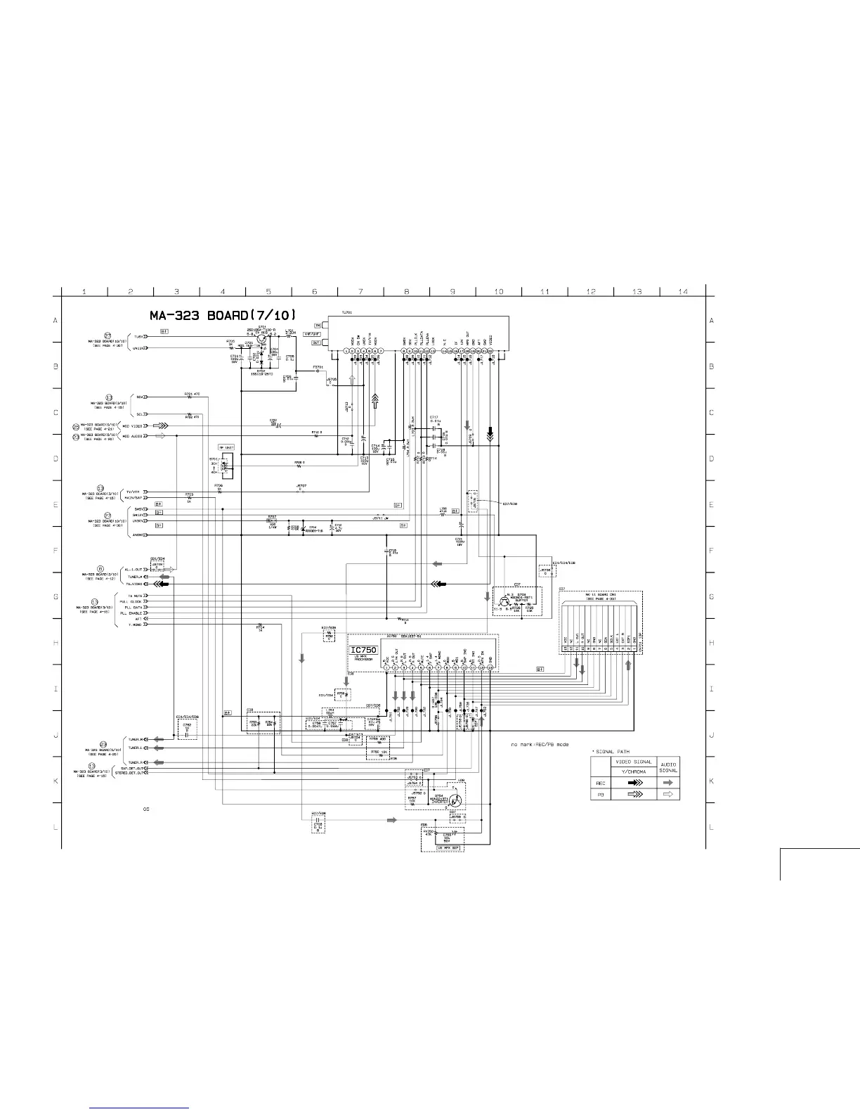
Sony SLV-ED1PL - MA-323 (TUNER) SCHEMATIC DIAGRAM

Sony SLV-ED1PL
135 pages
Print Icon
To Next Page IconTo Next Page
To Next Page IconTo Next Page
To Previous Page IconTo Previous Page
To Previous Page IconTo Previous Page
Loading...
SLV-ED1/ED4/ED7/ED8
4-23 4-24
MA-323 (TUNER) SCHEMATIC DIAGRAM See page 4-9 to 4-10 for printed wiring board.
– Ref. No.: MA-323 board; 2,000 series –
TUNER
MA-323 (7/10)

Table of Contents

Related product manuals