EasyManua.ls Logo

Sony STR-DA6400ES - Schematic Diagram - BIAS Board

Sony STR-DA6400ES
252 pages
Print Icon
To Next Page IconTo Next Page
To Next Page IconTo Next Page
To Previous Page IconTo Previous Page
To Previous Page IconTo Previous Page
Loading...
STR-DA6400ES
STR-DA6400ES
107107
BR
CN1704
BOARD
PROTECTOR (SURR)
BS
CN1501
BOARD
PROTECTOR (F-C)
BT
CN1503
BOARD
PROTECTOR (F-C)
BU
CN1801
BOARD
PROTECTOR (SB)
AH
CN1907
(1/2)
A-CLASS AMP BOARD
CN1908
(2/2)
A-CLASS AMP BOARD
AM
BIAS ALIGNMENT BIAS ALIGNMENT BIAS ALIGNMENT BIAS ALIGNMENT BIAS ALIGNMENT BIAS ALIGNMENT BIAS ALIGNMENT
-59.5
-60
-1-1-1-1
-1
-1-1
15
14.3
13.7
-14.9
-9.3
-13.5
14.2
0
0
-59.9
-0.5
-0.5
-0.5
-0.5
-0.5
-0.5
-0.5
14.9
3.3
3.1
1.1
1.1
1.11.1
1.1
1.1
1.1
0
2.1
-13.5
15
25V
47
C1521
25V
47
C1571
25V
47
C1621
25V
47
C1721
25V
47
C1771
25V
47
C1821
25V
47
C1871
50V
22
C1905
47p
C1907
VDD
VSS
47p
C1908
RV1501
RV1551
RV1601
RV1701
RV1851
1k
R1923
10k
R1919
12k
R1916
22k
R1911
22k
R1914
22k
R1915
470K
R1917
1k
R1522
1k
R1572
1k
R1622
1k
R1722
1k
R1772
1k
R1822
1k
R1872
3.3k
R1521
3.3k
R1571
3.3k
R1621
3.3k
R1721
3.3k
R1771
3.3k
R1821
3.3k
R1871
47k
R1524
47k
R1574
47k
R1624
47k
R1724
47k
R1774
47k
R1824
47k
R1874
4P
CN1910
NC
NC
NC
NC
8P
CN1513
FL BIAS+
FL BIAS+
FL BIAS-
FL BIAS-
C BIAS+
C BIAS+
C BIAS-
C BIAS-
1SS133T-72
D1905
DTC124ESA-TP
Q1908
LIMITTER DETECT
Q1907, 1908
2SA1038S-RSE-TP
Q1906
2SA1038S-RSE-TP
Q1907
8765
4321
NJM4565D
IC1901
14P
CN1705
SR BIAS+
SR BIAS+
SR BIAS-
SR BIAS-
SL BIAS+
SL BIAS+
SL BIAS-
SL BIAS-
+15V
GND
LIMT
4/8
SHORT
DC
14P
CN1803
+15V
GND
DC
SHORT
4/8
LIMT
SBR BIAS+
SBR BIAS+
SBR BIAS-
SBR BIAS-
SBL BIAS+
SBL BIAS+
SBL BIAS-
SBL BIAS-
10P
CN1512
FR BIAS+
FR BIAS+
FR BIAS-
FR BIAS-
DC
SHORT
4/8
LIMT
+15V
GND
8P
CN1911
4/8
-B
GND
GND
+15V
-15V
LIMITER
PROTECT
47k
R1918
BIAS BOARD
IC1901
LIMITTER
A
1012
H
B
1311
C
78
F
9643
G
D
5
E
12
9
10
11
12
13
14
1
2
3
4
5
6
7
8
1
2
3
4
9
10
1
2
3
4
5
6
7
8
1
2
3
4
5
6
7
8
9
10
11
12
13
14
1
2
3
4
5
6
7
8
1
2
3
4
5
6
7
8
220
RV1751
220 220 220 220 220
RV1801
220
Q1821
BIAS
BIAS
Q1871
2SC4495
2SC4495
2SC4495
2SC4495
2SC4495
2SC4495
2SC4495
Q1771
BIAS
Q1721
BIAS
Q1571
BIAS
Q1521
BIAS
Q1621
BIAS
6.3V
470
C1906
10k
R1913
LEVEL DETECT
Q1904-1906
10k
R1912
1SS133T-72
D1904
1SS133T-72
D1910
2SC1815GR-TPE2
Q1904
1SS133T-72
D1908
1SS133T-72
D1909
10k
R1929
2SC1841TP-PAFAEA
Q1905
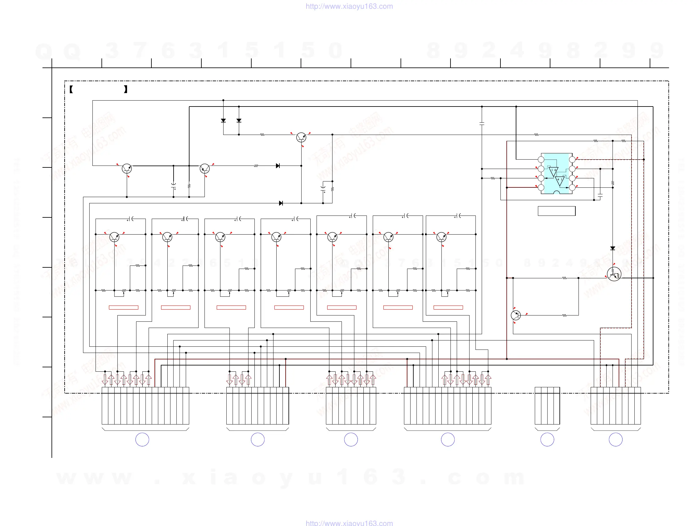
6-79. SCHEMATIC DIAGRAM - BIAS Board -
(Page 124)
(Page 123)
(Page 123)
(Page 124)
(Page 70)
(Page 71)
w
w
w
.
x
i
a
o
y
u
1
6
3
.
c
o
m
Q
Q
3
7
6
3
1
5
1
5
0
9
9
2
8
9
4
2
9
8
T
E
L
1
3
9
4
2
2
9
6
5
1
3
9
9
2
8
9
4
2
9
8
0
5
1
5
1
3
6
7
3
Q
Q
TEL 13942296513 QQ 376315150 892498299
TEL 13942296513 QQ 376315150 892498299
http://www.xiaoyu163.com
http://www.xiaoyu163.com

Table of Contents

Other manuals for Sony STR-DA6400ES

Related product manuals