EasyManua.ls Logo

Sony STR-DA6400ES - Schematic Diagram - A-CLASS Board (2;2)

Sony STR-DA6400ES
252 pages
Print Icon
To Next Page IconTo Next Page
To Next Page IconTo Next Page
To Previous Page IconTo Previous Page
To Previous Page IconTo Previous Page
Loading...
STR-DA6400ES
STR-DA6400ES
7171
41
A CLASS
AMP
BOARD
(1/2)
AL
POWER
AMP
BOARD
CN1904
AM
BIAS
BOARD
CN1911
AN
TEMPERATURE
DETECTION
BOARD
CN1902
AP
CONNECTOR2
BOARD
CN1206
-59.1 -59.1
-58.4
-59.1 -59.1
-58.3
-54.6
-53.5
-9
-1
-0.5
-0.5
57.7
57.3
57.3
57.7
58.3
57.7
57.7
58.3
1
57.3
58.3
-53.9
-53.6
-8.9
-0.8
-0.3
-0.3
57.7
57.4
57.4
57.7
58.4
57.7
57.7
58.4
1
57.4
57.9
58.2
57.9
57.9
57.9
57.7
58.2
57.7
57.7
58.2
-0.8
-0.4
-0.4
57.7
57.9
-54
-53.6
-9.1
0
3.1
14.9 14.9
14.3
4.9 14.9
0
0
0
0
3.7
0
3.7
0
1.7
0.9
4.2
4.9
1.4
0.9
4.2
2SC2229-OY
Q1854
2.2k
R1607
33k
R1909
2SA949-OY
Q1805
2SA1038S-RSE-TP
Q1853
3.3k
R1922
500V
5p
C1811
25V
100
C1610
1k
R1601
100k
R1852
100k
R1549
220
R1804
2SD774-T-34
Q1903
25V
100
C1860
1k
R1931
HN4C06J
Q1851
2SC2229-OY
Q1804
100
R1811
50V
4.7
C1801
3.3k
R1856
12P
CN1906
2SD774-T-34
Q1902
Q1902, 1903
LIMITTER DETECT
100p 500V
C1852
1kR1920
100k
R1802
2.2k
R1857
100p
C1853
1SS133T-72
D1903
3.3k
R1806
220
R1803
680p
C1854
2SA1038S-RSE-TP
Q1803
100p
500V
C1802
22k
R1906
1k
R1851
DTC143TSA-TP
Q1910
Q1910, 1911
LIMITTER DETECT
25V
100
C1605
100p
C1803
2.2k
R1807
2SA1038S-RSE-TP
Q1603
25V
330
C1858
680p
C1804
25V
100
C1855
22k
R1904
2SA949-OY
Q1605
2SA1038S-RSE-TP
Q1802
500V
5p
C1865
220
R1604
1k
R1801
220
R1854
1SS133T-72
D1902
2SA1038S-RSE-TP
Q1602
500V
5p
C1615
0.1
C1912
22k
R1902
2SC2229-OY
Q1604
Q1601-1605
PRE DRIVE
500V
5p
C1861
25V
330
C1808
100k
R1602
R1927
10k
22k
R1924
2SA949-OY
Q1855
220
R1603
22k
R1901
3.3k
R1606
220
R1853
100p
C1602
10
R1903
50V
4.7
C1601
HN4C06J
Q1601
100
R1611
100
R1861
8
7
65
4
32
1
NJM4565DIC1902
VSS
VDD
100k
R1907
50V
680p
C1604
1SS133T-72
D1901
1
2
3
4
5
6
7
8
8P
CN1908
4/8
-B
GND
GND
+15V
-15V
LIMITER
PROTECT
5P
CN1909
500V
7p
C1807
I
O
G
IC1904 TA78L05S
R1925
47k
MTZJ-T-72-6.2
D1851
MTZJ-T-72-6.2
D1801
MTZJ-T-72-6.2
D1601
330
R1805
330
R1605
330
R1855
27k
R1609
27k
R1809
27k
R1859
10k
R1812
10k
R1862
10k
R1612
3.9k
R1813
3.9k
R1613
3.9k
R1863
100k
R1814
100k
R1614
100k
R1864
1SS133T-72
D1907
1SS133T-72
D1911
R1936
5.6k
10k
R1930
1
2
3
4
5
4
3
1
5
6
7
8
9
10
11
12
13
14
15
15P
CN1505
R1910
22k
DTC124ESA-TP
Q1913
DTC124ESA-TP
Q1912
DTC124ESA-TP
Q1911
10k
R1932
82k
R1921
2.2k
R1937
16V
10
C1911
2
1
A-CLASS AMP BOARD
(2/2)
+5V REGULATOR
IC1904
LIMITTER
IC1902
C BIAS+
C BIAS-
C SPOUT
SBR BIAS+
SBR BIAS-
SBR SPOUT
SBL BIAS+
SBL BIAS-
SBLSPOUT
+B
AGND
-B
500V
7p
C1607
25V
330
C1608
500V
1/3W
1/3W
1/3W
7p
C1857
PROTECT
TEMP 4/8
-15V
+15V
GND
4/8
GND
SBL
GND
GND
SBR
GND
GND
C
GND
2SA1038S-RSE-TP
Q1852
Q1851-1855
PRE DRIVE
-1
-2
-1
-2
-1
-2
3
2
1
DTC124ESA-TP
Q1914
INVERTER
2SA1038S-RSE-TP
Q1901
Q1901
LIMITTER DETECT
25V
100
C1810
25V
100
C1805
500V
5p
C1815
100V
22
C1901
100V
22
C1902
HN4C06J
Q1801
Q1801-1805
PRE DRIVE
R1908
2.2k 2W
R1905
820 2W
R1934
500V
5p
C1611
100p
C1603
50V
4.7
C1851
+7V
GND
TEMP1
TEMP2
12
11
10
9
8
7
6
5
4
3
2
1
A
1012
J
H
B
1311
C
78
I
14
F
9643
G
D
5
E
12
Q1912, 1913
LIMITTER DETECT
1/2W
1/2W
1/3W
1/2W
1/3W
1/2W
1/3W
1/2W
1/2W
1/2W
1/2W
1/2W
270 2W
500V
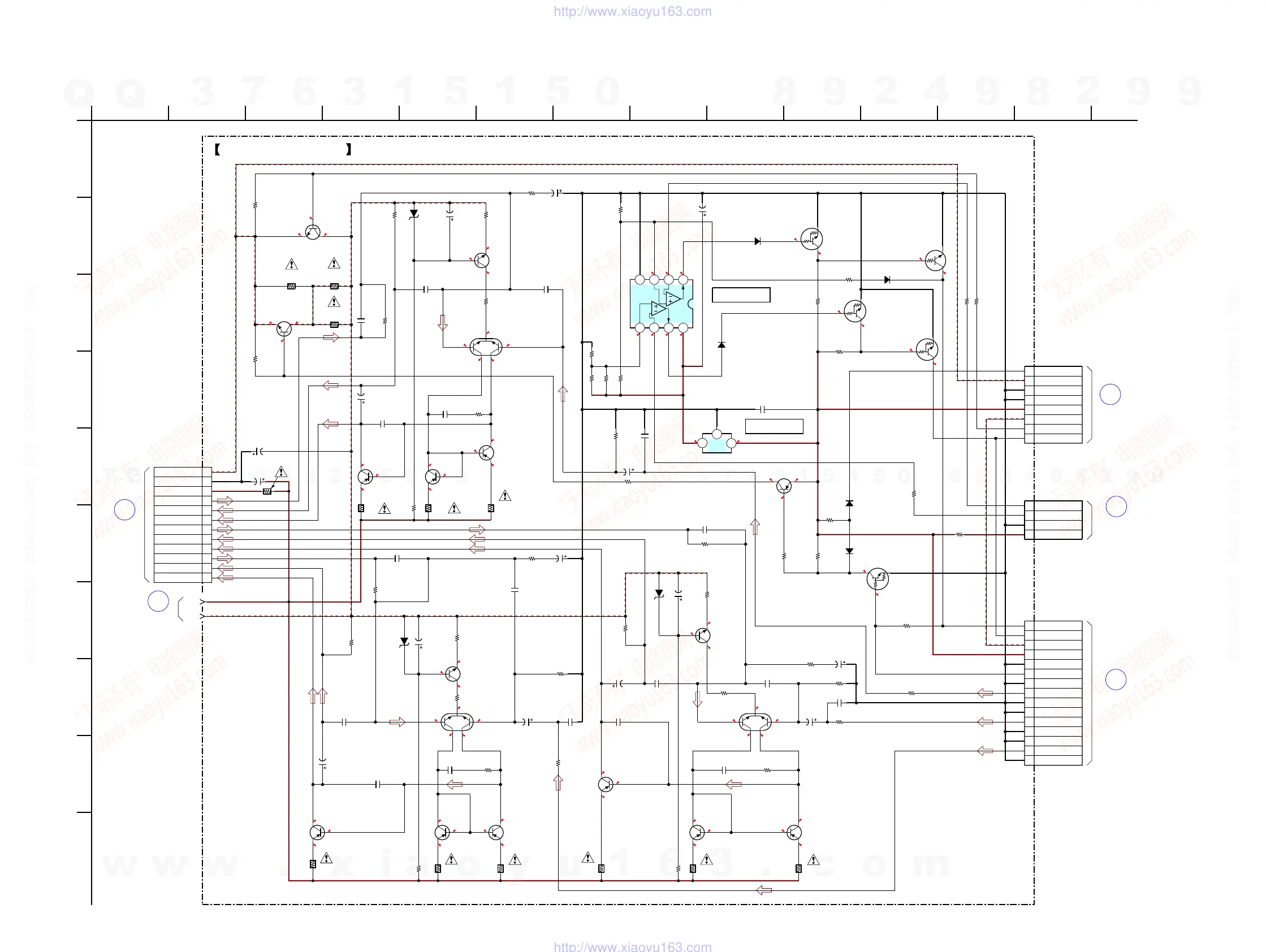
6-42. SCHEMATIC DIAGRAM - A-CLASS Board (2/2) -
(Page 83)
(Page 70)
(Page 107)
(Page 112)
(Page 105)
w
w
w
.
x
i
a
o
y
u
1
6
3
.
c
o
m
Q
Q
3
7
6
3
1
5
1
5
0
9
9
2
8
9
4
2
9
8
T
E
L
1
3
9
4
2
2
9
6
5
1
3
9
9
2
8
9
4
2
9
8
0
5
1
5
1
3
6
7
3
Q
Q
TEL 13942296513 QQ 376315150 892498299
TEL 13942296513 QQ 376315150 892498299
http://www.xiaoyu163.com
http://www.xiaoyu163.com

Table of Contents

Other manuals for Sony STR-DA6400ES

Related product manuals