EasyManua.ls Logo

Sony STR-DA6400ES - Schematic Diagram - ANALOG Board (2;4)

Sony STR-DA6400ES
252 pages
Print Icon
To Next Page IconTo Next Page
To Next Page IconTo Next Page
To Previous Page IconTo Previous Page
To Previous Page IconTo Previous Page
Loading...
STR-DA6400ES
STR-DA6400ES
6363
35
ANALOG
BOARD
C
BOARD
MAIN
CN1003
AC
VIDEO2
CN244
BOARD
U
(3/3)
MAIN
BOARD
B
MAIN
(1/3)
BOARD
(3/4)
32
(1/4)
BOARD
ANALOG
(4/4)
BOARD
ANALOG
34
(1/3)
CN1002
CN1410
(2/2)
BOARD
CONTRPL
CN2512
AB
0 14.9
0
-15
0
0 -15
0
0 14.9
0
0 -15
0
0 14.9
0
0
14.9
0
0-15
0
0
11. 29.5
0-15
0
14.9
0
0.1
JL406
JL407
R747 100
C737
0.1
JL410
JL408
R744 100
L730
4.7mH
JL404
R746 100
JL402
JL409
R743 100
JL403
R745 100
16V
C736
1000
JL405
R753
47k
R754 47k
820p
C621
JL581
820p
C611
820p
C601
JL580
JL586
1k
R586
JL601
1k
R621
JL611
JL591
1kR601
JL621
JL610
1k
R591
1k
R581
100p
C581
100p
C666
1k
R666
JL660
1k
R681
1k
R671
820p
C681
100p
C661
820p
C671
JL661
JL681
47k
R672
47k
R682
JL671JL670
JL666
1k
R661
8
7
6
54
3
2
1
NJM4565M(TE2)
IC622
VSS
VDD
C746
0.001
JL479
C745
0.001
JL478
25V
C748
47
25V
C747
47
0.001
C683
8
7
6
54
3
2
1
NJM4565M(TE2)
IC672
VSS
VDD
0.001
C673
JL682
JL672
820p
C641
JL641
JL636
47k
R652
25V
C644
47
1k
R636
47k
R642
1k
R631
JL651
25V
C654
47
JL630
JL652
0.001
C643
8
7
6
54
3
2
1
NJM4565M(TE2)
IC640
VSS
VDD
820p
C651
1k
R651
JL642
JL631
JL640
100p
C631
0.001
C653
1k
R641
0.001
C613
8
7
6
54
3
2
1
NJM4565M(TE2)
IC620
VSS
VDD
0.001
C623
JL622 JL612
0.001
C593
8
7
6
5
4
3
2
1
NJM4565M(TE2)
IC600
VSS
VDD
0.001
C603
JL602
JL592
100p
C636
JL704
JL710
JL709
JL705
JL708
JL711
JL706
JL707
JL712
JL713
JL703
JL558
JL557
JL554
JL555
JL556
JL553
JL549
JL598
JL594
JL603
JL587
JL583
JL589
0
R580
JL595
JL585
JL599
JL584
JL596
JL588
JL597
JL593
JL600
25V2200
C693
JL441
JL445
JL442
JL579
JL577
JL444
25V2200
C692
JL446
25V
C694
100
JL443
IO
G
UPC2910T-E1
IC654
1
C734
25V
47
V1IN
TV
MDOUT
MDIN
TAP EOU T
TAPEIN
TUNER
SACD
V2
MIC
MAINR
2NDR
V1OUT
25V
C741
47
25V
C742
47
100p
C586
820p
C591
47k
R622
47k
R612
47k
R592
47k
R602
1k
R611
JL590
C735
0.1
0
C752
0
C753
0
C754
0
R578
1
2
3
4
5
6
7
7P
CN727
TUNED
TUNE CE
TUNE DATA
TUNE CLK
TUNE DO
RDS CLK
RDS DATA
1
2
3
4
5
6
7
8
9
TU-L
TUNER+9V
TU-R
TU-GND
TUNED
TUN_CE
TUN_DATA
TUN_CLK
TUN_DO
R751
AGND 1
VDD 1
GND 1
A1
A2
2NDR 1
A4
AGND
GND
VDD
C1
C2
C3
C4
C5
C6
C7
C8
C10
C11
C12
C13
C14
C9
1
2
3
4
4P
CN606
HP_L
NC
HP_GND
HP_R
1
2
3
4
5
6
7
8
9
10
11
12
12P
CN605
2ND-R
NC
GND
2ND-L
GND
SOURCE-R
GND
SOURCE-L
GND
SACD/CD R
GND
SACD/CD L
1
2
3
4
5
6
7
8
9
CN608
9P
ADFR
NC
GND
ADFL
-15V
GND
+15V
RY+12V
RY GND
1
2
3
4
5
6
7
8
9
10
11
12
13
13P
CN607
V2-LCH
NC
V2-GND
V2-RCH
+15V
-15V
MIC LOUT
GND
MIC ROUT
GND
HP_L
HP_GND
HP_R
TUNED
TUNED
TUNE_CE
TUNE_CE
TUNE_DATA
TUNE_DATA
TUNE_CLK
TUNE_DO
TUNE_CLK
TUNE_DO
JL400
R742 100
JL401
R741
100
MD
IN OUTOUTIN
TAPE
-15V
IC672
BUFFER
IC640
IC620
IC600
IC622
LINE AMP
TAP E M D
ANALOG BOARD
(2/4)
19
L
C
4 17
H
76 15 18138
I
161213
E
J
2
B
N
G
A
F
K
11
M
14
D
5109
4.7
-15V
R
AUDIO OUT
L
VIDEO 1
AUDIO IN
L
R
VIDEO 1
R
L
IN
TV
R
LL
R
L
R
L
R
(CHASSIS)(CHASSIS) (CHASSIS)
BUFFER
BUFFER
BUFFER
TUNER
(FM/AM)
FM75Ω
COAXIAL
AM
+9V REGULATOR
IC654
9P
CN604
2
3
4P
J660
4P
J650
6P
J620
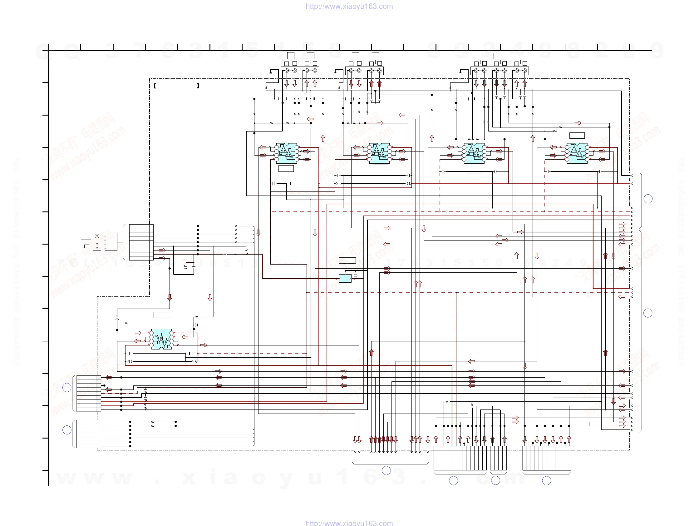
6-34. SCHEMATIC DIAGRAM - ANALOG Board (2/4) -
(Page 46)
(Page 111)
(Page 65)
(Page 81)
(Page 48)
(Page 46)
(Page 62)
(Page 64)
w
w
w
.
x
i
a
o
y
u
1
6
3
.
c
o
m
Q
Q
3
7
6
3
1
5
1
5
0
9
9
2
8
9
4
2
9
8
T
E
L
1
3
9
4
2
2
9
6
5
1
3
9
9
2
8
9
4
2
9
8
0
5
1
5
1
3
6
7
3
Q
Q
TEL 13942296513 QQ 376315150 892498299
TEL 13942296513 QQ 376315150 892498299
http://www.xiaoyu163.com
http://www.xiaoyu163.com

Table of Contents

Other manuals for Sony STR-DA6400ES

Related product manuals