EasyManua.ls Logo

Sony STR-DA6400ES - Printed Wiring Boards - PROTECTOR (SB;SURR) Section; PROTECTOR (SB;SURR) Section

Sony STR-DA6400ES
252 pages
Print Icon
To Next Page IconTo Next Page
To Next Page IconTo Next Page
To Previous Page IconTo Previous Page
To Previous Page IconTo Previous Page
Loading...
STR-DA6400ES
STR-DA6400ES
124124
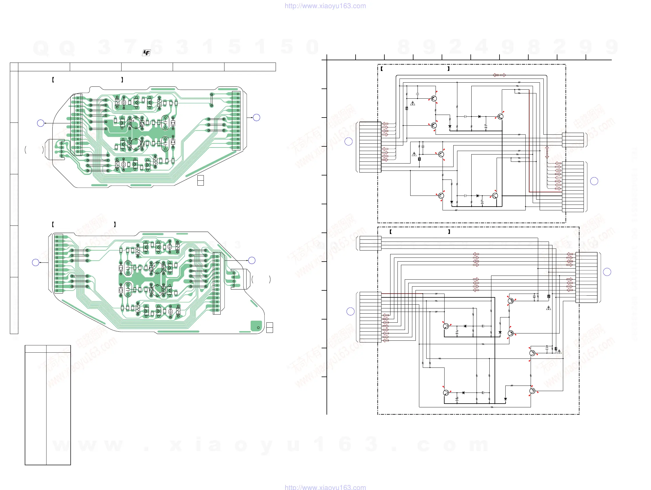
6-99. PRINTED WIRING BOARDS - PROTECTOR (SB/SURR) Section - 6-100. SCHEMATIC DIAGRAM - PROTECTOR (SB/SURR) Section -
: Uses unleaded solder.
• See page 43 for Circuit Boards Location.
R1725
R1727
R1728
R1729
R1730
R1731
R1732
R1734
R1736
R1775
R1777
R1778
R1779
R1780
R1781
R1782
R1784
R1786
1
14
1
14
1
4
CN1701
CN1704
C1722
C1723
C1724
Q1722
Q1723
Q1724
JW1001
JW1002
JW1005
JW1010
D1721
D1722
R1726
CN1761
R1733
R1735
C1772
C1773
C1774
Q1772
Q1773
Q1774
D1771
D1772
R1776
R1783
R1785
JW1091
JW1092
JW1093
JW1094
JW1095
JW1096
JW1097
JW1098
JW1099
JW1100
R1825
R1827
R1828
R1829
R1830
R1831
R1832
R1834
R1836
R1875
R1877
R1878
R1879
R1880
R1881
R1882
R1884
R1886
114
1
14
1
4
EB
EB
E
B
EB
EB
EB
JW1052
JW1053
JW1054
JW1055
JW1056
JW1057
JW1058
JW1059
JW1060
JW1061
JW1062
JW1063
JW1064
JW1065
CN1801
C1822
C1823
C1824
Q1822
Q1823
Q1824
D1821
D1822
R1826
CN1861
R1833
R1835
CN1871
C1872
C1873
C1874
Q1872
Q1873
Q1874
D1871
D1872
R1876
R1883
R1885
EB
E
B
EB
E
B
E
B
EB
BR
BIAS BOARD
CN1705
FOR
ADJUSTMENT
PROTECTOR (SURR) BOARD
1-876-808-
11
(12)
AT
POWER AMP
BOARD
CN1703
AX
BIAS BOARD
CN1803
BU
POWER AMP
BOARD
CN1872
FOR
ADJUSTMENT
PROTECTOR (SB) BOARD
1-876-810-
11
(12)
A
B
C
D
E
12345
AT
POWER
AMP
BOARD
CN1703
BR
BIAS
BOARD
CN1705
BU
BIAS
BOARD
CN1803
AX
POWER
AMP
BOARD
CN1872
0
0
0
-0.3
-0.2
-0.3
0
-59.1
-59.1
0
0
0
-59.4
-59.2
0
6.1
0
0
6.1
6.2
0
0
0
0
0
0
0
0
6.2
-0.2
0
0
50V
10
C1774
220p
C1722
220p
C1772
0.01
C1723
0.01
C1773
6.2k
R1726
6.2k
R1776
1.8k
R1727
1.8k
R1777
4.7k
R1725
4.7k
R1775
15k
R1728
15k
R1732
15k
R1778
15k
R1782
20k
R1729
20k
R1779
22k
R1734
22k
R1784
47k
R1731
47k
R1733
47k
R1781
47k
R1783
68k
R1785
1SS133T-72
D1721
1SS133T-72
D1722
1SS133T-72
D1771
2SA1038S-RSE-TP
Q1722
2SA1038S-RSE-TP
Q1723
2SA1038S-RSE-TP
Q1772
2SA1038S-RSE-TP
Q1773
2SC1740S-QRT
Q1724
1
2
3
4
5
6
7
8
9
10
11
12
13
14
14P
CN1704
1
2
3
4
5
6
7
8
9
10
11
12
13
14
14P
CN1701
1.5k
R1730
1.5k
R1780
220k
R1786
220k
R1736
1
2
3
4
4P
CN1761
SR +PTrE
(FOR ADJUSTMENT)
SR -PTrE
SL +PTrE
SL -PTrE
BIAS-
BIAS+
BIAS+
BIAS-
BIAS+
BIAS+
BIAS-
BIAS-
BIAS-
BIAS-
BIAS+
BIAS+
BIAS+
BIAS+
BIAS-
BIAS-
PROTECTOR (SURR) BOARD
50V
10
C1724
68k
R1735
1SS133T-72
D1772
CURRENT DETECT
Q1772-1774
2SC1740S-QRT
Q1774
CURRENT DETECT
Q1722-1724
50V
10
C1824
220p
C1822
0.01
C1823
6.2k
R1826
1.8k
R1827
4.7k
R1825
15k
R1828
15k
R1832
20k
R1829
22k
R1834
47k
R1831
47k
R1833
68k
R1835
1SS133T-72
D1821
1SS133T-72
D1822
2SA1038S-RSE-TP
Q1823
1SS133T-72
D1872
15k
R1878
22k
R1884
2SA1038S-RSE-TP
Q1873
50V
10
C1874
47k
R1883
6.2k
R1876
15k
R1882
20k
R1879
68k
R1885
220p
C1872
2SC1740S-QRT
Q1874
1.8k
R1877
1SS133T-72
D1871
4.7k
R1875
0.01
C1873
47k
R1881
1
2
3
4
5
6
7
8
9
10
11
12
13
14
14P
CN1871
SBR BIAS+
SBR BIAS+
SBR BIAS-
SBR BIAS-
SBR +PTrE
SBR -PTrE
SBR SPOUT
SBL BIAS+
SBL BIAS+
SBL BIAS-
SBL BIAS-
SBL +PTrE
SBL -PTrE
SBL SPOUT
1
2
3
4
5
6
7
8
9
10
11
12
13
14
14P
CN1801
220k
R1836
220k
R1886
1.5k
R1880
1.5k
R1830
1
2
3
4
4P
CN1861
(FOR ADJUSTMENT)
PROTECTOR (SB) BOARD
2SA1038S-RSE-TP
Q1872
CURRENT DTECT
Q1872-1874
CURRENT DTECT
Q1822-1824
2SC1740S-QRT
Q1824
2SA1038S-RSE-TP
Q1822
A
1012
B
C
78
F
9643
D
5
E
G
H
K
I
J
L
SR BIAS+
SR BIAS+
SR BIAS-
SR BIAS-
SR +PTrE
SR -PTrE
SR SPOUT
SL BIAS+
SL BIAS+
SL BIAS-
SL BIAS-
SL +PTrE
SL -PTrE
SL SPOUT
SR BIAS+
SR BIAS+
SR BIAS-
SR BIAS-
SL BIAS+
SL BIAS+
SL BIAS-
SL BIAS-
+15V
GND
LIMT
4/8
SHORT
DC
SBR +PTrE
SBR -PTrE
SBL +PTrE
SBL -PTrE
+15V
GND
DC
SHORT
4/8
LIMT
SBR BIAS+
SBR BIAS+
SBR BIAS-
SBR BIAS-
SBL BIAS+
SBL BIAS+
SBL BIAS-
SBL BIAS-
Ref. No. Location
• Semiconductor
Location
D1721 B-4
D1722 B-3
D1771 B-4
D1772 B-3
D1821 E-2
D1822 E-3
D1871 E-2
D1872 E-3
Q1722 A-3
Q1723 A-3
Q1724 B-3
Q1772 B-3
Q1773 B-3
Q1774 B-3
Q1822 E-3
Q1823 E-3
Q1824 E-3
Q1872 D-3
Q1873 D-3
Q1874 D-3
(Page 106)
(Page 82)
(Page 82)
(Page 106)
(Page 83)
(Page 107)
(Page 107)
(Page
83)
w
w
w
.
x
i
a
o
y
u
1
6
3
.
c
o
m
Q
Q
3
7
6
3
1
5
1
5
0
9
9
2
8
9
4
2
9
8
T
E
L
1
3
9
4
2
2
9
6
5
1
3
9
9
2
8
9
4
2
9
8
0
5
1
5
1
3
6
7
3
Q
Q
TEL 13942296513 QQ 376315150 892498299
TEL 13942296513 QQ 376315150 892498299
http://www.xiaoyu163.com
http://www.xiaoyu163.com

Table of Contents

Other manuals for Sony STR-DA6400ES

Related product manuals