EasyManua.ls Logo

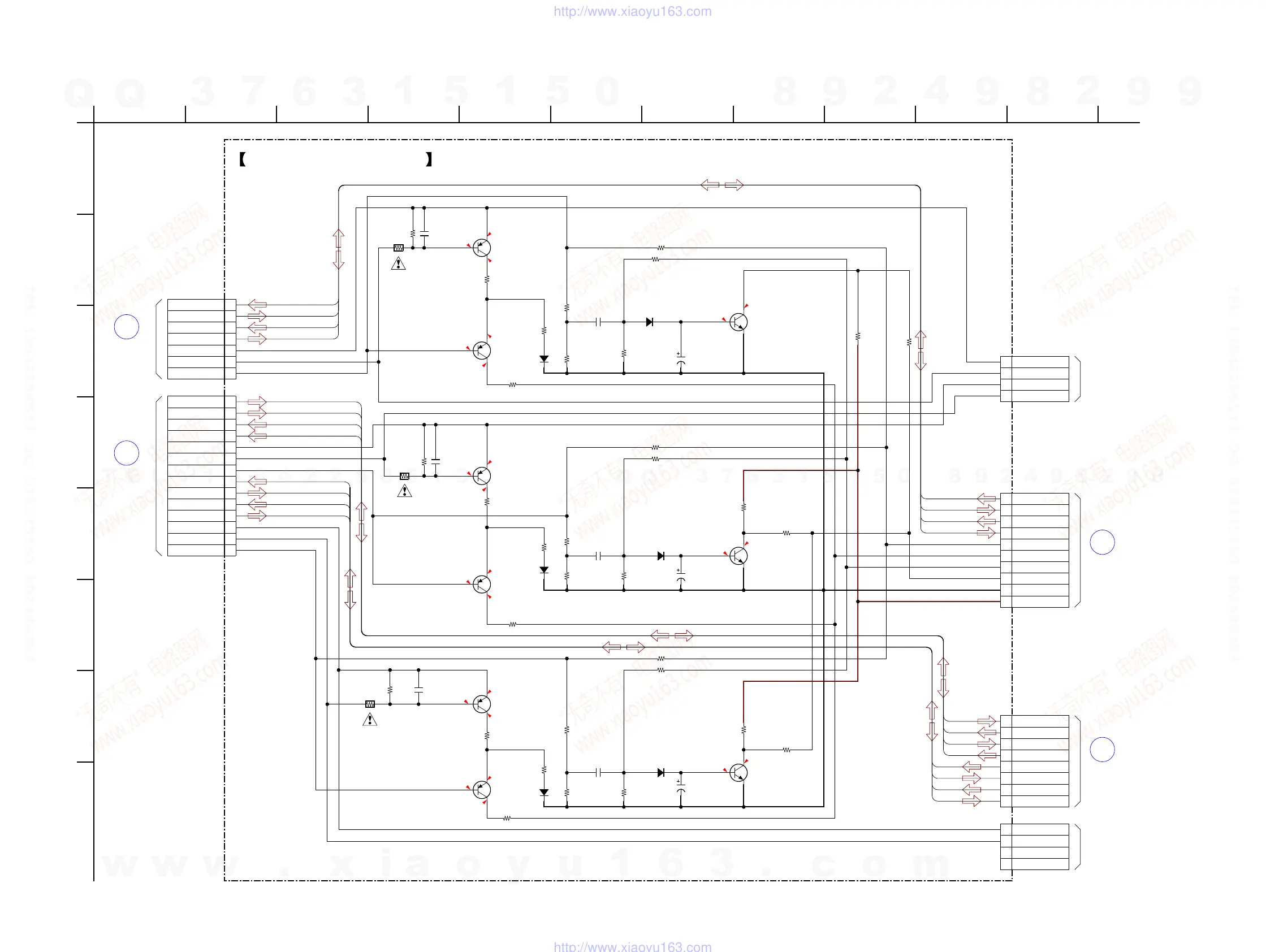
Sony STR-DA6400ES - Schematic Diagram - PROTECTOR (F-C) Board

Sony STR-DA6400ES
252 pages
Print Icon
To Next Page IconTo Next Page
To Next Page IconTo Next Page
To Previous Page IconTo Previous Page
To Previous Page IconTo Previous Page
Loading...
STR-DA6400ES
STR-DA6400ES
123123
AV
POWER
AMP
BOARD
CN1572
AW
POWER
AMP
BOARD
CN1510
BS
BIAS
BOARD
CN1512
BT
BIAS
BOARD
CN1513
-0.1
-59.2
-0.2
-0.2
-59.1
0
-58.8
0
0
0
0
0
0
0
0
0
-0.1
6.1
0
6.1
0
0
6.2
0
50V
10
C1524
50V
10
C1574
220p
C1522
220p
C1572
220p
C1622
0.01
C1623
0.01
C1523
0.01
C1573
1.8k
R1527
1.8k
R1577
1.8k
R1627
4.7k
R1575
4.7k
R1525
15k
R1528
15k
R1532
15k
R1632
20k
R1629
20k
R1529
20k
R1579
15k
R1582
15k
R1628
15k
R1578
22k
R1634
22k
R1534
22k
R1584
47k
R1583
47k
R1581
47k
R1533
68k
R1635
68k
R1535
68k
R1585
47kR1631
47k
R1633
47k
R1531
1
2
3
4
5
6
7
8
9
10
10P
CN1501
FR BIAS+
FR BIAS+
FR BIAS-
FR BIAS-
FL BIAS+
FL BIAS+
FL BIAS-
FL BIAS-
C BIAS+
C BIAS+
C BIAS-
C BIAS-
DC
SHORT
4/8
LIMT
GND
+15V
1
2
3
4
5
6
7
8
8P
CN1503
1SS133T-72
D1572
1SS133T-72
D1571
1SS133T-72
D1622
1SS133T-72
D1521
1SS133T-72
D1621
1SS133T-72
D1522
2SA1038S-RSE-TP
Q1573
2SA1038S-RSE-TP
Q1622
2SA1038S-RSE-TP
Q1523
2SA1038S-RSE-TP
Q1623
2SA1038S-RSE-TP
Q1572
2SA1038S-RSE-TP
Q1522
2SC1740S-QRT
Q1524
2SC1740S-QRT
Q1574
2SC1740S-QRT
Q1624
1
2
3
4
5
6
7
8
9
10
11
12
13
14
14P
CN1521
1
2
3
4
5
6
7
7P
CN1571
FR BIAS+
FR BIAS+
FR BIAS-
FR BIAS-
FR +PTrE
FR -PTrE
FR SPOUT
1.5k
R1530
220k
R1536
220k
R1636
1.5k
R1630
1.5k
R1580
1
2
3
4
CN1561
(FOR ADJUSTMENT)
4P
FR +PTrE
FR -PTrE
FL +PTrE
FL -PTrE
1
2
3
4
4P
CN1611
C +PTrE
C -PTrE
NC
NC
BIAS+
BIAS+
BIAS-
BIAS+
BIAS-
BIAS-
BIAS-
BIAS+
BIAS+
BIAS-
BIAS-
BIAS+
BIAS+
BIAS+
BIAS-
BIAS-
BIAS+
BIAS+
BIAS-
BIAS-
BIAS+
BIAS+
BIAS-
BIAS-
PROTECTOR (F-C) BOARD
FL BIAS-
FL BIAS+
FL BIAS+
FL BIAS-
FL +PTrE
FL -PTrE
FL SPOUT
C BIAS+
C BIAS+
C BIAS-
C BIAS-
C +PTrE
C -PTrE
C SPOUT
(FOR ADJUSTMENT)
A
1012
H
B
11
C
78
F
9643
G
D
5
E
12
4.7k
R1625
6.2k
R1626
6.2k
R1576
6.2k
R1526
50V
10
C1624
220k
R1586
CURRENT DETECT
Q1572-1574
CURRENT DETECT
Q1522-1524
CURRENT DETECT
Q1622-1624
6-98. SCHEMATIC DIAGRAM - PROTECTOR (F-C) Board -
(Page 83)
(Page 83)
(Page 107)
(Page 107)
w
w
w
.
x
i
a
o
y
u
1
6
3
.
c
o
m
Q
Q
3
7
6
3
1
5
1
5
0
9
9
2
8
9
4
2
9
8
T
E
L
1
3
9
4
2
2
9
6
5
1
3
9
9
2
8
9
4
2
9
8
0
5
1
5
1
3
6
7
3
Q
Q
TEL 13942296513 QQ 376315150 892498299
TEL 13942296513 QQ 376315150 892498299
http://www.xiaoyu163.com
http://www.xiaoyu163.com

Table of Contents

Other manuals for Sony STR-DA6400ES

Related product manuals