EasyManua.ls Logo

Sony STR-DA6400ES - Block Diagram - ANALOG AUDIO Section (1;2)

Sony STR-DA6400ES
252 pages
Print Icon
To Next Page IconTo Next Page
To Next Page IconTo Next Page
To Previous Page IconTo Previous Page
To Previous Page IconTo Previous Page
Loading...
STR-DA6400ES
STR-DA6400ES
3535
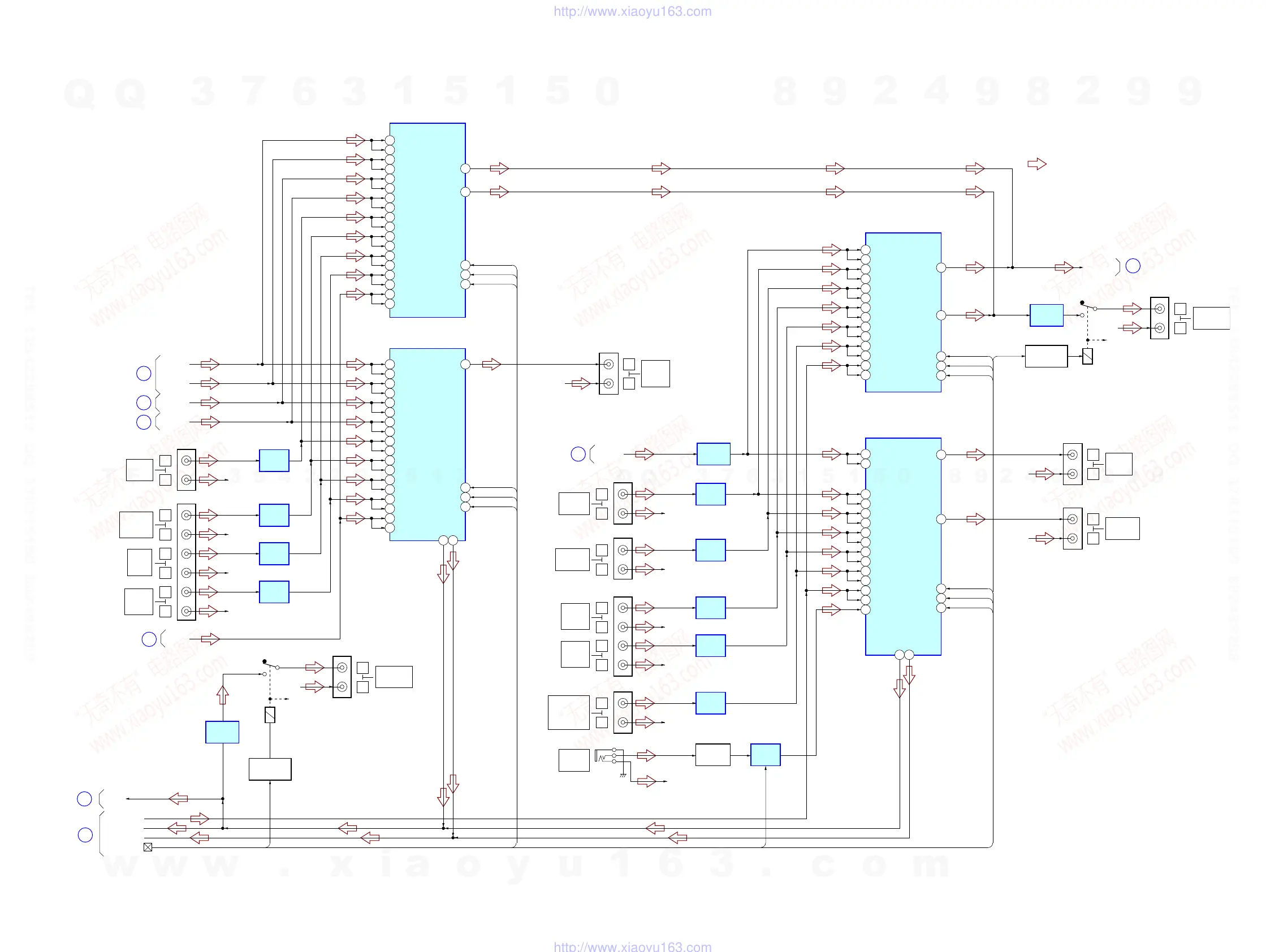
6-7. BLOCK DIAGRAM - ANALOG AUDIO Section (1/2) -
20MD OUT
L
J430
J660 (1/2)
PHONO
IN
TAPE
IN
J550
J620 (2/2)
J241 (1/2)
EQ AMP
IC440
BUFFER
IC672
BUFFER
IC520
BUFFER
IC540
BUFFER
IC560
BUFFER
IC620
R-CH
R-CH
R-CH
R-CH
R-CH
R-CH
R-CH
R-CH
6 TAPE IN
5 TUNER
23 TAPE IN
8MD IN
21 MD IN
11 V1 IN
18 V1 IN
10 TV
19 TV
4V2
25 V2
26 MIC
12
OUT
17
OUT
17OUT
12OUT
J650 (2/2)
J242
MD
OUT
AUTO
CAL MIC
R-CH
ADFL
AUDIO INPUT SELECTOR
IC402
5V1 OUT
J620 (1/2)
MIC AMP
IC101
LINE AMP
Q101
R-CH
15DATA
14CLK
6
16LAT
DATA
CLK
FUNC_LAT
MIC
• SIGNAL PATH
• R-CH is omitted due to same as L-CH.
: AUDIO (ANALOG)
R
L
R
J650 (1/2)
MD
IN
BUFFER
IC640
R-CH
L
R
L
R
L
R
L
R
L
R
L
R
SAT
AUDIO
IN
BD
AUDIO
IN
DVD
AUDIO
IN
TV
AUDIO
IN
BUFFER
IC600
R-CH
L
R
VIDEO 1
AUDIO
IN
VIDEO 2 IN/
PORTABLE
AV IN
AUDIO
VIDEO 1
AUDIO
OUT
L
R
22TAPE OUT
J660 (2/2)
TAPE
OUT
R-CH
L
R
L
R
TU-L
3
BUFFER
IC242
2ND-RY
LINE AMP
IC622
XML
43
SIRUS_L
44
DM-L1
42
DM-L2
Eth_L
72
ZONE4 L
73
L
J470 (1/2)
ZONE 2
AUDIO OUT
R-CH
R-CH
R
RELAY DRIVE
TR506
RY506
24 TUNER
2 SACD/CD
27 SACD/CD
SOURCE-L
SA-CD/CD-L
2ND-L
62
AUDIO BUS
12OUT
OUT
6 TAPE IN
5 TUNER
23 TAPE IN
8MD IN
21 MD IN
11 V1 IN
18 V1 IN
10 TV
19 TV
4V2
25 V2
AUDIO INPUT SELECTOR
IC392
15DATA
14CLK
16LAT
DATA
CLK
FUNC2_LAT
3RD-RY
LINE AMP
IC480
L
J470 (2/2)
ZONE 3
AUDIO OUT
R-CH
R-CH
R
RELAY DRIVE
TR486
RY486
24 TUNER
2 SACD/CD
27 SACD/CD
9DM2
8DM1
20 DM2
10 XM
19 XM
7 Sirius
22 Sirius
6 PHONO
23 PHONO
4SAT
25 SAT
12
OUT
17
OUT
AUDIO INPUT SELECTOR
IC401
15DATA
14CLK
16LAT
DATA
CLK
FUNC_LAT
21 DM1
3DVD
26 DVD
2BD
27 BD
11 Eth
18 Eth
9DM2
8DM1
20 DM2
10 XM
19 XM
7 Sirius
22 Sirius
6 PHONO
23 PHONO
4SAT
25 SAT
21 DM1
3DVD
26 DVD
2BD
27 BD
11 Eth
18 Eth
AUDIO INPUT SELECTOR
IC391
15DATA
14CLK
16LAT
DATA
CLK
FUNC2_LAT
LINE AMP
IC590
17
(Page 41)
(Page 37)
(Page 41)
(Page 37)
(Page 29)
(Page 36)
(Page 29)
(Page 37)
w
w
w
.
x
i
a
o
y
u
1
6
3
.
c
o
m
Q
Q
3
7
6
3
1
5
1
5
0
9
9
2
8
9
4
2
9
8
T
E
L
1
3
9
4
2
2
9
6
5
1
3
9
9
2
8
9
4
2
9
8
0
5
1
5
1
3
6
7
3
Q
Q
TEL 13942296513 QQ 376315150 892498299
TEL 13942296513 QQ 376315150 892498299
http://www.xiaoyu163.com
http://www.xiaoyu163.com

Table of Contents

Other manuals for Sony STR-DA6400ES

Related product manuals