EasyManua.ls Logo

Sony STR-DA6400ES - Block Diagram - VIDEO Section

Sony STR-DA6400ES
252 pages
Print Icon
To Next Page IconTo Next Page
To Next Page IconTo Next Page
To Previous Page IconTo Previous Page
To Previous Page IconTo Previous Page
Loading...
STR-DA6400ES
STR-DA6400ES
4040
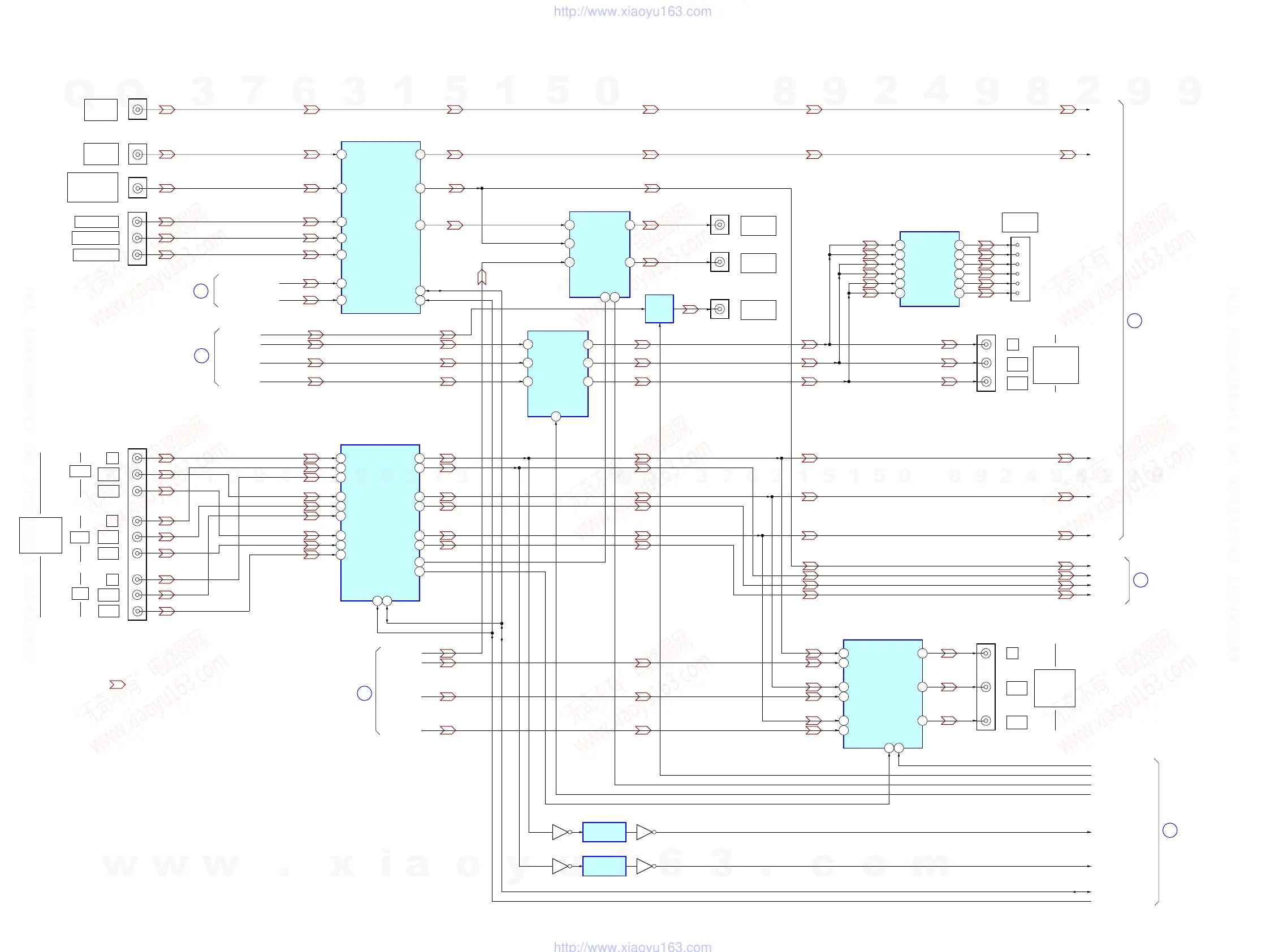
6-12. BLOCK DIAGRAM - VIDEO Section -
• SIGNAL PATH
:VIDEO
J6004 (1/2)
VIDEO 1
VIDEO IN
J6002
ZONE 2
VIDEO OUT
J241 (2/2)
VIDEO 2 IN/
PORTABLE AV IN
VIDEO
J6001 (2/2)
MONITOR
VIDEO OUT
CN6000
ZONE 2
VIDEO OUT
J6004 (2/2)
VIDEO 1
VIDEO OUT
J6001 (1/2)
EXT VIDEO
IN
EXT_IN
CY
CVBS
CB
CR
SYNC DETECT
IC6008
Q6003
Q6001
CY OUT1
CB OUT1
CR OUT1
DMPORT_VIDEO1
DMPORT_VIDEO2
47
2CV-1 53CV-OUT1
19SY OUT
40 CV-2 21CV OUT2
44SDA
43SCL
VIDEO INPUT SELECT, VIDEO AMP
IC6007
CY IN
CVBS IN
CB IN
CR IN
COMP_DET
COMP_MON_MUTE
SYNC DETECT
IC6009
Q6004
Q6002
COMP2_DET
DEV_I2C2_SDA
DEV_I2C2_SCL
J6007
PB/CB
PR/CR
Y
J6003
DVD VIDEO IN
SAT VIDEO IN
BD VIDEO IN
COMPONENT
VIDEO
ASSIGNABLE
(INPUT ONLY)
IN 3
P
B/CB
PR/CR
Y
IN 1
PB/CB
Y
IN 2
PR/CR
34Y OUT1
32Pb OUT1
30Pr OUT1
27Y OUT2
24Pb OUT2
21Pr OUT2
26AUX1
25AUX0
VIDEO INPUT SELECT, VIDEO AMP
IC6004
Y IN1
Y IN2
Y IN3
48
42
6
Pb IN1
Pb IN2
Pb IN3
2
44
8
Pr IN1
Pr IN2
Pr IN3
4
46
10
15
SCL
16
SDA
PB/CB
PR/CR
Y
COMPONENT
VIDEO
MONITOR
OUT
J6006
CVBS OUT1
CY OUT2
CB OUT2
CR OUT2
61
41
38
39
48
CVBS OUT2
24CH1OUT
22CH2OUT
20CH3OUT
VIDEO INPUT SELECT, VIDEO AMP
IC6001
CH1IN1
CH1IN2
3
1
CH2IN1
CH2IN2
10
8
CH3IN1
CH3IN2
15
17
2
SW1
MONI2_MUTE
MONI_MUTE
23
PS
COMP_MON2_MUTE
PB/CB
PR/CR
Y
COMPONENT
VIDEO
ZONE 2
OUT
J6005
9V OUT3
11V OUT2
13V OUT1
VIDEO AMP
IC6006
V IN3
5
V IN23
V IN1
1
7
P Save
10Vout1
5Vout2
VIDEO AMP
IC6002
Vin1
12
Vin23
Vin3
1
4
MUTE
2
SW1
60 CV-3
56 CV-4
46 CV-5
24 CV-6
9CV-7
VIDEO
AMP
IC6003
2
4
6
1
8
7
VIDEO AMP
IC6005
INP2
INN2
7
6OUT2
OUT2B
17
18
INP1
INN1
3
2OUT1
OUT1B
23
24
INP3
INN3
11
10 OUT3
OUT3B
14
15
(Page 41)
(Page 33)
(Page 34)
(Page 34)
(Page 33)
(Page 41)
w
w
w
.
x
i
a
o
y
u
1
6
3
.
c
o
m
Q
Q
3
7
6
3
1
5
1
5
0
9
9
2
8
9
4
2
9
8
T
E
L
1
3
9
4
2
2
9
6
5
1
3
9
9
2
8
9
4
2
9
8
0
5
1
5
1
3
6
7
3
Q
Q
TEL 13942296513 QQ 376315150 892498299
TEL 13942296513 QQ 376315150 892498299
http://www.xiaoyu163.com
http://www.xiaoyu163.com

Table of Contents

Other manuals for Sony STR-DA6400ES

Related product manuals