EasyManua.ls Logo

Sony STR-DA6400ES - Schematic Diagram - POWER AMP Board

Sony STR-DA6400ES
252 pages
Print Icon
To Next Page IconTo Next Page
To Next Page IconTo Next Page
To Previous Page IconTo Previous Page
To Previous Page IconTo Previous Page
Loading...
STR-DA6400ES
STR-DA6400ES
8383
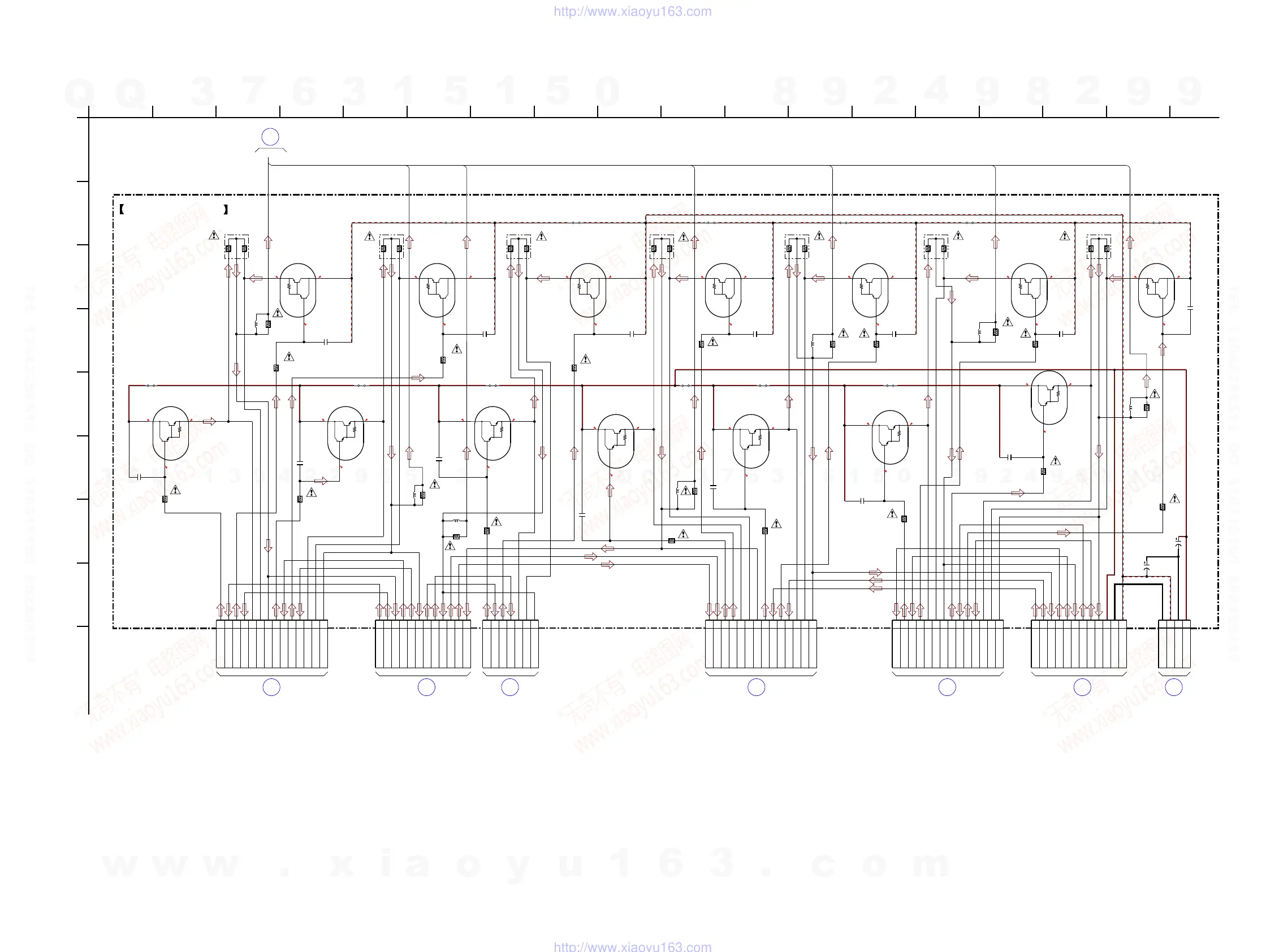
6-55. SCHEMATIC DIAGRAM - POWER AMP Board -
AS
SPTM BOARD
CX4101
AT
PROTECTOR (SURR)
BOARD
CN1701
AK
A-CLASS AMP
BOARD (1/2)
CN1905
AV
PROTECTOR (F-C)
BOARD
CN1571
AX
PROTECTOR (SB)
BOARD
CN1871
AL
A-CLASS AMP
BOARD (2/2)
CN1906
MAIN BOARD
(2/3)
CN1405
L
AW
PROTECTOR (F-C)
BOARD
CN1521
0
-1.1
-59.1 -59.1
0
-1.1
-59.1
0
-1.1
-59.1
0
-1.1
-59.1
0
-1.1
-59.1
0
-1.1
-59.1
0
-1.1
59.2
1
0
59.2
1
0
59.2
1
0
59.2
1
0
59.2
1
0
59.2
1
0
59.2
1
0
500V
22p
C1513
L1551
B
C
E
2SD2560
Q1707
500V
22p
C1812
B
C
E
2SD2560
Q1557
L1501
B
C
E
2SD2560
Q1757
B
C
E
B
C
E
2SD2560
Q1607
B
C
E
2SB1647
Q1708
100
R1567
100
R1565
10
R1518
B
C
E
2SB1647
Q1758
B
C
E
2SB1647
Q1808
100
R1617
B
C
E
2SB1647
Q1608
100
500V
R1767
100
R1765
500V
22p
C1562
500V
22p
C1813
100
R1815
L1701
100
R1515
500V
22p
C1863
L1751
100
R1717
10
R1718
500V
22p
C1862
100
R1715
B
C
E
2SD2560
Q1507
100
R1867
B
C
E
2SD2560
Q1807
100
R1615
10
R1618
L1801
10
R1818
100
R1865
100
R1817
L1601
10
R1868
B
C
E
10
R1768
B
C
E
2SB1647
Q1858
10
R1568
B
C
E
2SB1647
Q1558
22p
C1712
L1851
500V
22p
C1613
R1716
R1566
R1516
R1616
R1866
R1816
12P
CN1904
12P
CN1903
7P
CN1572
14P
CN1510
5P
CN1901
JH1008
Q1507, 1508, 1557, 1558,
Q1607, 1608, 1707, 1708,
Q1757, 1758, 1807, 1808,
Q1857, 1858
BOOSTER
JH1009
JH1001
JH1010
JH1011
JH1012
JH1005
JH1013
JH1006
JH1007
JH1002
14P
CN1703
14P
CN1872
JH1004
POWER AMP BOARD
0.22 x2
5W
R1766
0.22 x2
5W
0.22 x2
5W
0.22 x2
5W
0.22 x2
5W
0.22 x2
5W
0.22 x2
5W
500V
22p
C1563
2SB1647
Q1508
500V
22p
C1762
2SD2560
Q1857
500V
22p
C1612
500V
22p
C1512
SR_R
CN1752
CN1702
CN1552
CN1502
CN1602
CN1852
CN1802
SR_L
FRONT_R
FRONT_L
C
SRB_R
SRB_L
1
2
3
4
5
6
7
8
9
10
11
12
C BIAS+
C BIAS-
C SPOUT
SBR BIAS+
SBR BIAS-
SBR SPOUT
SBL BIAS+
SBL BIAS-
SBL SPOUT
+B
AGND
-B
1
2
3
4
5
6
7
8
9
10
11
12
13
14
1
2
3
4
5
6
7
8
9
10
11
12
1
2
3
4
5
6
7
5
4
3
1
1
2
3
4
5
6
7
8
9
10
11
12
13
14
1
2
3
4
5
6
7
8
9
10
11
12
13
14
SR BIAS+
SR BIAS+
SR BIAS-
SR BIAS-
SR +PTrE
SR -PTrE
SR SPOUT
SL BIAS+
SL BIAS+
SL BIAS-
SL BIAS-
SL +PTrE
SL -PTrE
SL SPOUT
FR BIAS+
FR BIAS+
FR BIAS-
FR BIAS-
FR +PTrE
FR -PTrE
FR SPOUT
SR BIAS+
SR BIAS-
SR SPOUT
SL BIAS+
SL BIAS-
SL SPOUT
FR BIAS+
FR BIAS-
FR SPOUT
FL BIAS+
FL BIAS-
FL SPOUT
FL BIAS-
FL BIAS+
FL BIAS+
FL BIAS-
FL +PTrE
FL -PTrE
FL SPOUT
C BIAS+
C BIAS+
C BIAS-
C BIAS-
C +PTrE
C -PTrE
C SPOUT
SBR BIAS+
SBR BIAS+
SBR BIAS-
SBR BIAS-
SBR +PTrE
SBR -PTrE
SBR SPOUT
SBL BIAS+
SBL BIAS+
SBL BIAS-
SBL BIAS-
SBL +PTrE
SBL -PTrE
SBL SPOUT
100
R1517
+B
GND
-B
AGND
500V
22p
C1763
500V
22p
C1713
100V
100
C1903
100V
100
C1904
A
1012
H
B
1311
C
78
I
14
F
964 1815 163
G
D
5 17
E
12
(Page 85)
(Page 124)
(Page 70)
(Page 123)
(Page 123)
(Page 124)
(Page 71) (Page 47)
w
w
w
.
x
i
a
o
y
u
1
6
3
.
c
o
m
Q
Q
3
7
6
3
1
5
1
5
0
9
9
2
8
9
4
2
9
8
T
E
L
1
3
9
4
2
2
9
6
5
1
3
9
9
2
8
9
4
2
9
8
0
5
1
5
1
3
6
7
3
Q
Q
TEL 13942296513 QQ 376315150 892498299
TEL 13942296513 QQ 376315150 892498299
http://www.xiaoyu163.com
http://www.xiaoyu163.com

Table of Contents

Other manuals for Sony STR-DA6400ES

Related product manuals