EasyManua.ls Logo

Sony STR-DA6400ES - Schematic Diagram - POWER SUPPLY Section

Sony STR-DA6400ES
252 pages
Print Icon
To Next Page IconTo Next Page
To Next Page IconTo Next Page
To Previous Page IconTo Previous Page
To Previous Page IconTo Previous Page
Loading...
STR-DA6400ES
STR-DA6400ES
121121
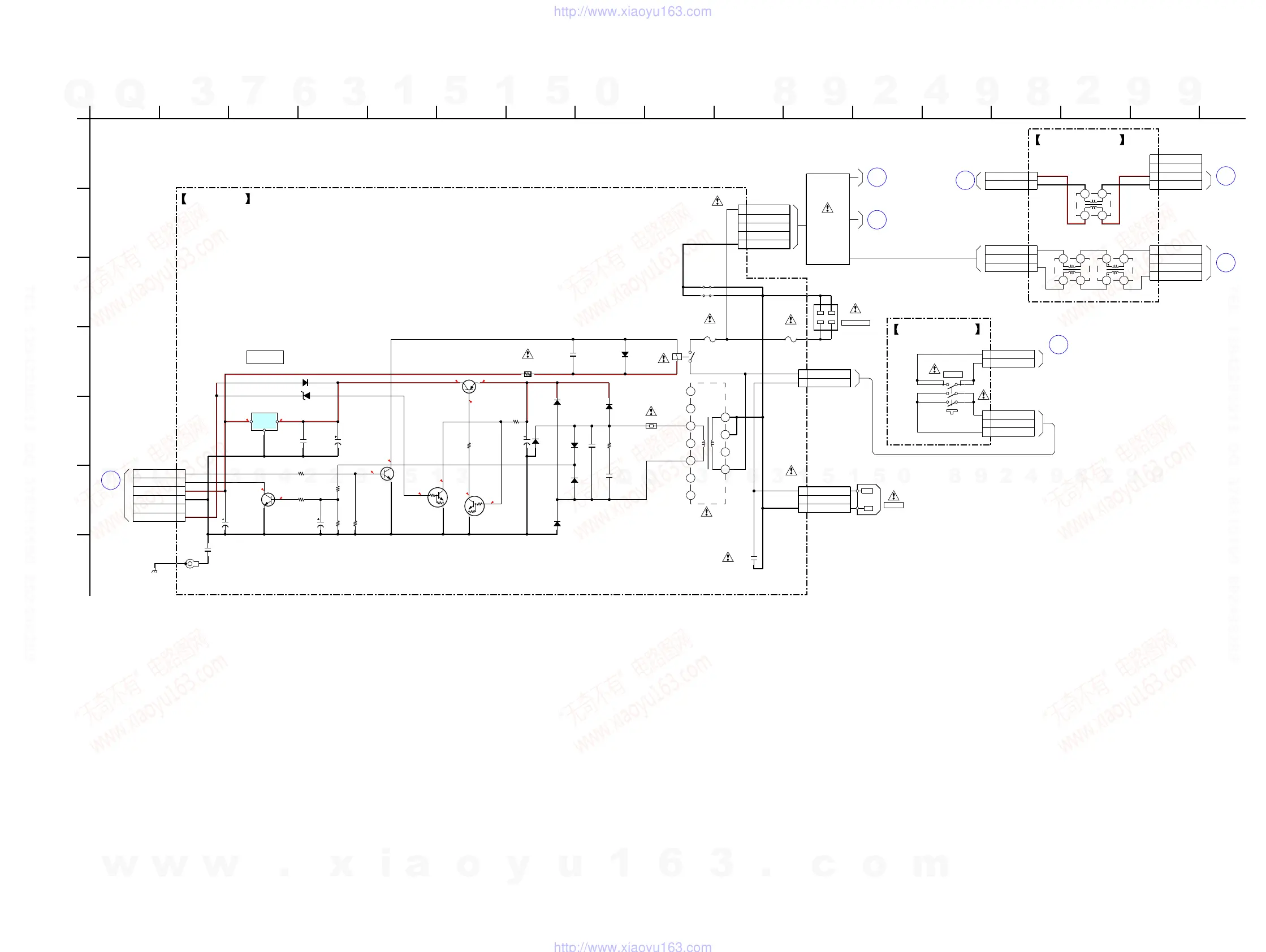
6-96. SCHEMATIC DIAGRAM - POWER SUPPLY Section -
MAIN
(3/3)
T
BOARD
CN1407
MAIN BOARD
(3/3)
N
CN1403
MAIN BOARD
(3/3)
P
CN1408
BOARD
DISPLAY
(1/2)
CN103
BV
DCDC1
BOARD
CX1451
BE
DCDC1
BOARD
CX1402
BY
D-VIDEO
BOARD
(7/10)
CN3523
CE
15.5
15
11. 1
0
15
0
5.7
0.7
0.5
0
0.6
11.15
C53
25V
2200
C52
25V
2200
250V
0.01
C59
0.1
C58
470p
C54
4700p
C55
0.056
C56
680
R61
1k
R54
6.8k
R52
10k
R51
10k
R55
10k
R59
22k
R53
4.7
R60
E
EE51
RY01
1
2
2P
CNP53
MA2J1110GLS0
D56
MA2J1110GLS0
D57
MA2J1110GLS0
D58
2SB734-T-34
Q54
1
3
4
5
6
6P
CNP54
+12V
2
NC
GND
ST+5V
STOP
P. R Y
C57
25V
470
1
4
5
5P
CNP02
L
NC
UC/J/CEK(N)
2
3
NC
CEL(N)
1
3
3P
CNP51
L
2NC
N
10EDB40-TB5
D51
10EDB40-TB5
D54
10EDB40-TB5
D52
10EDB40-TB5
D55
10EDB40-TB5
D53
UDZSNPTE-176.2B
D61
2SC3052EF-T1-LEF
Q51
2SC3052EF-T1-LEF
Q52
RT1N241C-TP-1
Q53
RT1N241C-TP-1
Q55
10
9
3
2
11
1
4
5
8
7
6
T002
3.3k
R58
VCC
GND
OUT
BA05T
IC51
C51
50V
10
0.1
C50
AC BOARD
IC51
+5V REGULATOR
RELAY DRIVE
B+ SWITCH
L2
L1
~AC IN
F001
8A 125V
JW004
JW005
TH50
Q53,55
POWER SWITCHING
SUB POWER
TRANSFORMER
AC DETECT
T1
MAIN POWER
TRANSFORMER
A
1012
B
11
C
78
F
9643
G
D
5
E
12 13
14 15 16 17
1
2
3
(CHASSIS)
F03
5A 125V
AC OUTLET
CN001
1
2
3
1
2P
CN2
SW1
3P
CN1
AC SW BOARD
POWER
POW SW IN
POW SW OUT
L1
2
NC
L2
12
3 4
33uH
L1412
2
3
4
CN1422
4P
NC
1NC
+4V
GND
1
2
2P
CN1421
+4V
GND
1
2
3
4
CX1451
4P
AC24V
NC
NC
AC24V
10uH
L1420
12
43
10uH
L1411
12
43
1
2
3
3P
CN1410
AC24V
NC
AC24V
FILTER BOARD
(Page 48)
(Page 48)
(Page
48)
(Page 94)
(Page 114)
(Page 119)
(Page 118)
w
w
w
.
x
i
a
o
y
u
1
6
3
.
c
o
m
Q
Q
3
7
6
3
1
5
1
5
0
9
9
2
8
9
4
2
9
8
T
E
L
1
3
9
4
2
2
9
6
5
1
3
9
9
2
8
9
4
2
9
8
0
5
1
5
1
3
6
7
3
Q
Q
TEL 13942296513 QQ 376315150 892498299
TEL 13942296513 QQ 376315150 892498299
http://www.xiaoyu163.com
http://www.xiaoyu163.com

Table of Contents

Other manuals for Sony STR-DA6400ES

Related product manuals