EasyManua.ls Logo

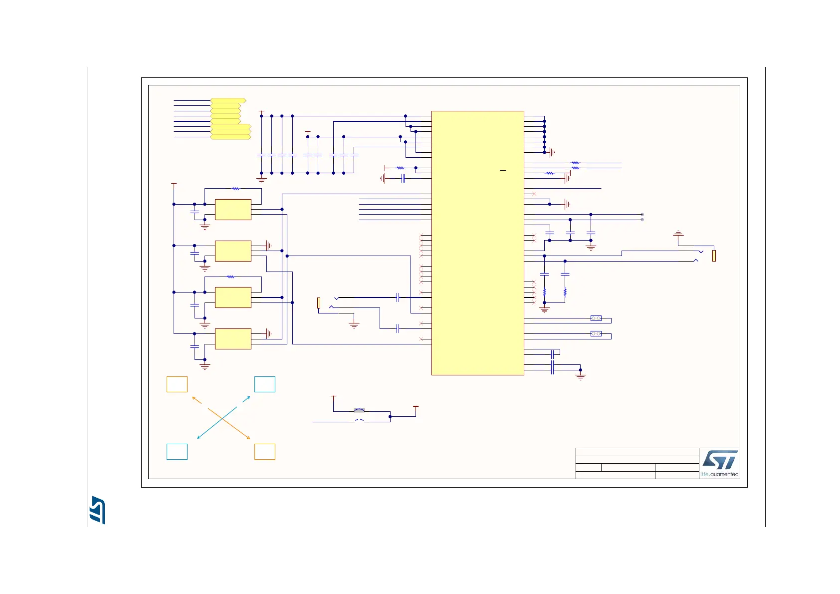
ST STM32F7308-DK - Figure 26. Audio Codec WOLFSON and Audio Connectors

ST STM32F7308-DK
59 pages
Print Icon
To Next Page IconTo Next Page
To Next Page IconTo Next Page
To Previous Page IconTo Previous Page
To Previous Page IconTo Previous Page
Loading...
Electrical schematics UM2469
42/59 UM2469 Rev 1
Figure 26. Audio codec WOLFSON and Audio connectors
412
Audio Codec WOLFSON and Audio Connectors
MB1260 D02
11/09/2018
Title:
Size: Reference:
Date: Sheet: of
A4
Revision:
STM32F723E/F7308 DISCOVERYProject:
WM8994 I2C Address : 0011 0100
ADCDAT1
F2
ADCLRCLK1/GPIO1
G3
AGND
D6
CPVDD
G9
CPVOUTN
H7
CPVOUTP
G7
CS/ADDR
G2
DACDAT1
E4
CPGND
H9
DCVDD
F1
DBVDD
D2
DGND
E2
CPCB
H8
AVDD1
D9
BCLK1
G1
CIFMODE
A4
CPCA
G8
DMICCLK
C6
AGND
E7
AGND
E8
AVDD2
D8
GPIO2/MCLK2
E1
GPIO3/BCLK2
H2
GPIO4/LRCLK2
F4
GPIO5/DACDAT2
H3
GPIO6/ADCLRCLK2
G4
GPIO7/ADCDAT2
E5
GPIO8/DACDAT3
H4
GPIO9/ADCDAT3
F5
GPIO10/LRCLK3
H5
GPIO11/BCLK3
F6
HP2GND
F7
HPOUT1FB
G5
HPOUT1L
H6
HPOUT1R
G6
HPOUT2N
F9
HPOUT2P
F8
IN1LN
D7
IN1LP
C8
IN1RN
B7
IN1RP
C7
IN2LN/DMICDAT1
B9
IN2LP/VRXN
B8
IN2RN/DMICDAT2
A9
IN2RP/VRXP
A8
LDO1ENA
D4
LDO1VDD
E9
LDO2ENA
D5
LDO2VDD
D1
LINEOUT1N
C5
LINEOUT1P
B5
LINEOUT2N
C4
LINEOUT2P
B4
LINEOUTFB
A6
LRCLK1
E3
MCLK1
D3
MICBIAS1
A7
MICBIAS2
B6
REFGND
A5
SCLK
H1
SDA
F3
SPKGND1
A1
SPKGND2
C1
SPKMODE
A3
SPKOUTLN
B1
SPKOUTLP
A2
SPKOUTRN
C3
SPKOUTRP
B3
SPKVDD1
B2
SPKVDD2
C2
VMIDC
C9
VREFC
E6
U7
WM8994ECS/R
1V8
3V3
3V3
3V3
MIC_VDD1
Bottom Left
Top Left
GND
5
LR
2
CLK
3
VDD
1
DOUT
4
U16
MP34DT01
GND
5
LR
2
CLK
3
VDD
1
DOUT
4
U18
MP34DT01
SPK Left
SPK Right
Right
Left
Jack Line output Green
Jack Line input blue
Right
Left
C224.7uF
R46
10K
R85 10K
C19
4.7uF
C31
4.7uF
R35 0
C33100nF
C41100nF
C32100nF
C79100nF
R33
20
C214.7uF
C204.7uF
C23100nF
C42100nF
C84100nF
C30100nF
R39 0
R31
20
GND
5
LR
2
CLK
3
VDD
1
DOUT
4
U17
MP34DT01
GND
5
LR
2
CLK
3
VDD
1
DOUT
4
U19
MP34DT01
C80100nFC85100nF
R86 10K
Top Right
Bottom Right
C29
4.7uF
MIC_VDD2
Fitted: NO
CN10
Fitted: NO
CN7
DMICCLK
DMICDAT1
DMICDAT2
DMIC_VDD
TP1
TP2
SAI2_I2C1_SDA
SAI2_I2C1_SCL
SAI2_MCLK_A
SAI2_SCK_A
SAI2_FS_A
SAI2_SD_A
SAI2_SD_B
SAI2_INT
SAI2_SD_B
SAI2_I2C1_SDA
SAI2_I2C1_SCL
SAI2_INT
SAI2_MCLK_A
SAI2_SCK_A
SAI2_FS_A
SAI2_SD_A
SAI2_SCK_A
SAI2_FS_A
SAI2_SD_A
SAI2_SD_B
SAI2_INT
SAI2_I2C1_SDA
SAI2_I2C1_SCL
SAI2_MCLK_A
2.2uF
C25
2.2uF
C28
2.2uF
C26
10K
Fitted: NO
R41
C35
1uF
C43
1uF
C24 1uF
C27
1uF
C18
1uF
U10 U8
U11 U9
A
B
A = B = 21mm
PG15
SB5
SB1
3V3
MIC_VDD1
DMIC_VDD
3
6
4
CN4
PJ3028B-3_BE_3PINS
3
6
4
CN5
PJ3028B-3_GR_3PINS

Table of Contents

Related product manuals