EasyManua.ls Logo

Steris SYSTEM 1E - Page 175

Steris SYSTEM 1E
179 pages
Print Icon
To Next Page IconTo Next Page
To Next Page IconTo Next Page
To Previous Page IconTo Previous Page
To Previous Page IconTo Previous Page
Loading...
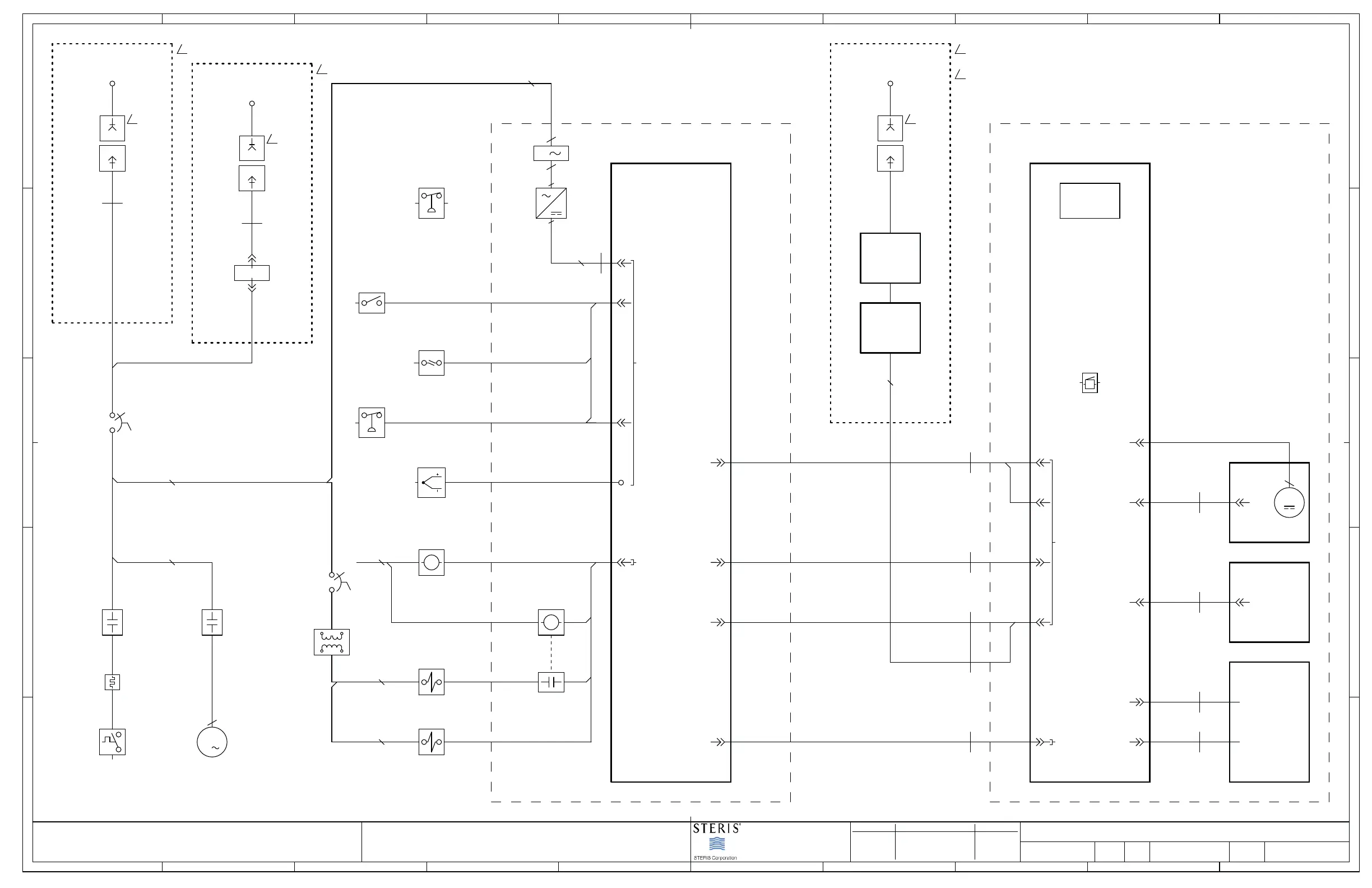
67(5,6$16,'/IQ
6,1*/(/,1(',$*5$0
'(6&5,37,21
5(9,(:(5
$33529(5
)30RNULV 
'5$:1%<
)30RNULV 
7%XFN 
'$7(1$0(7KLVGRFXPHQWFRQWDLQVFRQILGHQWLDODQG
SURSULHWDU\LQIRUPDWLRQRI67(5,6&RUSRUDWLRQ
1HLWKHUWKLVGRFXPHQWQRUWKHLQIRUPDWLRQ
WKHUHLQDUHWREHUHSURGXFHGGLVWULEXWHGXVHG
RUGLVFORVHGHLWKHULQSDUWRULQZKROHH[FHSWDV
VSHFLILFDOO\DXWKRUL]HGE\67(5,6&RUSRUDWLRQ
7,7/(
6<67(0((;&RQWURO'LDJUDPV
&
2)
6+((79(56,216,=( '5$:,1*180%(5
'
6&$/(/2&$7,21


((


%%
''
$ $
&&
)52086(563527(&7('
9$&+=
6833/<
62/
&
&2035(6625
5(/,()
62/
62/(12,'6
47<
665

62/,'67$7(5(/$<
665
13(
5(&

13(
5(&
13(
5(&

)52086(563527(&7('
9$&+=
6833/<
)52086(563527(&7('
9$&+=
6833/<
(;21/<
(21/< (21/<
5()(57263(&,),&&21752/',$*5$06
%<02'(/180%(56$25$
(;/)




357

35,17(5
$66(0%/<
0

3$3(5
7$.(83
0
,13876
2873876
,%

,17(5)$&(%2$5'
-
&1
&1
-
-
-
-
&1
-
0,&52
&21752//(5
,13876
2873876
5(;

5(;&21752//(5%2$5'
-
%=5
%8==(5
-
-
-
-
-
-
-
-
-
&%

33&203
027256
47<
3(
0
&%

/)

&7

+75

+($7(5
7&
7+(502&283/(6
47<
665
62/,'67$7(5(/$<6
47<
&21752/
%2;
6:,1*
3$1(/
(3/*

13(
/6
6(16256
47<
'63

',63/$<
.3'

0(0%5$1(.(<3$'

&%/
9'&
665
47<
665

/6

7(03
/,0,7
&3
&21'8&7,9,7<
6(1625
37
35(6685(
75$16'8&(5

&%/

&%/

&%/

'&32:(5
&%/

'&,1387
&%/

$1$/2*
&%/

$&287387
&%/
/6
6($/35(6685(
6$)(7<
5()726+(0$7,&6
)25'(7$,/

36

9'&
9$&
9$&

(&%/
89
89
&21752//(5
$1'%$//$67
89
89/$03
$1'021,725
893/*
13(
89,17(16,7<
$1$/2*
(;3/*

13(

(;&%/
9$&
9$&
9$&

&%/

Table of Contents

Related product manuals