EasyManua.ls Logo

Steris SYSTEM 1E - Page 179

Steris SYSTEM 1E
179 pages
Print Icon
To Previous Page IconTo Previous Page
To Previous Page IconTo Previous Page
Loading...
67(5,6$16,'//IQ














































































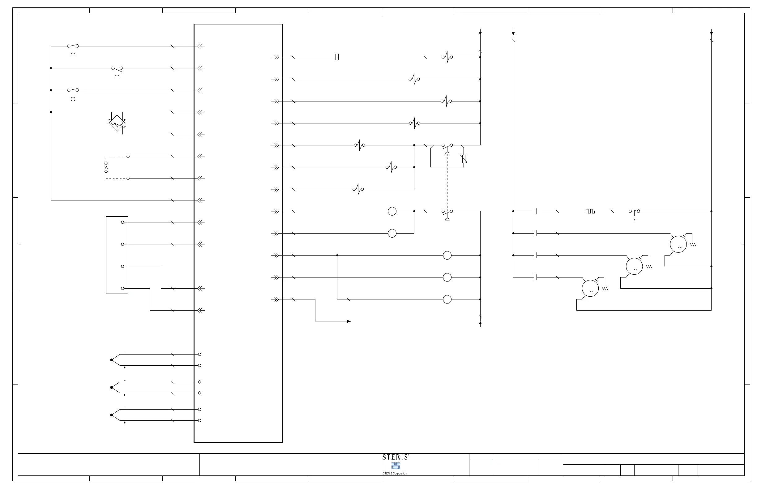
(/(&75,&$/6&+(0$7,&
',*,7$/$1'$1$/2*,2,17(5)$&(
+($7(5$1'38036
'(6&5,37,21
5(9,(:(5
$33529(5
)30RNULV 
'5$:1%<
7%XFN 
-):\DU 
'$7(1$0(7KLVGRFXPHQWFRQWDLQVFRQILGHQWLDODQG
SURSULHWDU\LQIRUPDWLRQRI67(5,6&RUSRUDWLRQ
1HLWKHUWKLVGRFXPHQWQRUWKHLQIRUPDWLRQ
WKHUHLQDUHWREHUHSURGXFHGGLVWULEXWHGXVHG
RUGLVFORVHGHLWKHULQSDUWRULQZKROHH[FHSWDV
VSHFLILFDOO\DXWKRUL]HGE\67(5,6&RUSRUDWLRQ
7,7/(
6<67(0((;&RQWURO'LDJUDPV
&
2)
6+((79(56,216,=( '5$:,1*180%(5
'
6&$/(/2&$7,21

((


%%
''
$ $
&&
&3
352%(
&
&3
352%(
%
&21'8&7,9,7<
6(1625
37
35(6685(
75$16'8&(5
9
9
287
287
&
/6
6($/35(6685(
6$)(7<

3
+,*+35(6685(
3803
%
0
&203
$,5
&2035(6625
$
0
3
&,5&8/$7,21
3803
'
0
7&
&1
6($/
5(/(,)
&,5&8/$7(
35(6685(
7(67
'5$,1
'803
),//
+($7(5
665
+33803
665
,%

,17(5)$&(%2$5'
$,5&203
665

&,5&3803
665

9$&
&20
9'&$

9$&
&20
7&
7&
7&
7&
7&
,62
&203
35(6685(
6:,7&+
+33803
35(6685(
6:,7&+
)/2$7
6:,7&+
'225
6:
&21'
&21'
9'&$

36&20
;'&5
;'&5
-
&1
&1
62/
6($/5(/,()
%
62/
&,5&8/$7,21
3,1&+
'
62/
$,5:$7(5
%






665


62/
'5$,1
3,1&+
'
62/
'803
'
62/
),//
'
 
665
 
665
 
665
 
665
 
665

665

+75
:
&
/6
7(03/,0,7
&

665


665


665

7&
,1/(77+(502&283/(
7<3(-&
%
62/
&2035(6625
5(/,()
&
7&
287/(77+(502&283/(
7<3(-&
%
7&
'5$,17+(502&283/(
7<3(-&
'
:+7
5('
:+7
5('
5('
:+7










*51
:+7
029
8
%
/6
+,*+35(6685(3803
35(6685(
&
/6
6<67(0$,5
35(6685(
$
/6
)/2$7%/2&.
/(9(/
/6
/,'&/26(
$








5('
%/.

9$&&20  
9'&

9$&&20

9$&

9$&


Table of Contents

Related product manuals