EasyManua.ls Logo

Steris SYSTEM 1E - Page 177

Steris SYSTEM 1E
179 pages
Print Icon
To Next Page IconTo Next Page
To Next Page IconTo Next Page
To Previous Page IconTo Previous Page
To Previous Page IconTo Previous Page
Loading...
67(5,6$16,'//IQ



























































































































































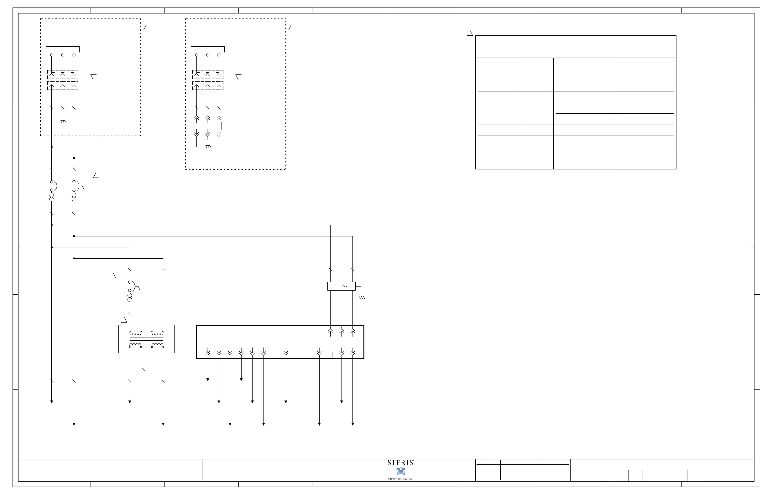
(/(&75,&$/6&+(0$7,&
$&,1&20,1*$1'$&'&',675,%87,21
((;&21),*85$7,217$%/(
'(6&5,37,21
5(9,(:(5
$33529(5
)30RNULV 
'5$:1%<
7%XFN 
-):\DU 
'$7(1$0(7KLVGRFXPHQWFRQWDLQVFRQILGHQWLDODQG
SURSULHWDU\LQIRUPDWLRQRI67(5,6&RUSRUDWLRQ
1HLWKHUWKLVGRFXPHQWQRUWKHLQIRUPDWLRQ
WKHUHLQDUHWREHUHSURGXFHGGLVWULEXWHGXVHG
RUGLVFORVHGHLWKHULQSDUWRULQZKROHH[FHSWDV
VSHFLILFDOO\DXWKRUL]HGE\67(5,6&RUSRUDWLRQ
7,7/(
6<67(0((;&RQWURO'LDJUDPV
&
2)
6+((79(56,216,=( '5$:,1*180%(5
'
6&$/(/2&$7,21


((


%%
''
$ $
&&
/,1(
/2$'
/)
32:(56833/<
/,1(),/7(5
)52086(56
3527(&7('
9$&+=
6833/<
&%
(;7(51$//<
5(6(7
&%
(;7(51$//<
23(5$%/(
 
 
&7
&21752/
75$16)250(5
9$
35,9$&
6(&9$&
)52086(56
3527(&7('
9$&+=
6833/<
(;/)
/,1(,1387
),/7(5
*
(21/< (;21/<
6((((;
7$%/(
6((((;
7$%/(
 
6((((;
7$%/(
-   
36 32:(56833/<
,13879$&K=$
2873879'&9$9$9$9$
-

.(<
((;
7$%/(
$03

02'(/($1'(;
&21),*85$7,21$1'9$5,$177$%/(
'(9,&(7$* 02'(/(;
$03 $03

02'(/(
35,0$5<&211(&7,216
-803(57(50,1$/6
7272$1'72
&%
&%
&7

/,1(5()
$03
/ /


5(&
$03+263,7$/*5$'(
5(&(37$&/(:,7+*)&,
(&%/
(3/*
%/.
*51
:+7
5(&
(;&%/
(;3/*
%51
<(*1
%/8
9'&

9'&

9'&

95(7

95(7

95(7

9'&

9'&

95(7

9'&,62

9$&

9$&&20

9$&

9$&&20

/ 1*1' / 1*1'

Table of Contents

Related product manuals