EasyManua.ls Logo

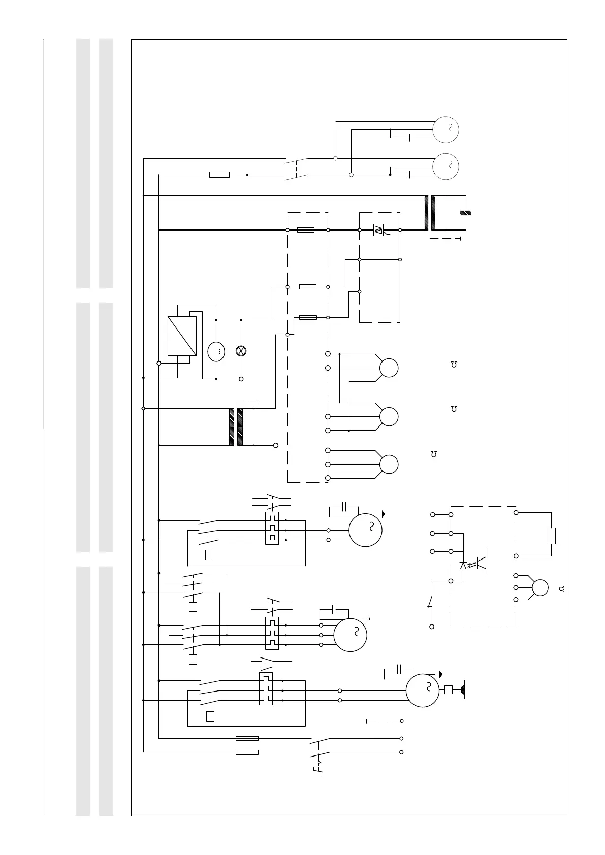
strapex SMA 30 - Electrical Diagrams; Main Circuit Diagram

strapex SMA 30
Print Icon
To Next Page IconTo Next Page
To Next Page IconTo Next Page
To Previous Page IconTo Previous Page
To Previous Page IconTo Previous Page
Loading...
03.11
Strapex SMA 30
C
CAM
Motor
M26 1/4HP
M23 1/2HP
L1
L2
Y
1
M
PE
C
W1
U1
M29 1/4HP
Motor
M
1
1
Motor
M
C
W3
U3
K43
95
F23
96
15A
Q11
6
4
2
98
K38
F2
F1
2
4
97
6
3
1
5
1
3
1
3
K49
2
6
U2
4
V2
W2
98
96
K44
F26
97
2
4
6
5
95
2
4
6
5
6
2
4
98
96
F29
2
4
97
6
3
1
5
95
6
2
Heater
(Single Plate)
Tongue
37
37
Y13
Heater Pulsing
Weld Cooling Time
Retracting
5
A2
38
38 5
5A
1.4V/63VA
E14
T15
2A
24V
0V
A3-PCB
11
2A
F5
4A
Slow Blow
F6
F4
12
Pilot
3
2
220V
T1
0V
Power
4
H16
--
--
FAN
M
M19
L
0V
100W
AD1
4
VR(+5V)
4
AD2
VR(+5V)
AD3
Accumulator
Feed/Retract
M-
M+
VR
AD
Tension
M7
DC24V Motor
4
K38
5
4
3
4(0V)
3(24V)
22
21
ENABLE
(Optional)
Electronic Tension PCB
4(0V)
4
(Optional)
25W
1A
F11
60
K44
62
61
C
M
1
M7-2
M
1
M7-1
Booster Motor
C
230V
N
+24V
4.5A
(Optional)
1K ,2W
1K ,2W
(Optional)
1K ,2W
VR3
31
2
VR1
1
2
3
VR2
3
2
1
Switching Power
N1
1K ,2W
2
VR4
1
3
11
ELEKTROSCHEMAS ELECTRICALDIAGRAMS SCHÉMAÉLECTRIQUES
42
11.1 HAUPTSTROMKREIS 115 / 220 V 11.1 MAIN CIRCUIT 115 / 220 V 11.1 ALIMENTATION 115 / 220 V
Motor (Kurvenscheiben)
Moteur (Cams)
Motor (vor/zurück)
Moteur (avance/retour)
(Bandmagazin)
(Magasin du feuillard)
Heizelement
Chauffage
Abkühlzeit
Temps de refroidir
Zurück
Retour
Heizelement
Languette de chauffage

Table of Contents

Related product manuals