EasyManua.ls Logo

Strobel KA-ED - Page 67

Default Icon
78 pages
Print Icon
To Next Page IconTo Next Page
To Next Page IconTo Next Page
To Previous Page IconTo Previous Page
To Previous Page IconTo Previous Page
Loading...
258.10.08
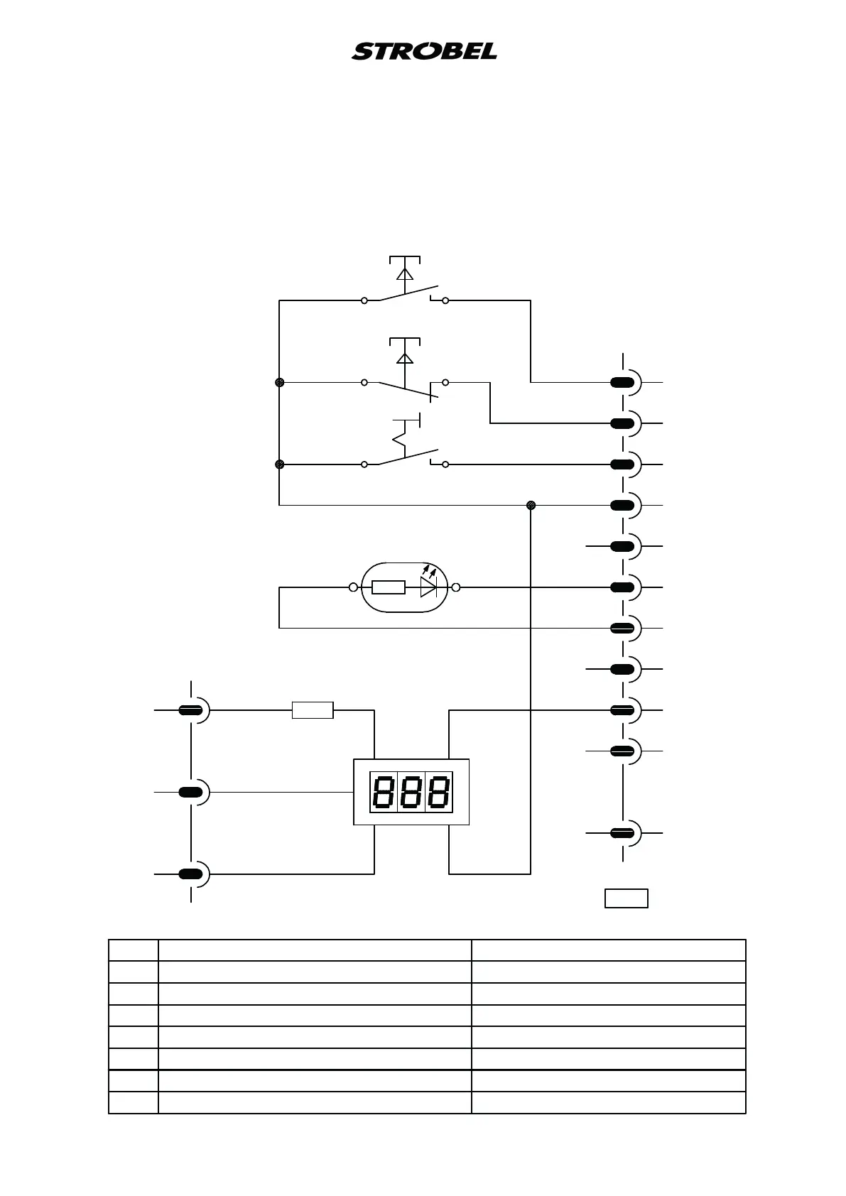
Elektrischer Schaltplan Schaltkasten KA 22 Kl. KA-ED ab Ausf. 22
Electrival wiring diagram switch box KA22 cl. KA-ED as of version 22
B4
B2
B1
+5V
A1
AZ
S4
4
3
S5
21
C
S6
L2
1
2
3
b2
+5V
+24V
0V
15
10
9
8
7
6
5
4
3
1
2
b1
br
bn
gn
gn
ws
wh
A2
0V
137kΩ
R1
b1 15-pol. Sub-D-Stecker 15-pin Sub-D plug
b2 3-pol. Diodeneinbaubuchse für Renkverschluss 3-pin diode panel jack for bayonet catch
S4 START-Taster START button
S5 STOP-Taster STOP button
S6 SCHALTER S6 SWITCH S6
L2 LED-Anzeige gelb LED display yellow
AZ LCD Modul kpl. LCD module complate
R1 Widerstand 137 resistor 137 kΩ
198.0652

Table of Contents

Related product manuals