EasyManua.ls Logo

Subaru impreza 2017 - Rear Fog Light Switch (if Equipped)

Subaru impreza 2017
786 pages
Print Icon
To Next Page IconTo Next Page
To Next Page IconTo Next Page
To Previous Page IconTo Previous Page
To Previous Page IconTo Previous Page
Loading...
DeltaIL1
DeltaUL1
DeltaIL2
DeltaUL2
DeltaIL3
DeltaUL3
STDIL1
STDIL2
STDIL3
STDI
STDU
STDUL1
STDUL2
STDUL3
IEC12000165-1-en.vsd
intBlock
OROR
20 ms
20 ms
OR
t
20 ms
t
20 ms
t
20 ms
AND
AND
AND
AND
AND
AND
AND
AND
t
20 ms
t
20 ms
t
20 ms
t
20 ms
t
t
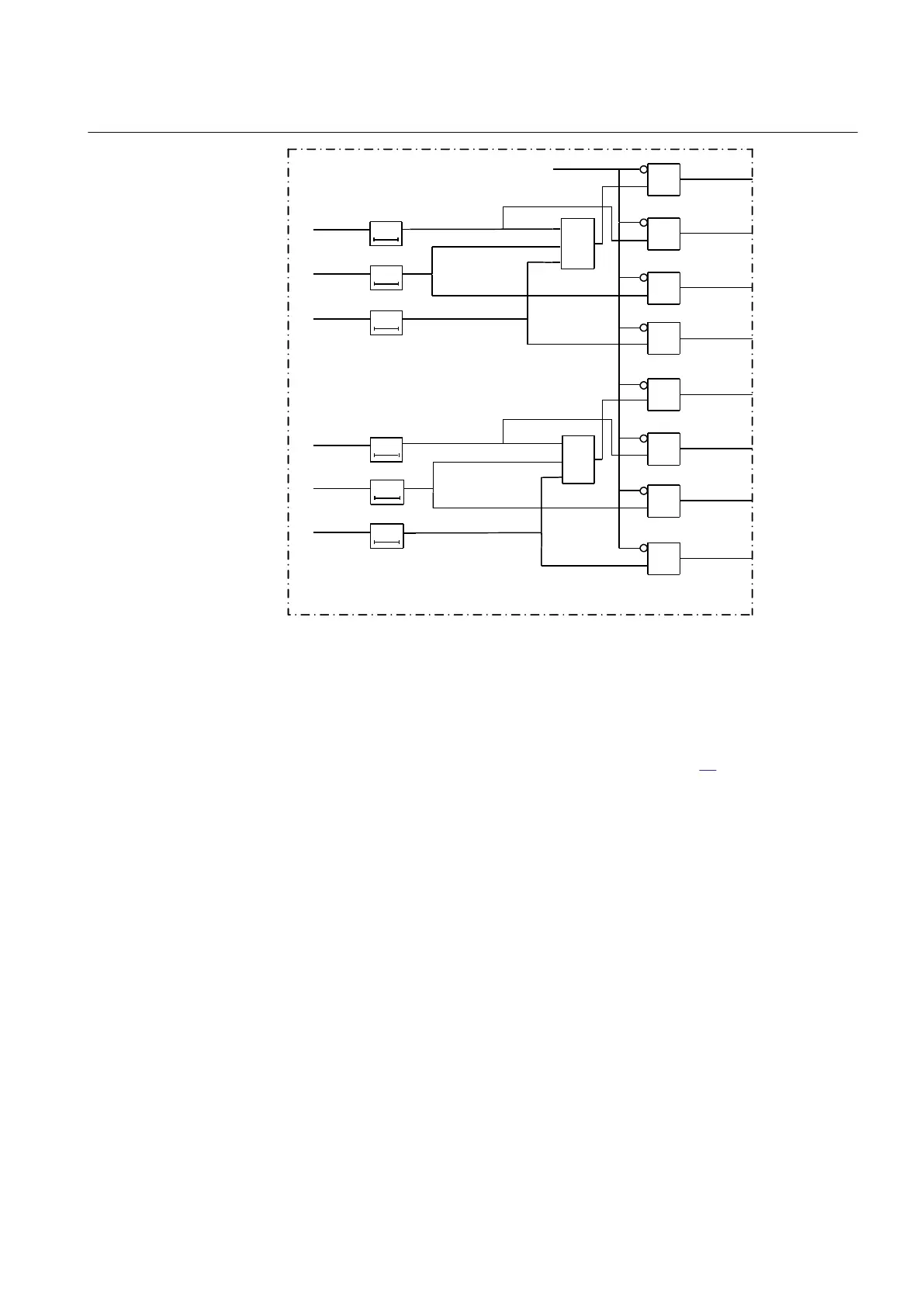
IEC12000165 V1 EN-US
Figure 95: Internal signals DeltaU or DeltaI and the corresponding output
signals
8.2.7.3 Dead line detection
M13679-44 v4
A simplified diagram for the functionality is found in figure 96. A dead phase
condition is indicated if both the voltage and the current in one phase is below their
respective setting values UDLD< and IDLD<. If at least one phase is considered to
be dead the output DLD1PH and the internal signal DeadLineDet1Ph is activated.
If all three phases are considered to be dead the output DLD3PH is activated
1MRK 505 384-UEN A Section 8
Secondary system supervision
Breaker protection REQ650 2.2 IEC 215
Technical manual

Table of Contents

Other manuals for Subaru impreza 2017

Related product manuals