EasyManua.ls Logo

Subaru impreza 2017 - Floor Mat

Subaru impreza 2017
786 pages
Print Icon
To Next Page IconTo Next Page
To Next Page IconTo Next Page
To Previous Page IconTo Previous Page
To Previous Page IconTo Previous Page
Loading...
IEC16000158-1-en.vsdx
AND
ZoneSeqCoord
AND
Dead time
t
tExtended t
1
tExtended t
1 is
added to t
1 1Ph
or t1 2ph or t1 3Ph
t1 1Ph
t1 2Ph
t1 3PH
t2 3PH
t3 3PH
t4 3PH
t5 3PH
t
t
tSlaveDeadTime
Skips high
-speed shot
(t1 3PhHS) and
continues with delayed shot
(t1 3Ph)
OR
OR
AND
OR
AND
AND
t
tReclaim
OR
OR
AND
S
R
OR
AND
BlockByUnsucCl
unsuccessful
1
start
startThermal
OR
initiate
TR2P
TR3P
PERMIT
1P
1
ACTIVE
OR
ABORTED
Counter
Set
Reset
COUNT
2P
COUNT
1P
COUNT
3P1
COUNT
3P2
COUNT
3P3
COUNT
3P4
COUNT
3P5
COUNTAR
CLOSECB
commandCloseCB
AND
t
tSync
BLOCKED
SYNCFAIL
AND
tInhibit
OR
CB
readiness
check
AND
CBReadyType
OR
CutPulse
AND
OR
OR
tPulse
50ms
AND
Follow CB
cbClosed
inhibitWaitForMaster
longStartInhibit
INPROGR
2PT1
1PT1
3PT1
3PT2
3PT3
3PT4
3PT5
inProgress
reclaimTimeStarted
inhibitThermalStart
inhibit
PREP3P
INHIBOUT
INHIBIT
BLKOFF
BLKON
RESET
RSTCOUNT
SYNC
SKIPHS
CBReady
ZONESTEP
synchroCheckOK
t1 3PhHS
t13PhExtTimeout
Dead
time
settings
extendTime
slaveDeadTime
sets every dead timer
to tSlaveDeadTime
MODEINT
ARMode
NoOfShots
and
selection
AND
t
MODE
count0
AND
inProgress
AND
OR
inhibitThermalStart
AND
OR
AND
inProgress
reclaimTimeStarted
wait
OR
AND
IEC16000158 V1 EN-US
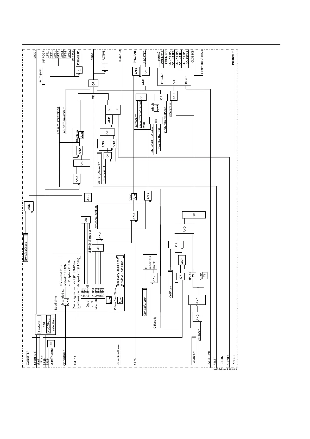
Figure 113: Auto reclosing sequence
Section 9 1MRK 505 384-UEN A
Control
258 Breaker protection REQ650 2.2 IEC
Technical manual

Table of Contents

Other manuals for Subaru impreza 2017

Related product manuals