EasyManua.ls Logo

Subaru impreza 2017 - Sensors

Subaru impreza 2017
786 pages
Print Icon
To Next Page IconTo Next Page
To Next Page IconTo Next Page
To Previous Page IconTo Previous Page
To Previous Page IconTo Previous Page
Loading...
AND
AND
OR
OR
ULN1FF
ULN1OK
UB1FF
UB1OK
UB2FF
UB2OK
B1QCLD
B1QOPEN
LN1QCLD
LN1QOPEN
BLOCK
LN1SEL
AND
AND
USELFAIL
ULN2FF
ULN2OK
OR
AND
AND
B2QCLD
B2QOPEN
LN2QCLD
LN2QOPEN
AND
AND
LN2SEL
OR
AND
B2SEL
AND
AND
AND
en05000780-2.vsd
OR
OR
line2Voltage
bus2Voltage
line1Voltage
invalidSelection
lineVoltage
selectedFuseOK
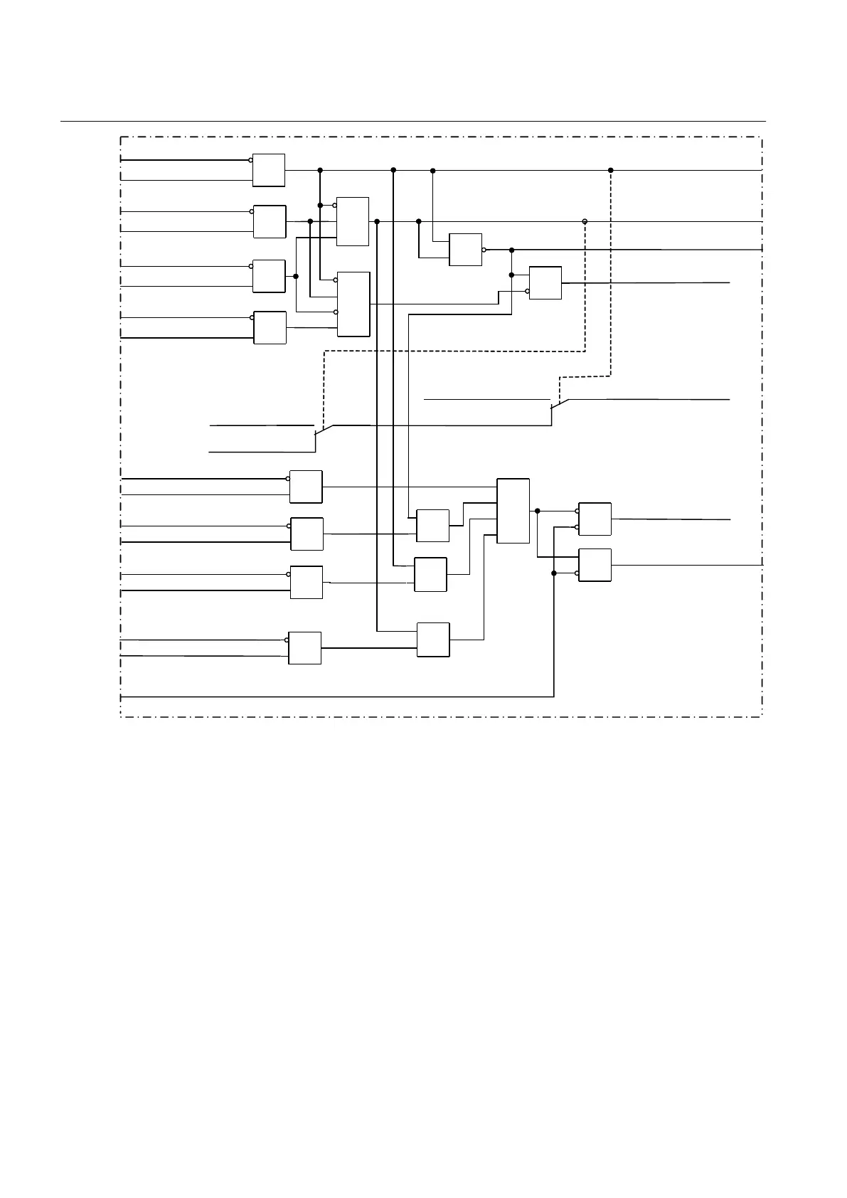
IEC05000780 V2 EN-US
Figure 105: Simplified logic diagram for the voltage selection function for a bus circuit breaker in a 1 1/2
breaker arrangement
Section 9 1MRK 505 384-UEN A
Control
238 Breaker protection REQ650 2.2 IEC
Technical manual

Table of Contents

Other manuals for Subaru impreza 2017

Related product manuals