EasyManua.ls Logo

Subaru impreza 2017 - Page 339

Subaru impreza 2017
786 pages
Print Icon
To Next Page IconTo Next Page
To Next Page IconTo Next Page
To Previous Page IconTo Previous Page
To Previous Page IconTo Previous Page
Loading...
TRIPL1
BLO CK
AND
L1TRIP
t
tEvolvingFault
t
tTripMin
L2TRIP
L3TRIP
P3PTR
OR
OR
OR
AND
TRIP
IEC17000065-2-en.vsdx
IEC17000065 V2 EN-US
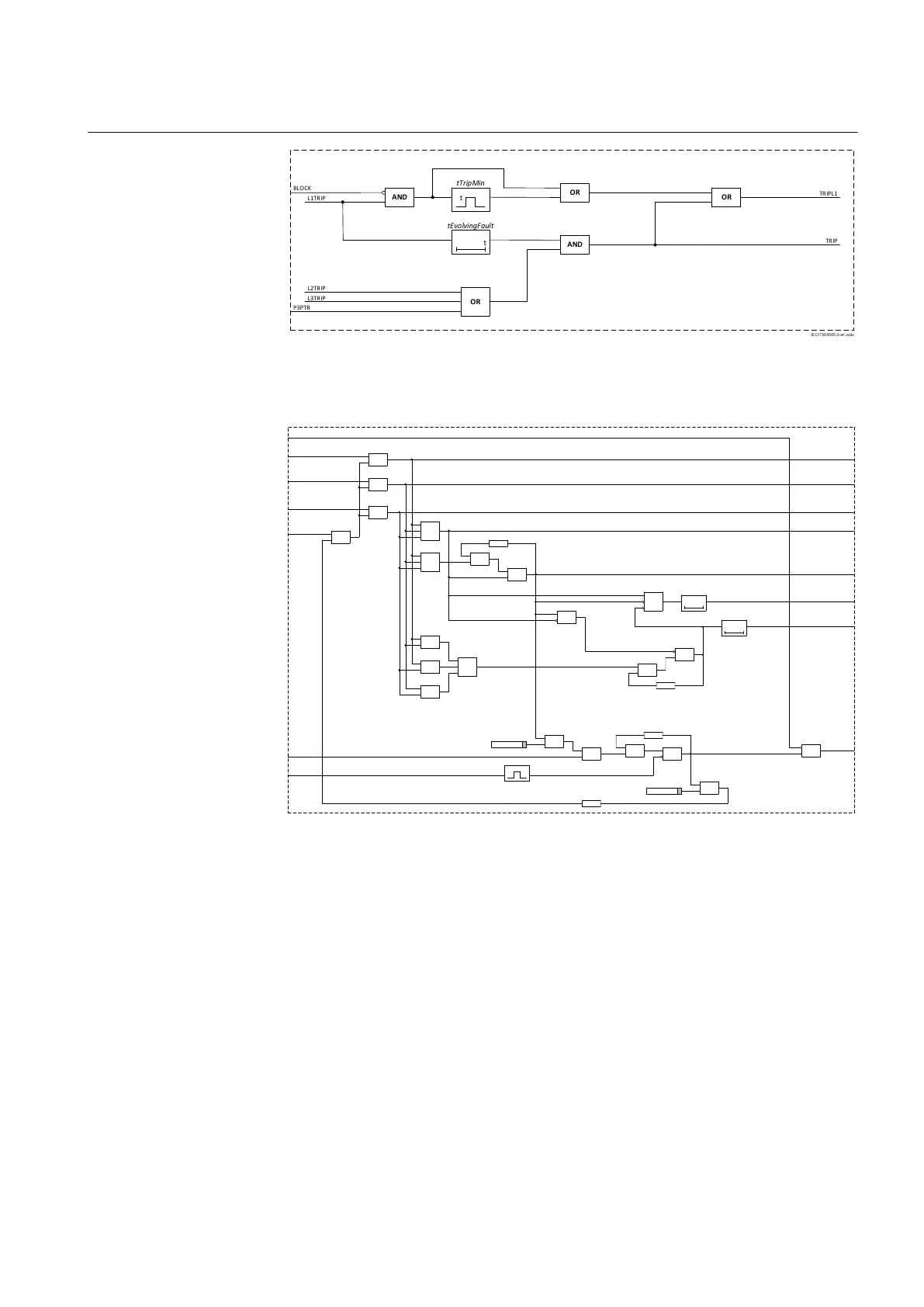
Figure 157: Simplified additional logic per phase, Program = 1ph/3ph or
1ph/2ph/3ph
IEC17000066=1=en=Ori ginal.vsdx
TRL1
t
3ms
BLKLKOU T
OR
OR
TRIPL1
AND
TRIPL3
TRIPL2
TRIPALL
TRL2
TRL3
-LOOP
AND
-LOOP
OR
AND
OR
OR
OR
OR
AND
AND
OR
AND
AND
OR
t
10 ms
t
5 ms
TR3P
AND
OR
SETLKOUT
RSTLKOU T
AND
OR
-LOOP
-LOOP
AND
AND
TR1P
TR2P
CLKLKOU T
AutoLock
TripLockout
TRIP
To ensure that the
fault is single phase
To ensure that the
fault is two phase
IEC17000066 V1 EN-US
Figure 158: Final tripping circuits
1MRK 505 384-UEN A Section 10
Logic
Breaker protection REQ650 2.2 IEC 333
Technical manual

Table of Contents

Other manuals for Subaru impreza 2017

Related product manuals