EasyManua.ls Logo

Suzuki GF60A - Clamp; Swivel; Steering Brackets Components

Suzuki GF60A
336 pages
Print Icon
To Next Page IconTo Next Page
To Next Page IconTo Next Page
To Previous Page IconTo Previous Page
To Previous Page IconTo Previous Page
Loading...
Housing and Bracket: 2A-21
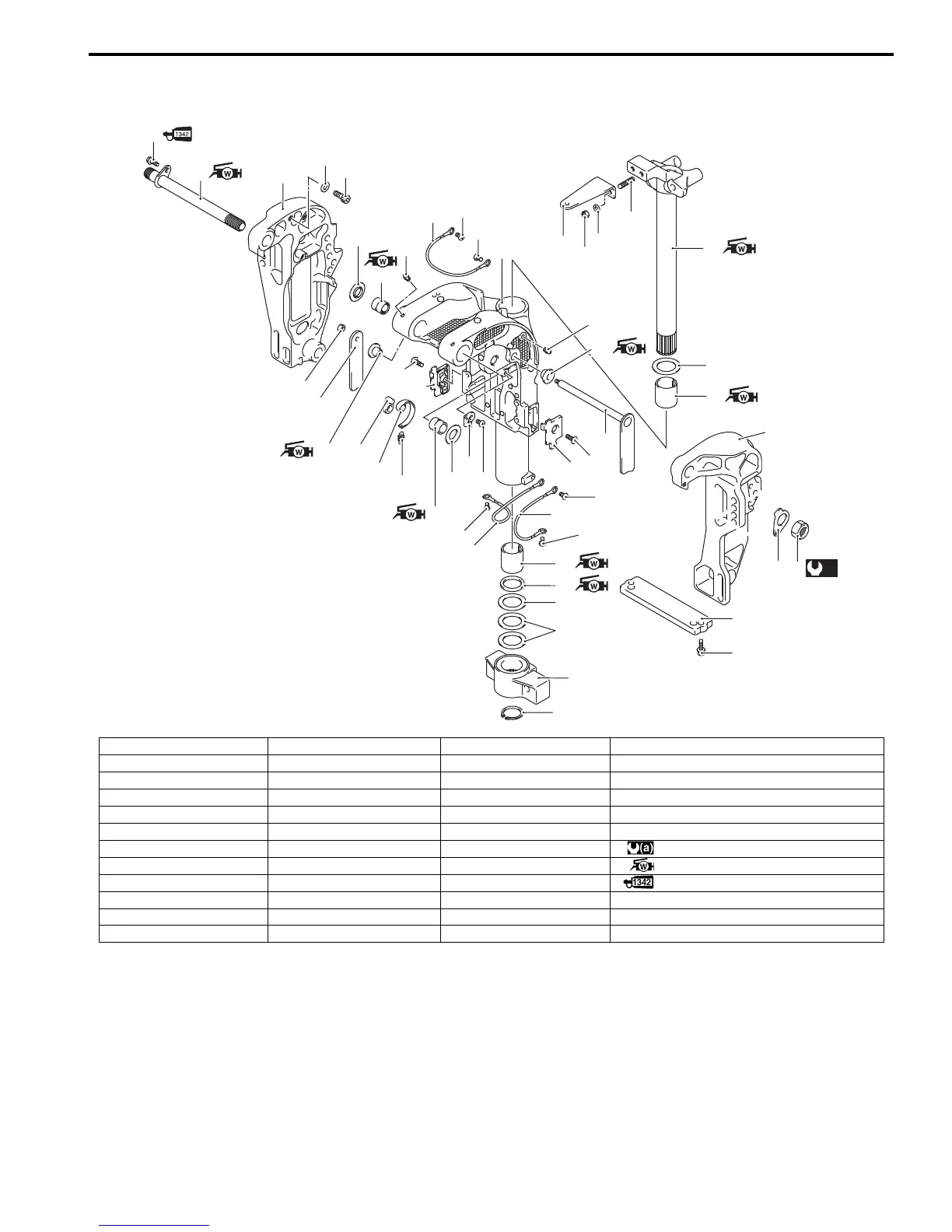
Clamp / Swivel / Steering Brackets Components
ZAJ6112106010
1
3
7
8
9
11
10
12
13
14
35
4
(a)
15
38
38
25
23
24
26
27
28
34
32
12
13
30
31
16
17
2
5 6
20
17
19
18
21
22
38
38
37
38
36
33
34
29
40
42
41
39
14
24
IAJ611210077-01
1. Clamp bracket STBD 13. Washer 25. Nut 37. Bonding wire
2. Clamp bracket PORT 14. Grease nipple 26. Arm 38. Screw
3. Clamp bracket shaft 15. Steering bracket 27. Link 39. Bolt
4. Bolt 16. Washer 28. Spring 40. Steering bracket attachment
5. Washer 17. Bush 29. Tilt lock lever PORT 41. Washer
6. Nut 18. Seal 30. Bracket 42. Nut
7. Anode 19. Washer 31. Screw : 43 N·m (4.3 kgf-m, 31.0 lbf-ft)
8. Bolt 20. Shim 32. Plate STBD : Apply SUZUKI water resistance grease.
9. Washer 21. Lower mount bracket 33. Plate PORT : Apply SUZUKI thread lock 1342.
10. Bolt 22. Circlip 34. Screw
11. Swivel bracket 23. Tilt lock lever 35. Bonding wire
12. Bush 24. Bush 36. Bonding wire

Table of Contents

Related product manuals