EasyManua.ls Logo

Symphony SA-160 - Page 187

Default Icon
338 pages
Print Icon
To Next Page IconTo Next Page
To Next Page IconTo Next Page
To Previous Page IconTo Previous Page
To Previous Page IconTo Previous Page
Loading...
SA 160
AIRCRAFTA I R C R A F T
Symphony
AIRCRAFT
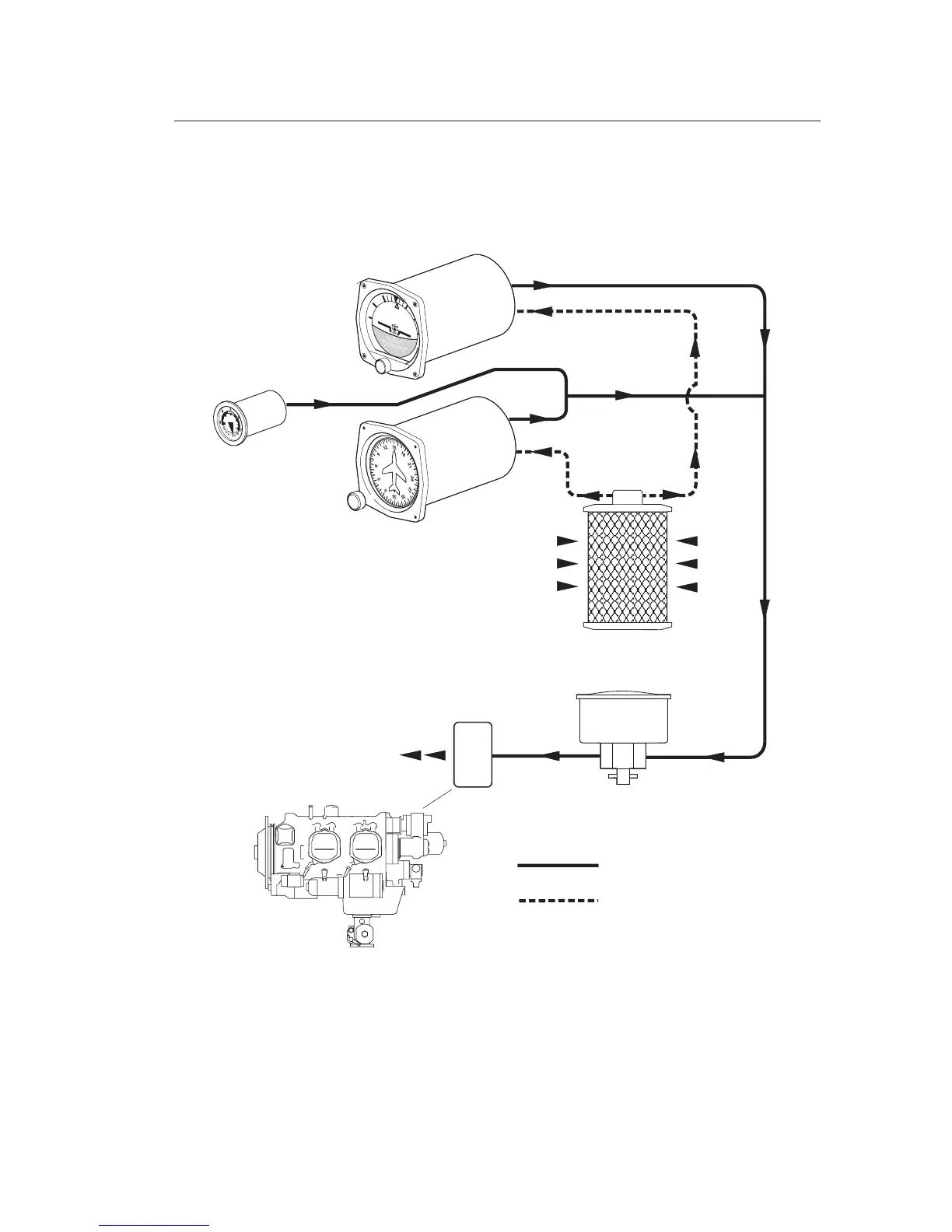
Figure 7-17
Vacuum System
ATTITUDE
GYRO
DIRECTIONAL
GYRO
VACUUM RELIEF VALVE
VACUUM
INLET AIR
ENGINE DRIVEN
VACUUM PUMP
VACUUM SYSTEM
AIR FILTER
SUCTION
GAUGE
P
SECTION 7
DESCR. & OPERATION
7-51
Feb 25, 2005

Table of Contents