EasyManua.ls Logo

Tait TP9100 - Page 54

Tait TP9100
326 pages
Print Icon
To Next Page IconTo Next Page
To Next Page IconTo Next Page
To Previous Page IconTo Previous Page
To Previous Page IconTo Previous Page
Loading...
54 Circuit Descriptions TP9100 Service Manual
© Tait Electronics Limited May 2005
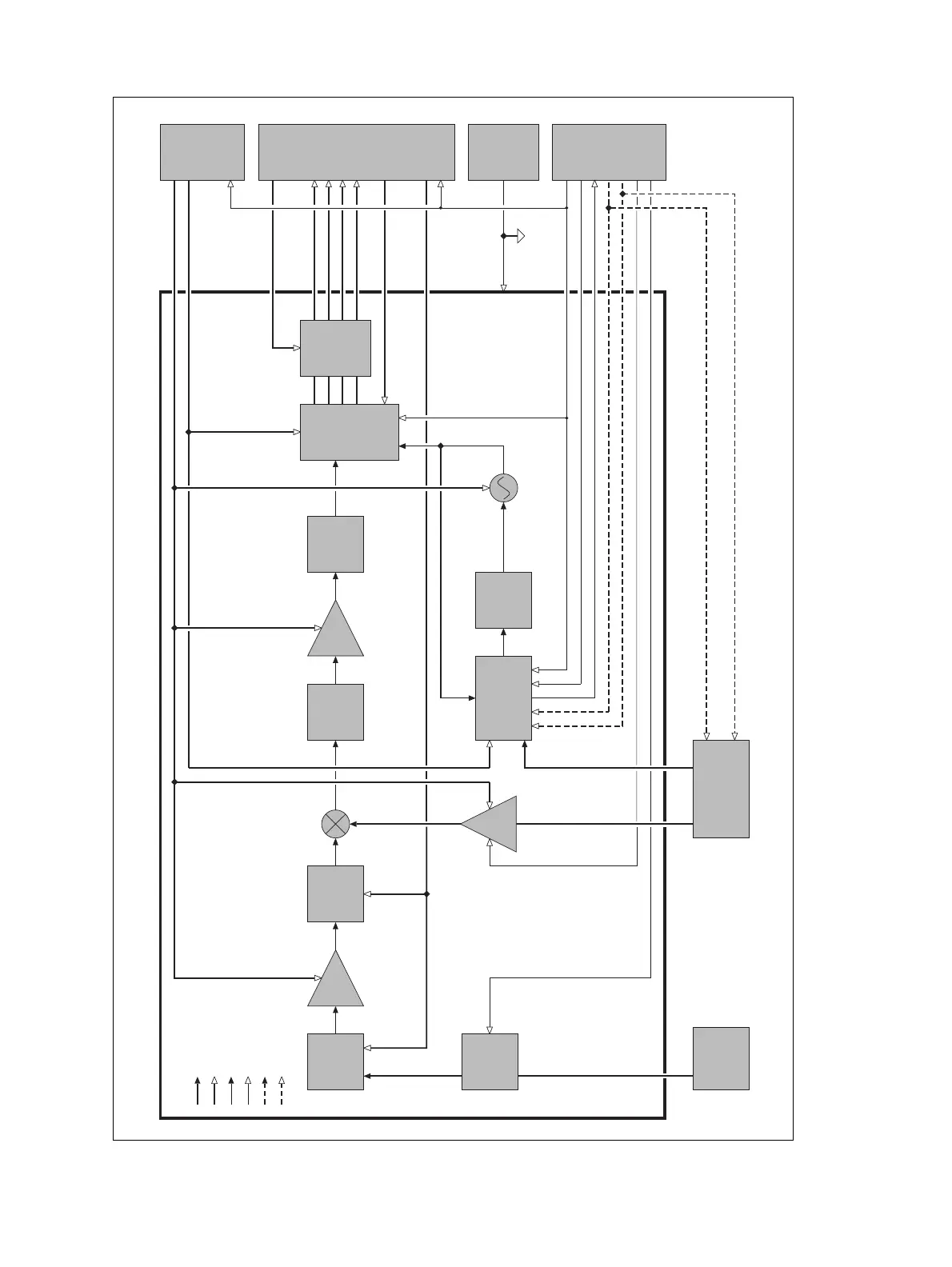
Figure 3.3 Block diagram of the receiver circuitry
Image Filter
LNA
Image Filter
First IF
BPF 1
IF Amplifier
First IF
BPF 2
Quadrature
Demodulator
Bias
Network
Power
Supply
CODEC
and
Audio
Digital
PLL
Transmitter
Frequency
Synthesizer
Mixer
Receiver
VCO
CDC TXPWR RXFE
CDC TXFIN RXAGC
RX CDC QN
RX CDC QP
RX CDC IN
RX CDC IP
+3V0 RX
+3V0 AN
CDC RX VREF
DIG RX EN
DIG RX LE
RX DIG LD
DIG SYN SPI DO
DIG VCO LOPWR
SYN RX OSC
SYN RX LO1
TX RX RF
Loop Filter
AGND
Interfaces
DIG RX ATTEN
DIG RX ATTEN
DIG VCO LOPWR
DIG SYN SPI CLK
Buffer
Attenuator
Signal Types:
RF
analog
clock
digital
asynchronous serial data
synchronous serial data

Table of Contents

Other manuals for Tait TP9100

Related product manuals