EasyManua.ls Logo

Tascam 388 Studio 8 - Page 48

Tascam 388 Studio 8
139 pages
Print Icon
To Next Page IconTo Next Page
To Next Page IconTo Next Page
To Previous Page IconTo Previous Page
To Previous Page IconTo Previous Page
Loading...
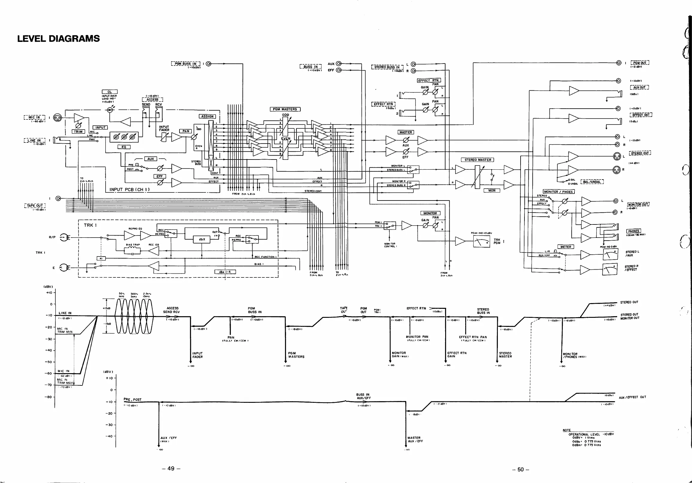
LEVEL
DIAGRAMS
(-«CSVI
j
'
@
l-IOiJBV)
STCREÓjyáj;^
J
i-ionevi
R
@
BUSSIN.^
I
-lOdev)
EFF
EFFECT
RTN
I
@
i-ioeavi
■"aux
OUT
I
OL
1
INPUT
OWER
LOSO
INO
+
15«BV
(^lOdBVI
MXE^
SENO
RCV
>
EFFECT
RTN
i
OiSBu
)
I
PGM
MASTERS
|
000
4
EFFECT
OUT
ASSI6N
mk:
in
I
~
(
-so
ffl
V )
I
INPUT
1
^ic
LINE
INPUT
FAOER
I
PAN
MASTER
LINEAN
;
i
T-iodavi
l-IOdBVI
LCTERKLQUT
STEREO
MASTER
PRE
H.
MONITOR
L
BAL/UNBAL
INPUT
PCB
(CH
I
)
I
MON
I
IMONITOR
/
PHOES
I
STEREO^
—0-—r-[^
monitor
OUT
l-lOdSEI
TAP^qUT
l-iOdBv
I
I
MONITOR
PAN
6AIN
TRK
I
PHONES
^(1
(lOOmW/eQMiXI
PEAK
INOOdSV
METER
—¡>—ra
STEREO
L
/AUX
TRK
I
STEREOR
/EFFECT
I
db»
1-4
Peh-vBch
Zcn-v
(dBV)
+10
-
SOa.
SOO-v»
2.5II-V,
IkHl
SkHl
l9tH>
ACCESS
SENO
RCV
PGM
BUSS
IN
EFFECT
RTN
STEREO
BUSS
IN
LINE
IN
MIC
IN
TRIM
MIN
l-iBdSV
I
BdBVI
MONITOR
PAN
FJLLT
CW/CCW
EFFECT
RTN
PAN
FULLY
CW/CCVY
MONITOR
SAIN
(MAX
EFFECT
RTN
6AIN
PGM
MASTERS
STEREO
MASTER
FAOER
MIC
IN
(dBV
)
60
dBV
MIC
IN
TRIM
MAX4
PRE.
POST
AUX
/EFF
(MAX
/
y—
1
1
i
1
r
lOdBv}
(-10
dBV>
(•lOdBV)
1
1
1
1
1
MONITOR
i
1
I
/PHONES
ímax»
STEREO
OUT
STEREO
OUT
BUSS
IN
AUX/EFF
(-lOdBv
I
1
leúBv
1
MASTER
AUX
/
EFF
AUX/EFFECT
OUT
OPERATIONAL
LEVEL
-lOdBV
OdBV
=
I
Vrms
OdBu'
O
775
Vrms
OdBm"
O
775
Vrms
49
-
-
50
-

Table of Contents

Related product manuals