EasyManua.ls Logo

Texas Instruments MSP430F5529 - 6.10.14 Port J, J.0 JTAG Pin TDO, Input;Output With Schmitt Trigger or Output; 6.10.15 Port J, J.1 to J.3 JTAG Pins TMS, TCK, TDI;TCLK, Input;Output With Schmitt Trigger or Output

Texas Instruments MSP430F5529
128 pages
Print Icon
To Next Page IconTo Next Page
To Next Page IconTo Next Page
To Previous Page IconTo Previous Page
To Previous Page IconTo Previous Page
Loading...
PJ.1/TDI/TCLK
PJ.2/TMS
PJ.3/TCK
FromJTAG
1
0
PJDIR.x
PJIN.x
EN
1
0
FromJTAG
PJOUT.x
1
0
DV
SS
DV
CC
PJREN.x
PadLogic
1
PJDS.x
0:Lowdrive
1:Highdrive
D
DVSS
ToJTAG
PJ.0/TDO
FromJTAG
1
0
PJDIR.0
PJIN.0
EN
1
0
FromJTAG
PJOUT.0
1
0
DV
SS
DV
CC
PJREN.0
PadLogic
1
PJDS.0
0:Lowdrive
1:Highdrive
D
DVCC
MSP430F5529
,
MSP430F5528
,
MSP430F5527
,
MSP430F5526
MSP430F5525
,
MSP430F5524
,
MSP430F5522
,
MSP430F5521
MSP430F5519, MSP430F5517, MSP430F5515, MSP430F5514, MSP430F5513
www.ti.com
SLAS590M MARCH 2009REVISED NOVEMBER 2015
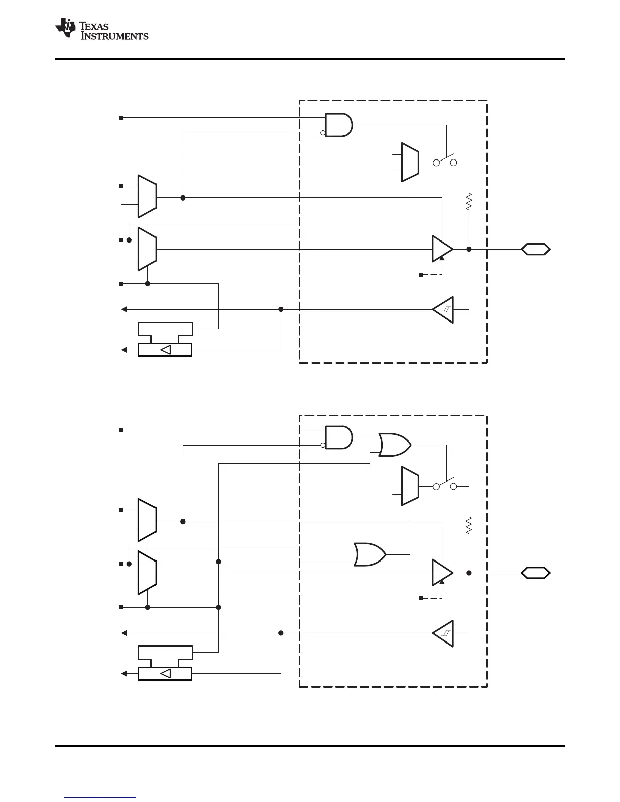
6.10.14 Port J, J.0 JTAG Pin TDO, Input/Output With Schmitt Trigger or Output
6.10.15 Port J, J.1 to J.3 JTAG Pins TMS, TCK, TDI/TCLK, Input/Output With Schmitt
Trigger or Output
Copyright © 2009–2015, Texas Instruments Incorporated Detailed Description 101
Submit Documentation Feedback
Product Folder Links: MSP430F5529 MSP430F5528 MSP430F5527 MSP430F5526 MSP430F5525 MSP430F5524
MSP430F5522 MSP430F5521 MSP430F5519 MSP430F5517 MSP430F5515 MSP430F5514 MSP430F5513

Table of Contents

Related product manuals