EasyManua.ls Logo

Texas Instruments MSP430F5529 - 6.10.13 Port PU.0;DP, PU.1;DM, PUR USB Ports

Texas Instruments MSP430F5529
128 pages
Print Icon
To Next Page IconTo Next Page
To Next Page IconTo Next Page
To Previous Page IconTo Previous Page
To Previous Page IconTo Previous Page
Loading...
PUOPE 0
1
0
1
PUOUT0
PUSEL
PadLogic
PU.0
/
DP
VUSB VSSU
PU.1/
DM
0
1
PUOUT
1
.
PUIN1
USBDMinput
PUIN0
USBDP input
USBDMoutput
USBDP output
USBoutputenable
PUSEL
PadLogic
PUR
VUSB VSSU
“1”
PUREN
PURIN
PUIPE
MSP430F5529
,
MSP430F5528
,
MSP430F5527
,
MSP430F5526
MSP430F5525
,
MSP430F5524
,
MSP430F5522
,
MSP430F5521
MSP430F5519, MSP430F5517, MSP430F5515, MSP430F5514, MSP430F5513
www.ti.com
SLAS590M MARCH 2009REVISED NOVEMBER 2015
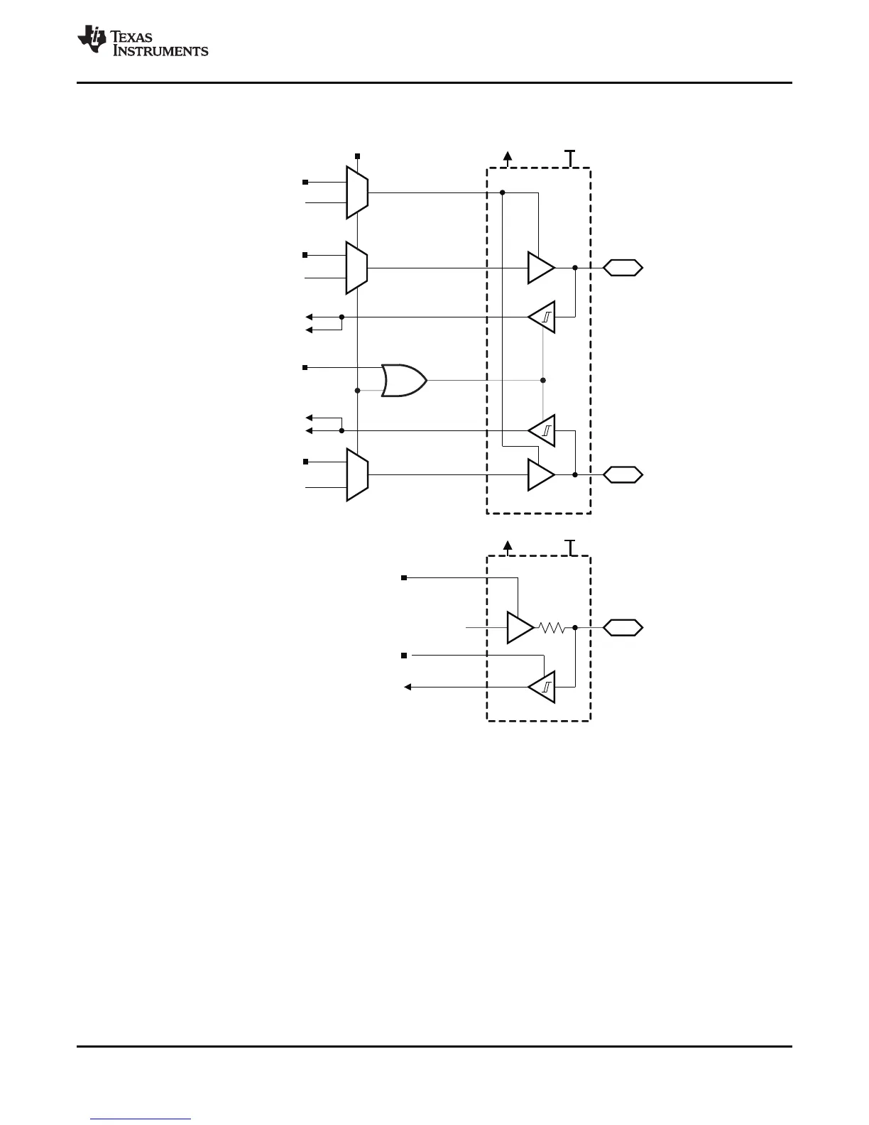
6.10.13 Port PU.0/DP, PU.1/DM, PUR USB Ports
Copyright © 2009–2015, Texas Instruments Incorporated Detailed Description 99
Submit Documentation Feedback
Product Folder Links: MSP430F5529 MSP430F5528 MSP430F5527 MSP430F5526 MSP430F5525 MSP430F5524
MSP430F5522 MSP430F5521 MSP430F5519 MSP430F5517 MSP430F5515 MSP430F5514 MSP430F5513

Table of Contents

Related product manuals