EasyManua.ls Logo

Thermal Arc 500 - Page 85

Thermal Arc 500
100 pages
Print Icon
To Next Page IconTo Next Page
To Next Page IconTo Next Page
To Previous Page IconTo Previous Page
To Previous Page IconTo Previous Page
Loading...
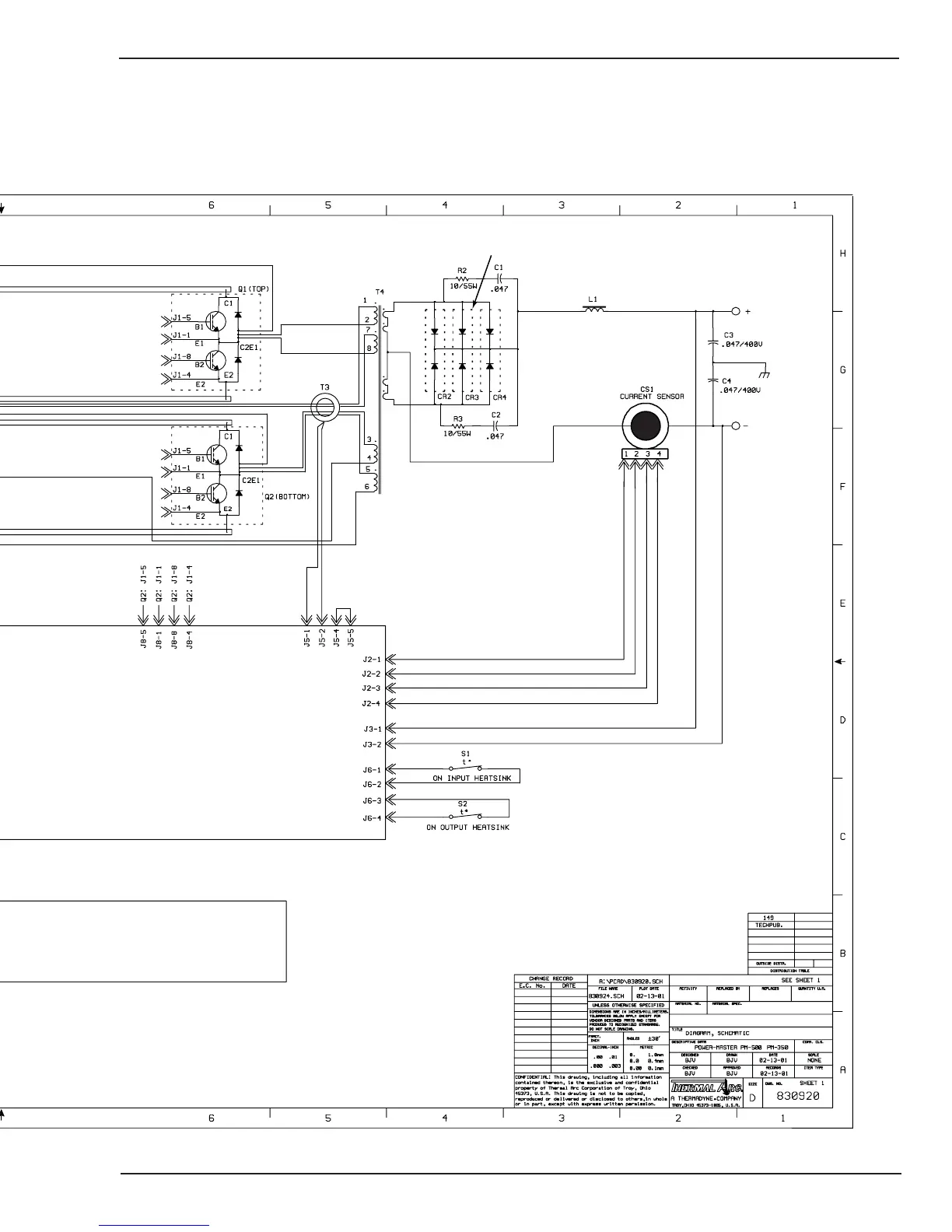
POWERMASTER 500, 500P, 350, 350P
March 17, 2006
A-3
Art # A-06941
,
NOTE: CR3 CIRCUIT IN POWER-MASTER 500 ONLY

Table of Contents

Related product manuals