EasyManua.ls Logo

Thermal Arc 500 - APPENDIX 3: PM500;350 CONNECTION DIAGRAM - 1 OF 2

Thermal Arc 500
100 pages
Print Icon
To Next Page IconTo Next Page
To Next Page IconTo Next Page
To Previous Page IconTo Previous Page
To Previous Page IconTo Previous Page
Loading...
POWERMASTER 500, 500P, 350, 350P
A-4
March 17, 2006
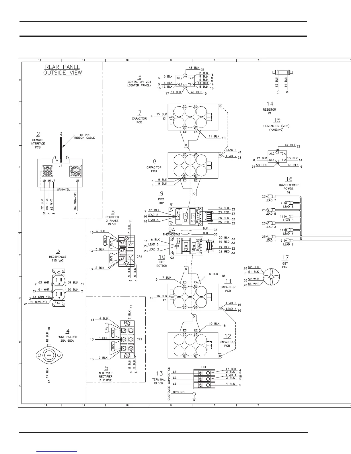
APPENDIX 3: PM500/350 CONNECTION DIAGRAM - 1 OF 2
Art # A-06942

Table of Contents

Related product manuals